Kompakter Lineartisch; DC-Getriebemotor; 5 mm Stellweg; 30 N Belastbarkeit; 1 mm/s maximale Geschwindigkeit; Feingewindespindel; Inkrementeller Rotationsencoder, 2048 Impulse/U Auflösung; 0,5 m Kabellänge
M-110 • M-111 • M-112 Kompakter Lineartisch
XY(Z)-Kombinationen mit vielen Antriebs- und Stellwegvarianten
- Sehr kompakt durch gefalteten Antrieb
- Schrittmotoren und geregelte DC-Motoren
- Kontaktlose Referenz- und Endschalter
- XY-Aufbauten direkt montierbar
- Schnell in großen Stückzahlen verfügbar
- Vakuumkompatible Artikel verfügbar
Kompakter Lineartisch, vielseitig einsetzbar
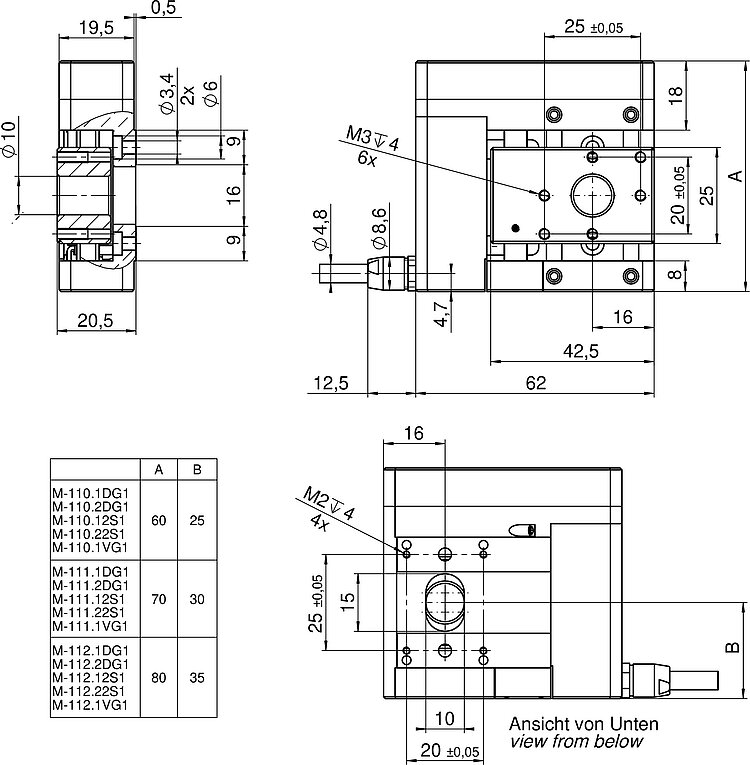
Lineartisch mit kompakter Baugröße durch gefalteten Antrieb mit Riemengetriebe. Freie Apertur mit 10 mm Ø. XY-Aufbauten sind direkt montierbar ohne Adapterplatte.
Antrieb
- 2-Phasen-Schrittmotor oder geregelter DC-Getriebemotor
- Spielfrei vorgespannte Gewinde- oder Kugelumlaufspindel
Positionsmessung
- Varianten mit DC-Getriebemotor: Rotationsencoder auf der Motorwelle
- Kontaktlose Hall-Effekt-Referenz- und Endschalter
Einsatzgebiete
Präzisions-Mikromontage. Forschung. Laserbeschriftung. Automatisierung. Optische Justage.
Spezifikationen
Spezifikationen
| Bewegen | M-110.1DG1 | M-110.2DG1 | M-110.12S1 | M-110.22S1 | M-111.1DG1 | M-111.2DG1 | M-111.12S1 | M-111.22S1 | M-112.1DG1 | M-112.2DG1 | M-112.12S1 | M-112.22S1 | Toleranz |
|---|---|---|---|---|---|---|---|---|---|---|---|---|---|
| Aktive Achsen | X | X | X | X | X | X | X | X | X | X | X | X | |
| Stellweg in X | 5 mm | 5 mm | 5 mm | 5 mm | 15 mm | 15 mm | 15 mm | 15 mm | 25 mm | 25 mm | 25 mm | 25 mm | |
| Maximale Geschwindigkeit in X, unbelastet | 1 mm/s | 1,5 mm/s | 1 mm/s | 1 mm/s | 1,5 mm/s | 2 mm/s | 1 mm/s | 1 mm/s | 1,5 mm/s | 2 mm/s | 1 mm/s | 1 mm/s | |
| Positionieren | M-110.1DG1 | M-110.2DG1 | M-110.12S1 | M-110.22S1 | M-111.1DG1 | M-111.2DG1 | M-111.12S1 | M-111.22S1 | M-112.1DG1 | M-112.2DG1 | M-112.12S1 | M-112.22S1 | Toleranz |
| Kleinste Schrittweite in X | 0,05 µm | 0,2 µm | 0,02 µm | 0,2 µm | 0,05 µm | 0,2 µm | 0,02 µm | 0,2 µm | 0,05 µm | 0,2 µm | 0,02 µm | 0,2 µm | typ. |
| Unidirektionale Wiederholgenauigkeit in X | ± 0,125 µm | ± 0,075 µm | ± 0,125 µm | ± 0,075 µm | ± 0,125 µm | ± 0,075 µm | ± 0,125 µm | ± 0,075 µm | ± 0,125 µm | ± 0,075 µm | ± 0,125 µm | ± 0,075 µm | typ. |
| Bidirektionale Wiederholgenauigkeit in X | 4 µm | 4 µm | 4 µm | 4 µm | 4 µm | 4 µm | 4 µm | 4 µm | 4 µm | 4 µm | 4 µm | 4 µm | typ. |
| Umkehrspiel in X | 3 µm | 3 µm | 3 µm | 3 µm | 3 µm | 3 µm | 3 µm | 3 µm | 3 µm | 3 µm | 3 µm | 3 µm | typ. |
| Referenzschalter | Hall-Effekt | Hall-Effekt | Hall-Effekt | Hall-Effekt | Hall-Effekt | Hall-Effekt | Hall-Effekt | Hall-Effekt | Hall-Effekt | Hall-Effekt | Hall-Effekt | Hall-Effekt | |
| Endschalter | Hall-Effekt | Hall-Effekt | Hall-Effekt | Hall-Effekt | Hall-Effekt | Hall-Effekt | Hall-Effekt | Hall-Effekt | Hall-Effekt | Hall-Effekt | Hall-Effekt | Hall-Effekt | |
| Motorencoder | Inkrementeller Rotationsencoder | Inkrementeller Rotationsencoder | — | — | Inkrementeller Rotationsencoder | Inkrementeller Rotationsencoder | — | — | Inkrementeller Rotationsencoder | Inkrementeller Rotationsencoder | — | — | |
| Sensorsignal Motorencoder | A/B-Quadratur, RS-422 | A/B-Quadratur, RS-422 | — | — | A/B-Quadratur, RS-422 | A/B-Quadratur, RS-422 | — | — | A/B-Quadratur, RS-422 | A/B-Quadratur, RS-422 | — | — | |
| Auflösung Motorencoder | 2048 Impulse/U | 2048 Impulse/U | — | — | 2048 Impulse/U | 2048 Impulse/U | — | — | 2048 Impulse/U | 2048 Impulse/U | — | — | |
| Antriebseigenschaften | M-110.1DG1 | M-110.2DG1 | M-110.12S1 | M-110.22S1 | M-111.1DG1 | M-111.2DG1 | M-111.12S1 | M-111.22S1 | M-112.1DG1 | M-112.2DG1 | M-112.12S1 | M-112.22S1 | Toleranz |
| Antriebstyp | DC-Getriebemotor | DC-Getriebemotor | 2-Phasen-Schrittmotor | 2-Phasen-Schrittmotor | DC-Getriebemotor | DC-Getriebemotor | 2-Phasen-Schrittmotor | 2-Phasen-Schrittmotor | DC-Getriebemotor | DC-Getriebemotor | 2-Phasen-Schrittmotor | 2-Phasen-Schrittmotor | |
| Nennspannung | 12 V | 12 V | — | — | 12 V | 12 V | — | — | 12 V | 12 V | — | — | |
| Nennstrom, effektiv | 0,16 A | 0,16 A | 0,25 A | 0,25 A | 0,16 A | 0,16 A | 0,25 A | 0,25 A | 0,16 A | 0,16 A | 0,25 A | 0,25 A | typ. |
| Motorauflösung | — | — | 24 Vollschritte/U | 24 Vollschritte/U | — | — | 24 Vollschritte/U | 24 Vollschritte/U | — | — | 24 Vollschritte/U | 24 Vollschritte/U | |
| Antriebskraft in positiver Bewegungsrichtung in X | 10 N | 10 N | 10 N | 10 N | 10 N | 10 N | 10 N | 10 N | 10 N | 10 N | 10 N | 10 N | typ. |
| Antriebskraft in negativer Bewegungsrichtung in X | 10 N | 10 N | 10 N | 10 N | 10 N | 10 N | 10 N | 10 N | 10 N | 10 N | 10 N | 10 N | typ. |
| Spitzenstrom, effektiv | — | — | — | — | 0,32 A | 0,32 A | — | — | 0,32 A | 0,32 A | — | — | typ. |
| Widerstand Phase-Phase | — | — | — | — | 19,8 Ω | 19,8 Ω | — | — | 19,8 Ω | 19,8 Ω | — | — | typ. |
| Induktivität Phase-Phase | — | — | — | — | 420000 mH | 420000 mH | — | — | 420000 mH | 420000 mH | — | — | |
| Maximale Motordrehzahl | — | — | — | — | 13000 min⁻¹ | 13000 min⁻¹ | — | — | 13000 min⁻¹ | 13000 min⁻¹ | — | — | |
| Maximale Getriebedrehzahl | — | — | — | — | 5000 min⁻¹ | 5000 min⁻¹ | — | — | 5000 min⁻¹ | 5000 min⁻¹ | — | — | |
| Mechanische Eigenschaften | M-110.1DG1 | M-110.2DG1 | M-110.12S1 | M-110.22S1 | M-111.1DG1 | M-111.2DG1 | M-111.12S1 | M-111.22S1 | M-112.1DG1 | M-112.2DG1 | M-112.12S1 | M-112.22S1 | Toleranz |
| Zulässige Druckkraft in Y | 15 N | 15 N | 15 N | 15 N | 10 N | 10 N | 10 N | 10 N | 10 N | 10 N | 10 N | 10 N | max. |
| Zulässige Druckkraft in Z | 30 N | 30 N | 30 N | 30 N | 30 N | 30 N | 30 N | 30 N | 20 N | 20 N | 20 N | 20 N | max. |
| Zulässiges Moment in θX | 0,15 N·m | 0,15 N·m | 0,15 N·m | 0,15 N·m | 0,15 N·m | 0,15 N·m | 0,15 N·m | 0,15 N·m | 0,15 N·m | 0,15 N·m | 0,15 N·m | 0,15 N·m | max. |
| Zulässiges Moment in θY | 0,15 N·m | 0,15 N·m | 0,15 N·m | 0,15 N·m | 0,15 N·m | 0,15 N·m | 0,15 N·m | 0,15 N·m | 0,15 N·m | 0,15 N·m | 0,15 N·m | 0,15 N·m | max. |
| Zulässiges Moment in θZ | 0,15 N·m | 0,15 N·m | 0,15 N·m | 0,15 N·m | 0,15 N·m | 0,15 N·m | 0,15 N·m | 0,15 N·m | 0,15 N·m | 0,15 N·m | 0,15 N·m | 0,15 N·m | max. |
| Haltekraft in X, passiv | — | — | 10 N | 10 N | — | — | 10 N | 10 N | — | — | 10 N | 10 N | |
| Bewegte Masse in X, unbelastet | 11 g | 12 g | 11 g | 12 g | 11 g | 12 g | 11 g | 12 g | 11 g | 12 g | 11 g | 12 g | |
| Spindeltyp | Feingewindespindel | Kugelumlaufspindel | Feingewindespindel | Kugelumlaufspindel | Feingewindespindel | Kugelumlaufspindel | Feingewindespindel | Kugelumlaufspindel | Feingewindespindel | Kugelumlaufspindel | Feingewindespindel | Kugelumlaufspindel | |
| Spindelsteigung | 0,4 mm | 0,5 mm | 0,4 mm | 0,5 mm | 0,4 mm | 0,5 mm | 0,4 mm | 0,5 mm | 0,4 mm | 0,5 mm | 0,4 mm | 0,5 mm | |
| Getriebeuntersetzung i | 256 : 9 | 256 : 9 | 256 : 9 | 256 : 9 | 29791 : 729 | 29791 : 729 | 256 : 9 | 256 : 9 | 29791 : 729 | 29791 : 729 | 256 : 9 | 256 : 9 | |
| Führung | Kugelführung | Kugelführung | Kugelführung | Kugelführung | Kugelführung | Kugelführung | Kugelführung | Kugelführung | Kugelführung | Kugelführung | Kugelführung | Kugelführung | |
| Gesamtmasse | 250 g | 250 g | 250 g | 250 g | 270 g | 270 g | 270 g | 270 g | 300 g | 300 g | 300 g | 300 g | |
| Material | Aluminium eloxiert | Aluminium eloxiert | Aluminium eloxiert | Aluminium eloxiert | Aluminium eloxiert | Aluminium eloxiert | Aluminium eloxiert | Aluminium eloxiert | Aluminium eloxiert | Aluminium eloxiert | Aluminium eloxiert | Aluminium eloxiert | |
| Anschlüsse und Umgebung | M-110.1DG1 | M-110.2DG1 | M-110.12S1 | M-110.22S1 | M-111.1DG1 | M-111.2DG1 | M-111.12S1 | M-111.22S1 | M-112.1DG1 | M-112.2DG1 | M-112.12S1 | M-112.22S1 | Toleranz |
| Betriebstemperaturbereich | -20 bis 65 °C | -20 bis 65 °C | -20 bis 65 °C | -20 bis 65 °C | -20 bis 65 °C | -20 bis 65 °C | -20 bis 65 °C | -20 bis 65 °C | -20 bis 65 °C | -20 bis 65 °C | -20 bis 65 °C | -20 bis 65 °C | |
| Anschluss | HD D-Sub 26 (m) | HD D-Sub 26 (m) | HD D-Sub 26 (m) | HD D-Sub 26 (m) | HD D-Sub 26 (m) | HD D-Sub 26 (m) | HD D-Sub 26 (m) | HD D-Sub 26 (m) | HD D-Sub 26 (m) | HD D-Sub 26 (m) | HD D-Sub 26 (m) | HD D-Sub 26 (m) | |
| Kabellänge | 0,5 m | 0,5 m | 0,5 m | 0,5 m | 0,5 m | 0,5 m | 0,5 m | 0,5 m | 0,5 m | 0,5 m | 0,5 m | 0,5 m | |
| Empfohlene Controller / Treiber | C-863 C-884 G-901 G-910 Modularer ACS-Controller | C-863 C-884 G-901 G-910 Modularer ACS-Controller | C-663 G-901 G-910 Modularer ACS-Controller | C-663 G-901 G-910 Modularer ACS-Controller | C-863 C-884 G-901 G-910 Modularer ACS-Controller | C-863 C-884 G-901 G-910 Modularer ACS-Controller | C-663 G-901 G-910 Modularer ACS-Controller | C-663 G-901 G-910 Modularer ACS-Controller | C-863 C-884 G-901 G-910 Modularer ACS-Controller | C-863 C-884 G-901 G-910 Modularer ACS-Controller | C-663 G-901 G-910 Modularer ACS-Controller | C-663 G-901 G-910 Modularer ACS-Controller |
Hinweis zu kleinster Schrittweite: Werte werden mit empfohlenem Controller erreicht
Hinweis zu Nennstrom: Werte gelten pro Phase
Technische Daten werden bei PI bei 22 ±3 °C spezifiziert. Die angegebenen Werte gelten im unbelasteten Zustand, wenn nicht anders angegeben. Teilweise sind Eigenschaften voneinander abhängig. Die Angabe "typ." kennzeichnet einen statistischen Mittelwert für eine Eigenschaft; sie gibt keinen garantierten Wert für jedes ausgelieferte Produkt an. Bei der Ausgangsprüfung eines Produkts werden nicht alle, sondern nur ausgewählte Eigenschaften geprüft. Beachten Sie, dass sich einige Produkteigenschaften mit zunehmender Betriebsdauer verschlechtern können.
Downloads
Produktmitteilung
Product Change Notification M-110.xxx, M-111.xxx, M-112.xxx
Datenblatt
Dokumentation
Benutzerhandbuch M110T0032
M-110.x1 / M-111.x1 / M-112.x1 Mikrostelltische
3-D-Modelle
M-11x.xxx1 3D-Modell
Animierte 3-D-Modelle
Bewegliches 3D-Modell M-112.xxx1
Bewegliches 3D-Modell M-110.xxx1
Bewegliches 3D-Modell M-111.xxx1
Angebot / Bestellung
Fordern Sie ein unverbindliches Angebot über gewünschte Stückzahlen, Preise und Lieferzeiten an oder beschreiben Sie Ihre gewünschte Modifikation.
Kompakter Lineartisch; DC-Getriebemotor; 5 mm Stellweg; 30 N Belastbarkeit; 1,5 mm/s maximale Geschwindigkeit; Kugelumlaufspindel; Inkrementeller Rotationsencoder, 2048 Impulse/U Auflösung; 0,5 m Kabellänge
Kompakter Lineartisch; 2-Phasen-Schrittmotor; 5 mm Stellweg; 30 N Belastbarkeit; 1 mm/s maximale Geschwindigkeit; Feingewindespindel; 0,5 m Kabellänge
Kompakter Lineartisch; 2-Phasen-Schrittmotor; 5 mm Stellweg; 30 N Belastbarkeit; 1 mm/s maximale Geschwindigkeit; Kugelumlaufspindel; 0,5 m Kabellänge
Kompakter Lineartisch; DC-Getriebemotor; 15 mm Stellweg; 30 N Belastbarkeit; 1,5 mm/s maximale Geschwindigkeit; Feingewindespindel; Inkrementeller Rotationsencoder, 2048 Impulse/U Auflösung; 0,5 m Kabellänge
Kompakter Lineartisch; DC-Getriebemotor; 15 mm Stellweg; 30 N Belastbarkeit; 2 mm/s maximale Geschwindigkeit; Kugelumlaufspindel; Inkrementeller Rotationsencoder, 2048 Impulse/U Auflösung; 0,5 m Kabellänge
Kompakter Lineartisch; 2-Phasen-Schrittmotor; 15 mm Stellweg; 30 N Belastbarkeit; 1 mm/s maximale Geschwindigkeit; Feingewindespindel; 0,5 m Kabellänge
Kompakter Lineartisch; 2-Phasen-Schrittmotor; 15 mm Stellweg; 30 N Belastbarkeit; 1 mm/s maximale Geschwindigkeit; Kugelumlaufspindel; 0,5 m Kabellänge
Kompakter Lineartisch; DC-Getriebemotor; 25 mm Stellweg; 20 N Belastbarkeit; 1,5 mm/s maximale Geschwindigkeit; Feingewindespindel; Inkrementeller Rotationsencoder, 2048 Impulse/U Auflösung; 0,5 m Kabellänge
Kompakter Lineartisch; DC-Getriebemotor; 25 mm Stellweg; 20 N Belastbarkeit; 2 mm/s maximale Geschwindigkeit; Kugelumlaufspindel; Inkrementeller Rotationsencoder, 2048 Impulse/U Auflösung; 0,5 m Kabellänge
Kompakter Lineartisch; 2-Phasen-Schrittmotor; 25 mm Stellweg; 20 N Belastbarkeit; 1 mm/s maximale Geschwindigkeit; Feingewindespindel; 0,5 m Kabellänge
Kompakter Lineartisch; 2-Phasen-Schrittmotor; 25 mm Stellweg; 20 N Belastbarkeit; 1 mm/s maximale Geschwindigkeit; Kugelumlaufspindel; 0,5 m Kabellänge
Angebot anfordern
Fragen Sie den Fachmann!
Erhalten Sie innerhalb kürzester Zeit per E-Mail oder Telefon eine Rückmeldung zu Ihren Fragen von einem PI Vertriebsingenieur.



























