PIMag® Lineartisch, 80 mm Breite, 25 mm Stellweg, 80 N Belastbarkeit, inkrementeller Linearencoder mit sin/cos-Signalübertragung, 80 µm Sensorsignalperiode, eisenbehafteter 3-Phasen-Linearmotor, 48 V
V-408 PIMag® Lineartisch
Preisgünstig, mit Linearmotor
- Kreuzrollenführung für hohe Belastbarkeit
- Kleinste Schrittweite 20 nm
- Bidirektionale Wiederholgenauigkeit ±0,1 µm
- Kompakte Bauform
- Günstiger Preis
- Eigenentwickelter eisenbehafteter PIMag® Linearmotor
PIMag® Linearmotor
Linearmotoren sind elektromagnetische Direktantriebe. Sie verzichten auf mechanische Bauteile im Antriebsstrang und übertragen die Antriebskraft direkt und reibungsfrei auf die Bewegungsplattform. Die Antriebe erreichen hohe Geschwindigkeiten und Beschleunigungen. Eisenbehaftete Motoren kommen zum Einsatz, wenn hohe Kräfte und Beschleunigungen erreicht werden sollen, der Bauraum jedoch begrenzt ist. Die Bauweise mit Eisenkernen maximiert die magnetischen Kräfte und sorgt für eine hohe thermische Stabilität des Antriebs.
PIMag®
PI entwickelt elektromagnetische Motoren auch selbst, wenn Positioniersysteme Leistungsmerkmale erreichen sollen, die mit am Markt verfügbaren Antriebskomponenten nicht möglich sind, z. B. um eine hohe Kraftdichte oder kompakte Bauweise zu erzielen. Die eigenentwickelten Motoren sind mit dem Markennamen PIMag® gekennzeichnet.
Kreuzrollenführung
Bei Kreuzrollenführungen wird der Punktkontakt der Kugeln in Kugelführungen durch den Linienkontakt gehärteter Rollen ersetzt. Sie sind dadurch wesentlich steifer und kommen mit geringerer Vorspannung aus, was die Reibung reduziert und einen gleichmäßigeren Lauf ermöglicht. Kreuzrollenführungen zeichnen sich darüber hinaus durch hohe Führungsgenauigkeit und Tragfähigkeit aus. Zwangsgesteuerte Wälzkörperkäfige verhindern Käfigwandern.
Direkte Positionsmessung
Die Positionsmessung erfolgt mit höchster Genauigkeit direkt an der bewegten Plattform, so dass Nichtlinearität, mechanisches Spiel oder elastische Deformation keinen Einfluss auf die Positionsmessung haben.
Einsatzgebiete
Industrie und Forschung. Automatisierungstechnik mit hohen Anforderungen an Dynamik und Präzision.
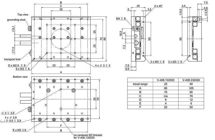
Spezifikationen
Spezifikationen
| Bewegen | V-408.132020 | V-408.232020 | Toleranz |
|---|---|---|---|
| Aktive Achsen | X | X | |
| Stellweg in X | 25 mm | 50 mm | |
| Maximale Geschwindigkeit in X, unbelastet | 500 mm/s | 700 mm/s | |
| Geradheitsabweichung in Y (Geradheit) | ± 4 µm | ± 4 µm | typ. |
| Geradheitsabweichung in Z (Ebenheit) | ± 4 µm | ± 4 µm | typ. |
| Winkelabweichung um Y (Nicken) | ± 150 µrad | ± 150 µrad | typ. |
| Winkelabweichung um Z (Gieren) | ± 150 µrad | ± 150 µrad | typ. |
| Positionieren | V-408.132020 | V-408.232020 | Toleranz |
| Kleinste Schrittweite in X | 0,02 µm | 0,02 µm | typ. |
| Bidirektionale Wiederholgenauigkeit in X | 0,2 µm | 0,2 µm | typ. |
| Referenzschalter | Optisch, richtungserkennend (Impulssignal), 5 V, TTL | Optisch, richtungserkennend (Impulssignal), 5 V, TTL | |
| Endschalter | Hall-Effekt, Schließer, 5 V, TTL | Hall-Effekt, Schließer, 5 V, TTL | |
| Integrierter Sensor | Inkrementeller Linearencoder | Inkrementeller Linearencoder | |
| Sensorsignal | Sin/Cos, 1 V Spitze-Spitze | Sin/Cos, 1 V Spitze-Spitze | |
| Sensorsignalperiode | 80 µm | 80 µm | |
| Sensorauflösung | 10 nm | 10 nm | |
| Antriebseigenschaften | V-408.132020 | V-408.232020 | Toleranz |
| Antriebstyp | Eisenbehafteter 3-Phasen-Linearmotor | Eisenbehafteter 3-Phasen-Linearmotor | |
| Nennspannung | 24 V | 24 V | |
| Spitzenspannung | 48 V | 48 V | |
| Nennstrom, effektiv | 1,1 A | 1,1 A | typ. |
| Spitzenstrom, effektiv | 3,2 A | 3,2 A | typ. |
| Antriebskraft in X | 5 N | 5 N | typ. |
| Spitzenkraft in X | 14 N | 14 N | |
| Kraftkonstante | 4,6 N/A | 4,6 N/A | |
| Widerstand Phase-Phase | 2,46 Ω | 2,46 Ω | typ. |
| Induktivität Phase-Phase | 1,94 mH | 1,94 mH | |
| Gegen-EMK | 2,81 V·s/m | 2,81 V·s/m | max. |
| Polteilung N-N | 18 mm | 18 mm | |
| Maximal zulässige Temperatur von Antriebskomponenten | 80 °C | 80 °C | |
| Mechanische Eigenschaften | V-408.132020 | V-408.232020 | Toleranz |
| Zulässige Druckkraft in Y | 80 N | 80 N | max. |
| Zulässige Druckkraft in Z | 80 N | 80 N | max. |
| Zulässiges Moment in θX | 2,3 N·m | 2,3 N·m | max. |
| Zulässiges Moment in θY | 1,3 N·m | 1,3 N·m | max. |
| Zulässiges Moment in θZ | 1,3 N·m | 1,3 N·m | max. |
| Bewegte Masse in X, unbelastet | 230 g | 300 g | |
| Führung | Kreuzrollenführung | Kreuzrollenführung | |
| Gesamtmasse | 790 g | 940 g | |
| Masse ohne Kabel | 500 g | 650 g | |
| Material | Aluminium, schwarz eloxiert | Aluminium, schwarz eloxiert | |
| Anschlüsse und Umgebung | V-408.132020 | V-408.232020 | Toleranz |
| Betriebstemperaturbereich | 5 bis 40 °C | 5 bis 40 °C | |
| Anschluss | HD D-Sub 26 (m) | HD D-Sub 26 (m) | |
| Sensoranschluss | D-Sub 15 (f) | D-Sub 15 (f) | |
| Kabellänge | 2 m | 2 m | |
| Empfohlene Controller/Treiber | C-891, C-885 mit C-891.10C885 A-811.CE G-901 | C-891, C-885 mit C-891.10C885 A-811.CE G-901 |
Hinweis zu Sensorauflösung: interpoliert
Technische Daten werden bei PI bei 22 ±3 °C spezifiziert. Die angegebenen Werte gelten im unbelasteten Zustand, wenn nicht anders angegeben. Teilweise sind Eigenschaften voneinander abhängig. Die Angabe "typ." kennzeichnet einen statistischen Mittelwert für eine Eigenschaft; sie gibt keinen garantierten Wert für jedes ausgelieferte Produkt an. Bei der Ausgangsprüfung eines Produkts werden nicht alle, sondern nur ausgewählte Eigenschaften geprüft. Beachten Sie, dass sich einige Produkteigenschaften mit zunehmender Betriebsdauer verschlechtern können.
Downloads
Datenblatt
Dokumentation
Benutzerhandbuch V408M0001
V-408.132020 PIMAG® POSITIONIERER
Benutzerhandbuch V408M0002
V-408.232020 PIMAG® POSITIONIERER
3-D-Modelle
V-408 3D-Modell
Animierte 3-D-Modelle
Bewegliches 3D-Modell V-408.232020
Angebot / Bestellung
Fordern Sie ein unverbindliches Angebot über gewünschte Stückzahlen, Preise und Lieferzeiten an oder beschreiben Sie Ihre gewünschte Modifikation.
PIMag® Lineartisch, 80 mm Breite, 50 mm Stellweg, 80 N Belastbarkeit, inkrementeller Linearencoder mit sin/cos-Signalübertragung, 80 µm Sensorsignalperiode, eisenbehafteter 3-Phasen-Linearmotor, 48 V
Angebot anfordern
Fragen Sie den Fachmann!
Erhalten Sie innerhalb kürzester Zeit per E-Mail oder Telefon eine Rückmeldung zu Ihren Fragen von einem PI Vertriebsingenieur.



















