Nanometrologiesensoren & Sensorauswerteelektronik
Kapazitive Nanometrologiesensoren können in OEM Applikationen direkt integriert werden. Dieselben Sensoren verwendet PI auch in den hervorragend stabilen Nanopositioniertischen.
Zubehör für Mikroskopietische
Für Mikroskopietische stehen eine Reihe von nützlichen Ergänzungen wie QuickLock Adapter für Objektivpositionierer und verschiedene Probeneinsätze zur Verfügung.
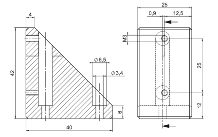
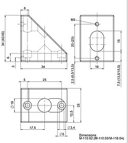
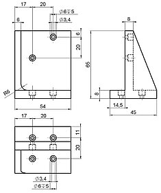
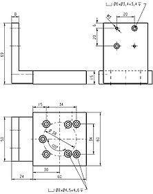
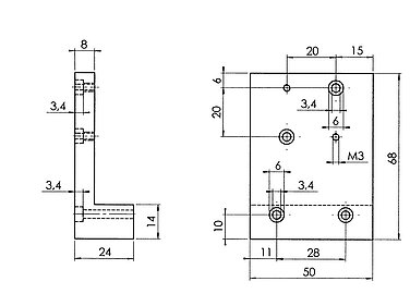
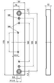
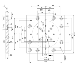
Adapterwinkel
Für viele Positioniertische gibt es standardisierte Adapterwinkel und –platten. Anpassungen sind auf Anfrage erhältlich.
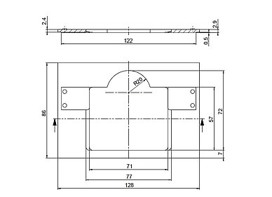
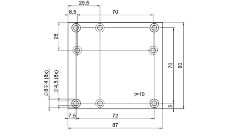
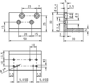
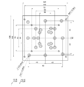
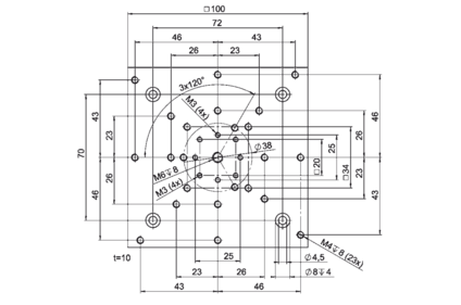
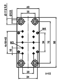
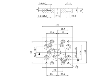
Adapterplatten
Für viele Positioniertische gibt es standardisierte Adapterwinkel und –platten. Anpassungen sind auf Anfrage erhältlich.










































































