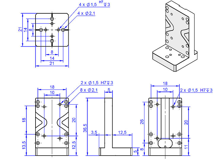
Q-121.10U
Adapterwinkel für die vertikale Montage von Q-521 Miniatur-Lineartischen mit 12 mm Stellweg, nicht eloxiert









Fordern Sie ein unverbindliches Angebot über gewünschte Stückzahlen, Preise und Lieferzeiten an oder beschreiben Sie Ihre gewünschte Modifikation.
Erhalten Sie innerhalb kürzester Zeit per E-Mail oder Telefon eine Rückmeldung zu Ihren Fragen von einem PI Vertriebsingenieur.