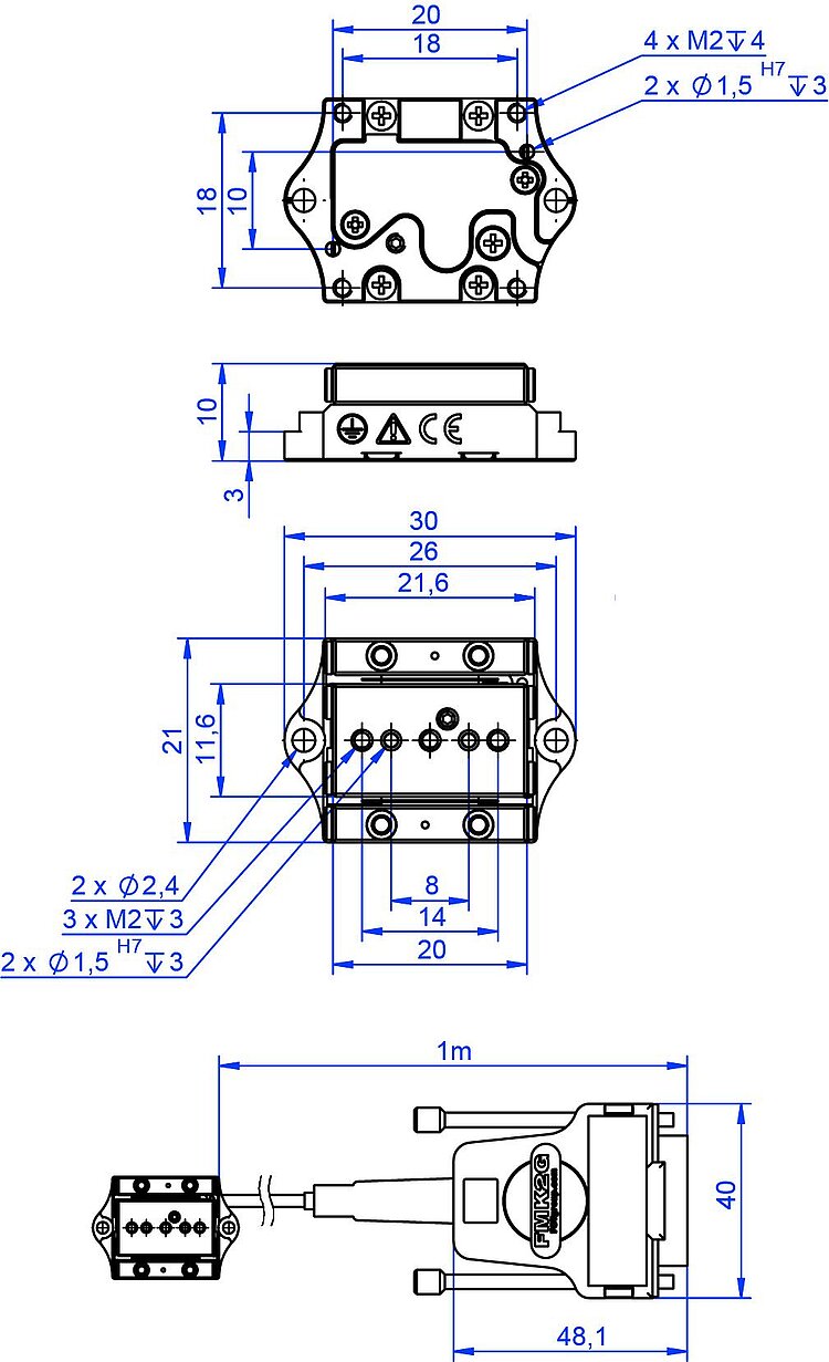
Q-Motion® Miniatur-Lineartisch, piezoelektrischer Trägheitsantrieb, 12 mm Stellweg, Linearencoder, 4 nm Auflösung, 0,6 N Antriebskraft, Abmessungen 21 × 30 × 10 mm (B × L × H)
Q-521 Q‑Motion® Miniatur-Lineartisch
Kleinster Lineartisch mit Positionsregelung, hoher Auflösung und günstigem Preis
- Nur 21 mm breit und 10 mm hoch
- Direkte Positionsmessung mit integriertem inkrementellen Encoder
- Encoderauflösung bis zu 1 nm
- Kleinste Schrittweite bis zu 30 nm
- Aufbau von Mehrachssystemen mit Adapterplatte oder -winkel (optional erhältlich)
Piezoelektrischer Trägheitsantrieb
Piezoträgheitsantriebe sind platzsparende und preiswerte piezobasierte Antriebe mit relativ hohen Haltekräften und prinzipiell unbegrenztem Stellweg. Das Trägheitsantriebsprinzip basiert auf einem einzelnen piezoelektrischen Aktor, der über die Treiberelektronik mit einer modifizierten Sägezahnspannung angesteuert wird. Der Aktor dehnt sich langsam aus und nimmt einen Läufer mit. Die darauf folgende schnelle Kontraktion des Aktors kann der Läufer aufgrund seiner Trägheit nicht nachvollziehen und verharrt auf seiner Position. Mit einer Betriebsfrequenz von bis zu 20 kHz erreichen direkt auf den Läufer wirkende Antriebe Geschwindigkeiten bis max. 6 mm/s.
Direktes Messprinzip
Die Lineartische sind mit berührungslos messendem optischen Linearencoder sowie Referenzschalter ausgestattet. Auflösung versionsabhängig 4 nm oder 1 nm.
Einsatzgebiete
Mikromontage. Photonik. Optische Justage. Mikroskopie. Beamline-Instrumentierung. Halbleitertechnik. Testanwendungen.
Spezifikationen
Spezifikationen
| Bewegen | Q-521.130 | Q-521.140 | Q-521.230 | Q-521.240 | Q-521.330 | Q-521.340 | Toleranz |
|---|---|---|---|---|---|---|---|
| Aktive Achsen | X | X | X | X | X | X | |
| Stellweg in X | 12 mm | 12 mm | 22 mm | 22 mm | 32 mm | 32 mm | |
| Maximale Geschwindigkeit in X, unbelastet | 6 mm/s | 6 mm/s | 6 mm/s | 6 mm/s | 6 mm/s | 6 mm/s | typ. |
| Linearität in X | 3,5 µm | 3,5 µm | 3,5 µm | 3,5 µm | 3,5 µm | 3,5 µm | typ. |
| Positionieren | Q-521.130 | Q-521.140 | Q-521.230 | Q-521.240 | Q-521.330 | Q-521.340 | Toleranz |
| Kleinste Schrittweite in X | 50 nm | 30 nm | 50 nm | 30 nm | 50 nm | 30 nm | typ. |
| Referenzschalter | Optisch | Optisch | Optisch | Optisch | Optisch | Optisch | |
| Integrierter Sensor | Inkrementeller Linearencoder | Inkrementeller Linearencoder | Inkrementeller Linearencoder | Inkrementeller Linearencoder | Inkrementeller Linearencoder | Inkrementeller Linearencoder | |
| Sensorsignal | Sin/Cos, 1 V Spitze-Spitze | Sin/Cos, 1 V Spitze-Spitze | Sin/Cos, 1 V Spitze-Spitze | Sin/Cos, 1 V Spitze-Spitze | Sin/Cos, 1 V Spitze-Spitze | Sin/Cos, 1 V Spitze-Spitze | |
| Sensorauflösung | 4 nm | 1 nm | 4 nm | 1 nm | 4 nm | 1 nm | |
| Antriebseigenschaften | Q-521.130 | Q-521.140 | Q-521.230 | Q-521.240 | Q-521.330 | Q-521.340 | Toleranz |
| Antriebstyp | Q-Motion® Piezomotor | Q-Motion® Piezomotor | Q-Motion® Piezomotor | Q-Motion® Piezomotor | Q-Motion® Piezomotor | Q-Motion® Piezomotor | |
| Antriebskraft in positiver Bewegungsrichtung in X | 0,6 N | 0,6 N | 0,6 N | 0,6 N | 0,6 N | 0,6 N | typ. |
| Antriebskraft in negativer Bewegungsrichtung in X | 0,6 N | 0,6 N | 0,6 N | 0,6 N | 0,6 N | 0,6 N | typ. |
| Mechanische Eigenschaften | Q-521.130 | Q-521.140 | Q-521.230 | Q-521.240 | Q-521.330 | Q-521.340 | Toleranz |
| Haltekraft in X, passiv | 1,3 N | 1,3 N | 1,3 N | 1,3 N | 1,3 N | 1,3 N | typ. |
| Maximale Nutzlast, beliebige Ausrichtung | 0,06 kg | 0,06 kg | 0,06 kg | 0,06 kg | 0,06 kg | 0,06 kg | |
| Maximale Nutzlast, horizontale Ausrichtung | 0,3 kg | 0,3 kg | 0,3 kg | 0,3 kg | 0,3 kg | 0,3 kg | |
| Führung | Kreuzrollenführung | Kreuzrollenführung | Kreuzrollenführung | Kreuzrollenführung | Kreuzrollenführung | Kreuzrollenführung | |
| Gesamtmasse | 110 g | 110 g | 126 g | 126 g | 135 g | 135 g | |
| Masse ohne Kabel | 24 g | 24 g | 34 g | 34 g | 48 g | 48 g | |
| Material | Edelstahl | Edelstahl | Edelstahl | Edelstahl | Edelstahl | Edelstahl | |
| Anschlüsse und Umgebung | Q-521.130 | Q-521.140 | Q-521.230 | Q-521.240 | Q-521.330 | Q-521.340 | Toleranz |
| Betriebstemperaturbereich | 0 bis 40 °C | 0 bis 40 °C | 0 bis 40 °C | 0 bis 40 °C | 0 bis 40 °C | 0 bis 40 °C | |
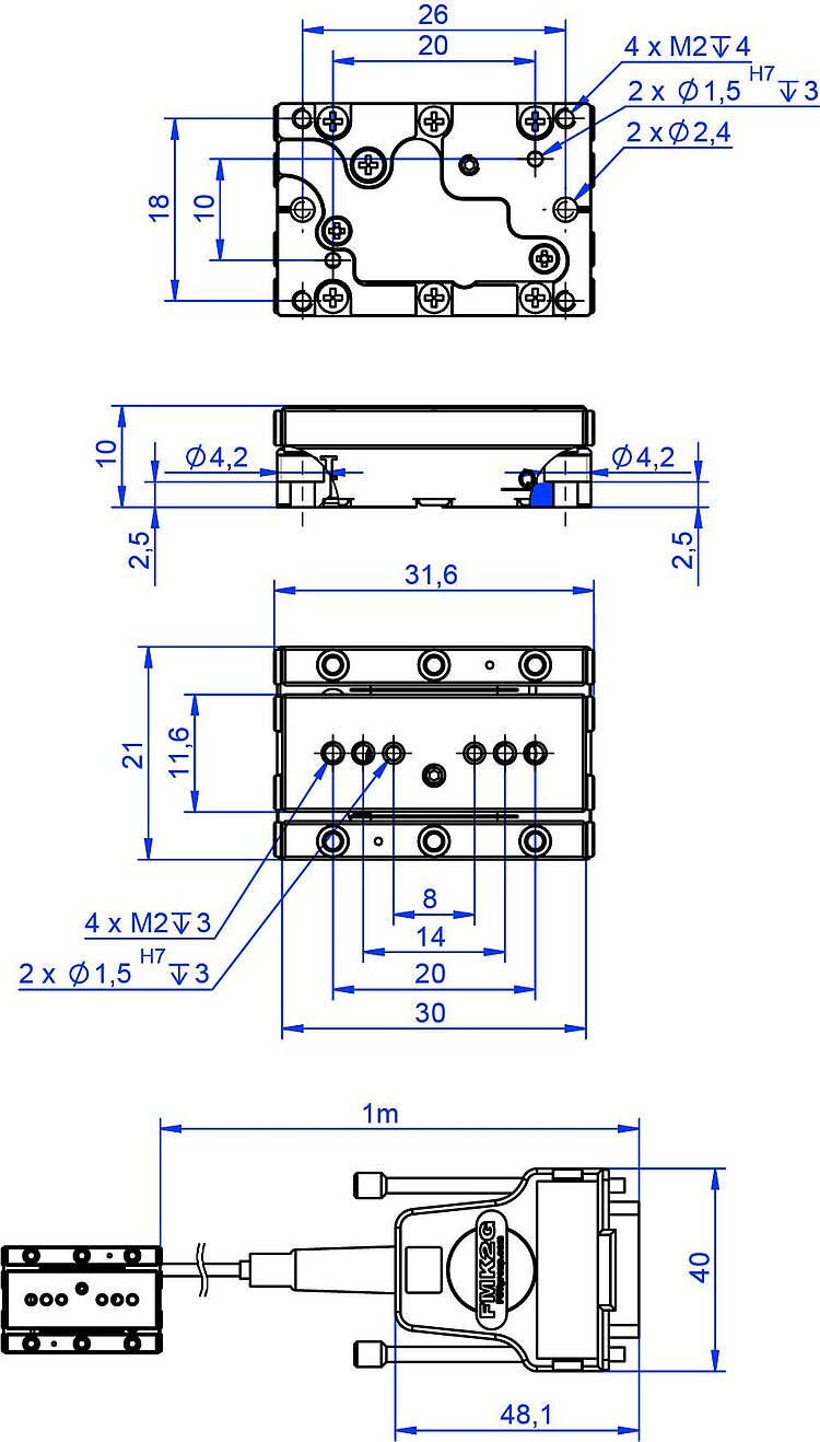
| Anschluss | D-Sub 15 (m) | D-Sub 15 (m) | D-Sub 15 (m) | D-Sub 15 (m) | D-Sub 15 (m) | D-Sub 15 (m) | |
| Kabellänge | 1 m | 1 m | 1 m | 1 m | 1 m | 1 m | |
| Empfohlene Controller / Treiber | E-873.1AT, E-873.10C885 | E-873.1AT, E-873.10C885 | E-873.1AT, E-873.10C885 | E-873.1AT, E-873.10C885 | E-873.1AT, E-873.10C885 | E-873.1AT, E-873.10C885 |
Technische Daten werden bei PI bei 22 ±3 °C spezifiziert. Die angegebenen Werte gelten im unbelasteten Zustand, wenn nicht anders angegeben. Teilweise sind Eigenschaften voneinander abhängig. Die Angabe "typ." kennzeichnet einen statistischen Mittelwert für eine Eigenschaft; sie gibt keinen garantierten Wert für jedes ausgelieferte Produkt an. Bei der Ausgangsprüfung eines Produkts werden nicht alle, sondern nur ausgewählte Eigenschaften geprüft. Beachten Sie, dass sich einige Produkteigenschaften mit zunehmender Betriebsdauer verschlechtern können.
Downloads
Produktmitteilung
Product Change Notification Q-xxx; N-765
Datenblatt
Dokumentation
Benutzerhandbuch MP145
Q-521 Q-Motion Miniatur-Linearversteller, piezoelektrischer Trägheitsantrieb
3-D-Modelle
Q-521 3D-Modell
Angebot / Bestellung
Fordern Sie ein unverbindliches Angebot über gewünschte Stückzahlen, Preise und Lieferzeiten an oder beschreiben Sie Ihre gewünschte Modifikation.
Q-Motion® Miniatur-Lineartisch, piezoelektrischer Trägheitsantrieb, 12 mm Stellweg, Linearencoder, 1 nm Auflösung, 0,6 N Antriebskraft, Abmessungen 21 × 30 × 10 mm (B × L × H)
Q-Motion® Miniatur-Lineartisch, piezoelektrischer Trägheitsantrieb, 22 mm Stellweg, Linearencoder, 4 nm Auflösung, 0,6 N Antriebskraft, Abmessungen 21 × 32 × 10 mm (B × L × H)
Q-Motion® Miniatur-Lineartisch, piezoelektrischer Trägheitsantrieb, 22 mm Stellweg, Linearencoder, 1 nm Auflösung, 0,6 N Antriebskraft, Abmessungen 21 × 32 × 10 mm (B × L × H)
Q-Motion® Miniatur-Lineartisch, piezoelektrischer Trägheitsantrieb, 32 mm Stellweg, Linearencoder, 4 nm Auflösung, 0,6 N Antriebskraft, Abmessungen 21 × 42 × 10 mm (B × L × H)
Q-Motion® Miniatur-Lineartisch, piezoelektrischer Trägheitsantrieb, 32 mm Stellweg, Linearencoder, 1 nm Auflösung, 0,6 N Antriebskraft, Abmessungen 21 × 42 × 10 mm (B × L × H)
Angebot anfordern
Fragen Sie den Fachmann!
Erhalten Sie innerhalb kürzester Zeit per E-Mail oder Telefon eine Rückmeldung zu Ihren Fragen von einem PI Vertriebsingenieur.














