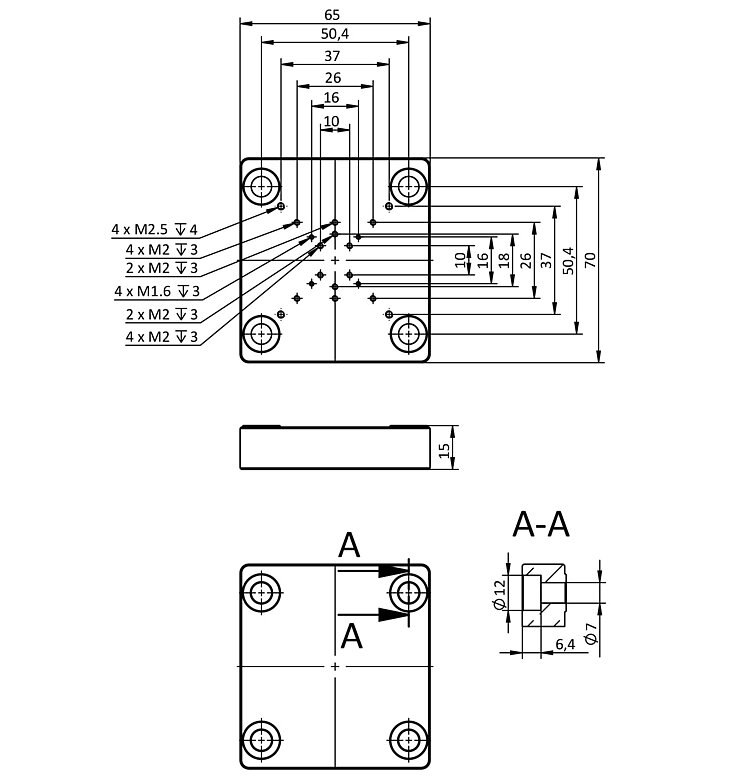
Q-101.AP1 Adapterplatte

Für Q-Motion® Positionierer auf Steckplatinen mit 25-mm- oder 1-Zoll-Raster

  • Einfache Montage von Q-Motion® Positionierern auf Steckplatinen
  • Für Steckplatinen mit 25-mm- oder 1-Zoll-Raster
  • Schwarz eloxiert
Q-101.AP1 Adapterplatte
Produktbeschreibung Downloads Angebot / Bestellung

Downloads

Datenblatt

Datenblatt

Datenblatt Q-101.AP1

Version / Datum
2018-03-23
pdf - 553 KB
Version / Datum
2018-03-23
pdf - 557 KB

3-D-Modelle

3-D-Modelle

Q-101.AP1 3D-Modell

zip - 177 KB

Angebot / Bestellung

Fordern Sie ein unverbindliches Angebot über gewünschte Stückzahlen, Preise und Lieferzeiten an oder beschreiben Sie Ihre gewünschte Modifikation.

Angebot anfordern

Auf ANGEBOT / BESTELLUNG klicken
Variante zur Anfrageliste hinzufügen
Anfrageformular ausfüllen
Preisanfrage an PI senden
Wir werden Sie in Kürze kontaktieren

Fragen Sie den Fachmann!

Erhalten Sie innerhalb kürzester Zeit per E-Mail oder Telefon eine Rückmeldung zu Ihren Fragen von einem PI Vertriebsingenieur.

Kompatible Produkte