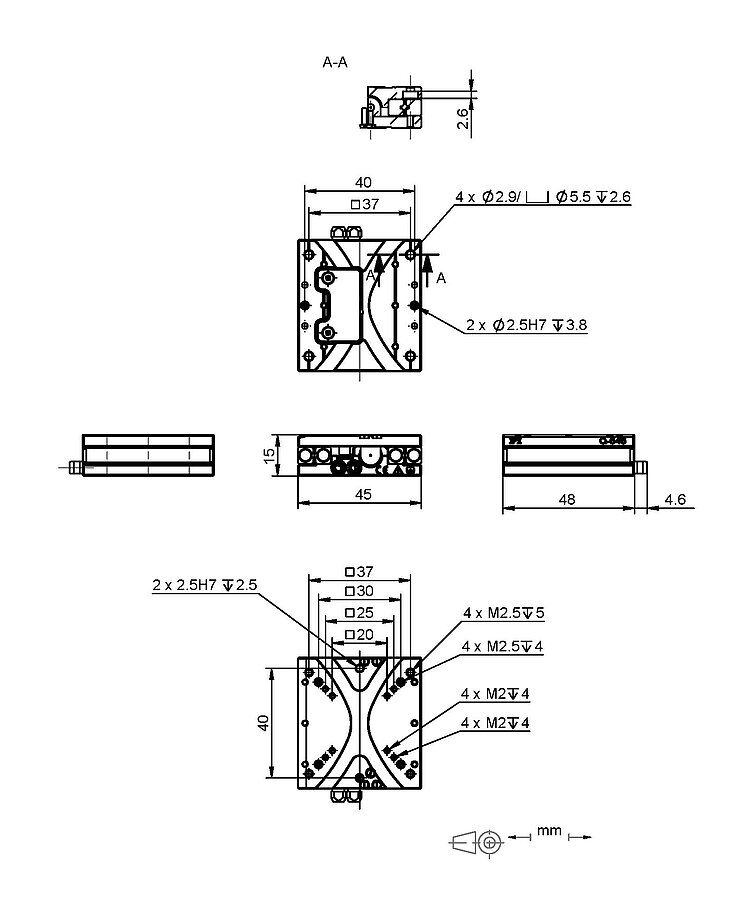
Q-Motion® Lineartisch, piezoelektrischer Trägheitsantrieb, 13 mm Stellweg, Linearencoder, 1 nm Auflösung, 7 N Antriebskraft, Abmessungen 45 × 48 × 15 mm (B × L × H)
Q-545 Q‑Motion® Präzisions-Lineartisch
Hohe Kräfte und kleine Bauform durch Piezomotoren
- Nur 45 mm breit
- Antriebskraft 7 N
- Inkrementelle Sensoren mit Nanometer-Positionsauflösung
- XY-Kombinationen ohne Adapterplatte möglich
Piezoelektrischer Trägheitsantrieb
Piezoträgheitsantriebe sind platzsparende und preiswerte piezobasierte Antriebe mit relativ hohen Haltekräften und prinzipiell unbegrenztem Stellweg. Das Trägheitsantriebsprinzip basiert auf einem einzelnen piezoelektrischen Aktor, der über die Treiberelektronik mit einer modifizierten Sägezahnspannung angesteuert wird. Der Aktor dehnt sich langsam aus und nimmt einen Läufer mit. Die darauf folgende schnelle Kontraktion des Aktors kann der Läufer aufgrund seiner Trägheit nicht nachvollziehen und verharrt auf seiner Position. Mit einer Betriebsfrequenz von bis zu 20 kHz erreichen direkt auf den Läufer wirkende Antriebe Geschwindigkeiten bis max. 8 mm/s.
Direktes Messprinzip
Die Lineartische sind mit berührungslos messendem optischen Linearencoder sowie Referenzschalter ausgestattet. Auflösung 1 nm.
Einsatzgebiete
Mikromontage. Photonik. Optische Justage. Mikroskopie. Beamline-Instrumentierung. Halbleitertechnik. Testanwendungen.
Spezifikationen
Spezifikationen
| Bewegen | Q-545.140 | Q-545.240 | Toleranz |
|---|---|---|---|
| Aktive Achsen | X | X | |
| Stellweg in X | 13 mm | 26 mm | |
| Maximale Geschwindigkeit in X, unbelastet | 8 mm/s | 8 mm/s | |
| Linearität in X | 2 µm | 2 µm | |
| Positionieren | Q-545.140 | Q-545.240 | Toleranz |
| Kleinste Schrittweite in X | 0,006 µm | 0,006 µm | typ. |
| Referenzschalter | Optisch | Optisch | |
| Integrierter Sensor | Inkrementeller Linearencoder | Inkrementeller Linearencoder | |
| Sensorsignal | Sin/Cos, 1 V Spitze-Spitze | Sin/Cos, 1 V Spitze-Spitze | |
| Sensorauflösung | 1 nm | 1 nm | |
| Antriebseigenschaften | Q-545.140 | Q-545.240 | Toleranz |
| Antriebstyp | Q-Motion® Piezomotor | Q-Motion® Piezomotor | |
| Antriebskraft in positiver Bewegungsrichtung in X | 7 N | 7 N | typ. |
| Antriebskraft in negativer Bewegungsrichtung in X | 7 N | 7 N | typ. |
| Mechanische Eigenschaften | Q-545.140 | Q-545.240 | Toleranz |
| Steifigkeit in X | 1,5 N/µm | 1,5 N/µm | ±10 % |
| Steifigkeit in Y | 9 N/µm | 10 N/µm | ±10 % |
| Haltekraft in X, passiv | 8 N | 8 N | min. |
| Maximale Nutzlast, beliebige Ausrichtung | 0,1 kg | 0,1 kg | |
| Maximale Nutzlast, horizontale Ausrichtung | 0,5 kg | 0,5 kg | |
| Führung | Kreuzrollenführung | Kreuzrollenführung | |
| Gesamtmasse | 216 g | 245 g | |
| Masse ohne Kabel | 105 g | 135 g | |
| Material | Aluminium | Aluminium | |
| Anschlüsse und Umgebung | Q-545.140 | Q-545.240 | Toleranz |
| Betriebstemperaturbereich | 0 bis 50 °C | 0 bis 50 °C | |
| Anschluss | D-Sub 15 (m) | D-Sub 15 (m) | |
| Kabellänge | 2 m | 2 m | |
| Empfohlene Controller / Treiber | E-873.1AT, E-873.10C885 | E-873.1AT, E-873.10C885 |
Spezifikationen getestet mit E-873.1AT
Technische Daten werden bei PI bei 22 ±3 °C spezifiziert. Die angegebenen Werte gelten im unbelasteten Zustand, wenn nicht anders angegeben. Teilweise sind Eigenschaften voneinander abhängig. Die Angabe "typ." kennzeichnet einen statistischen Mittelwert für eine Eigenschaft; sie gibt keinen garantierten Wert für jedes ausgelieferte Produkt an. Bei der Ausgangsprüfung eines Produkts werden nicht alle, sondern nur ausgewählte Eigenschaften geprüft. Beachten Sie, dass sich einige Produkteigenschaften mit zunehmender Betriebsdauer verschlechtern können.
Downloads
Produktmitteilung
Product Change Notification Q-xxx; N-765
Datenblatt
Dokumentation
Benutzerhandbuch MP135
Q-545 Linearversteller, piezoelektrischer Trägheitsantrieb
3-D-Modelle
Q-545 3D-Modell
Animierte 3-D-Modelle
Bewegliches 3D-Modell Q-545.240
Angebot / Bestellung
Fordern Sie ein unverbindliches Angebot über gewünschte Stückzahlen, Preise und Lieferzeiten an oder beschreiben Sie Ihre gewünschte Modifikation.
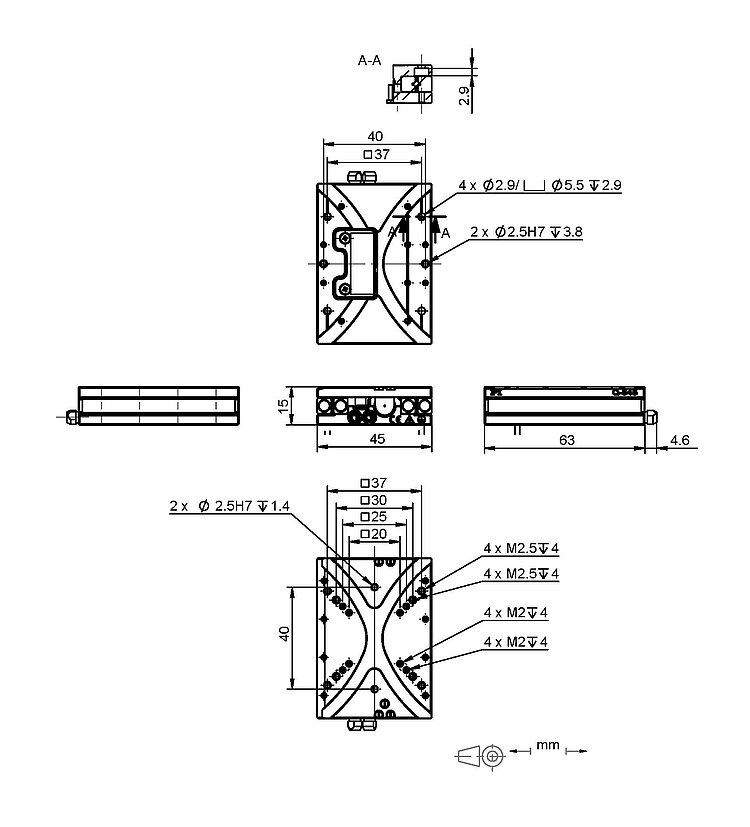
Q-Motion® Lineartisch, piezoelektrischer Trägheitsantrieb, 26 mm Stellweg, Linearencoder, 1 nm Auflösung, 7 N Antriebskraft, Abmessungen 45 × 63 × 15 mm (B × L × H)
Angebot anfordern
Fragen Sie den Fachmann!
Erhalten Sie innerhalb kürzester Zeit per E-Mail oder Telefon eine Rückmeldung zu Ihren Fragen von einem PI Vertriebsingenieur.














