Mikrostelltisch; DC-Motor; 25 mm Stellweg; 50 N Belastbarkeit; 20 mm/s maximale Geschwindigkeit; Kugelumlaufspindel; Inkrementeller Linearencoder, 100 nm Sensorauflösung, A/B-Quadratur, RS-422; 0,5 m Kabellänge
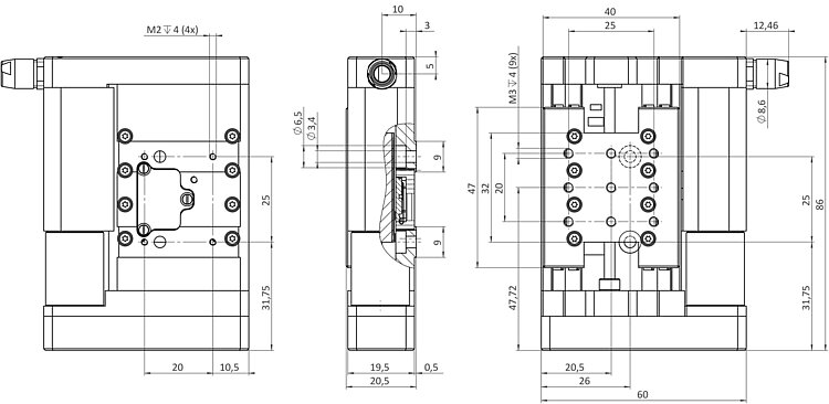
M-122.2DD1 Mikrostelltisch
Kompakter Lineartisch mit direkter Positionsmessung
- Stellweg 25 mm
- Integrierter Linearencoder für höchste Genauigkeit mit Auflösung 0,1 µm
- Kleinste Schrittweite 0,2 µm
- Höchstgeschwindigkeit 20 mm/s
- Kugelumlaufspindel für hohe Geschwindigkeiten und Zyklenzahlen
Hochgenaue Positionsmessung mit inkrementellem Linearencoder
Kontaktlose optische Linearencoder messen die Position mit höchster Genauigkeit direkt an der Plattform. Nichtlinearitäten, mechanisches Spiel oder elastische Deformation beeinflussen die Messung nicht.
Einsatzgebiete
Optische Justage. Präzisionsautomatisierung.
Spezifikationen
Spezifikationen
| Bewegen | M-122.2DD1 | Toleranz |
|---|---|---|
| Aktive Achsen | X | |
| Stellweg in X | 25 mm | |
| Maximale Geschwindigkeit in X, unbelastet | 20 mm/s | |
| Winkelabweichung um Y (Nicken) | ± 150 µrad | typ. |
| Winkelabweichung um Z (Gieren) | ± 150 µrad | typ. |
| Positionieren | M-122.2DD1 | Toleranz |
| Kleinste Schrittweite in X | 0,2 µm | typ. |
| Unidirektionale Wiederholgenauigkeit in X | ± 0,075 µm | typ. |
| Bidirektionale Wiederholgenauigkeit in X | 0,4 µm | max. |
| Umkehrspiel in X | 0,2 µm | typ. |
| Referenzschalter | Hall-Effekt | |
| Wiederholgenauigkeit des Referenzschalters | 1 µm | |
| Endschalter | Hall-Effekt | |
| Integrierter Sensor | Inkrementeller Linearencoder | |
| Sensorsignal | A/B-Quadratur, RS-422 | |
| Sensorauflösung | 100 nm | |
| Antriebseigenschaften | M-122.2DD1 | Toleranz |
| Antriebstyp | DC-Motor | |
| Nennspannung | 12 V | |
| Nennstrom, effektiv | 0,188 A | typ. |
| Spitzenstrom, effektiv | 0,45 A | typ. |
| Maximale Leistungsaufnahme | 2,25 W | |
| Antriebskraft in positiver Bewegungsrichtung in X | 20 N | typ. |
| Antriebskraft in negativer Bewegungsrichtung in X | 20 N | typ. |
| Drehmomentkonstante | 0,0136 N·m/A | typ. |
| Zeitkonstante | 9 ms | |
| Widerstand Phase-Phase | 13,8 Ω | typ. |
| Induktivität Phase-Phase | 0,32 mH | |
| Polpaarzahl | 1 | |
| Mechanische Eigenschaften | M-122.2DD1 | Toleranz |
| Steifigkeit in X | 0,25 N/µm | |
| Zulässige Druckkraft in Y | 25 N | max. |
| Zulässige Druckkraft in Z | 50 N | max. |
| Zulässiges Moment in θX | 0,15 N·m | max. |
| Zulässiges Moment in θY | 0,15 N·m | max. |
| Zulässiges Moment in θZ | 0,15 N·m | max. |
| Bewegte Masse in X, unbelastet | 50 g | |
| Spindeltyp | Kugelumlaufspindel | |
| Spindelsteigung | 0,5 mm | |
| Führung | Kugelführung | |
| Gesamtmasse | 220 g | |
| Material | Aluminium, Stahl | |
| Anschlüsse und Umgebung | M-122.2DD1 | Toleranz |
| Betriebstemperaturbereich | 10 bis 50 °C | |
| Anschluss | D-Sub 15 (m) | |
| Kabellänge | 0,5 m | |
| Minimaler Biegeradius Kabel, einmaliges Biegen | 13,80 mm | |
| Minimaler Biegeradius Kabel, mehrmaliges Biegen | 32,20 mm | |
| Empfohlene Controller/Treiber | C-863 C-884 |
Technische Daten werden bei PI bei 22 ±3 °C spezifiziert. Die angegebenen Werte gelten im unbelasteten Zustand, wenn nicht anders angegeben. Teilweise sind Eigenschaften voneinander abhängig. Die Angabe "typ." kennzeichnet einen statistischen Mittelwert für eine Eigenschaft; sie gibt keinen garantierten Wert für jedes ausgelieferte Produkt an. Bei der Ausgangsprüfung eines Produkts werden nicht alle, sondern nur ausgewählte Eigenschaften geprüft. Beachten Sie, dass sich einige Produkteigenschaften mit zunehmender Betriebsdauer verschlechtern können.
Downloads
Datenblatt
Dokumentation
Benutzerhandbuch MP61
M-122 Mikrostelltisch
3-D-Modelle
M-122.2DD1 3D-Modell
Animierte 3-D-Modelle
Bewegliches 3D-Modell M-122.2DD1
Angebot / Bestellung
Fordern Sie ein unverbindliches Angebot über gewünschte Stückzahlen, Preise und Lieferzeiten an oder beschreiben Sie Ihre gewünschte Modifikation.
Angebot anfordern
Fragen Sie den Fachmann!
Erhalten Sie innerhalb kürzester Zeit per E-Mail oder Telefon eine Rückmeldung zu Ihren Fragen von einem PI Vertriebsingenieur.




















