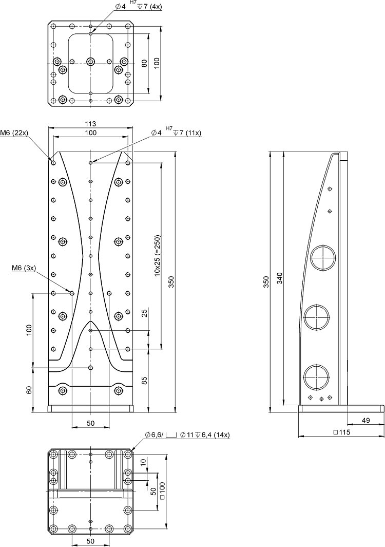
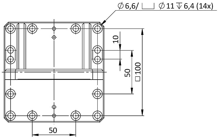
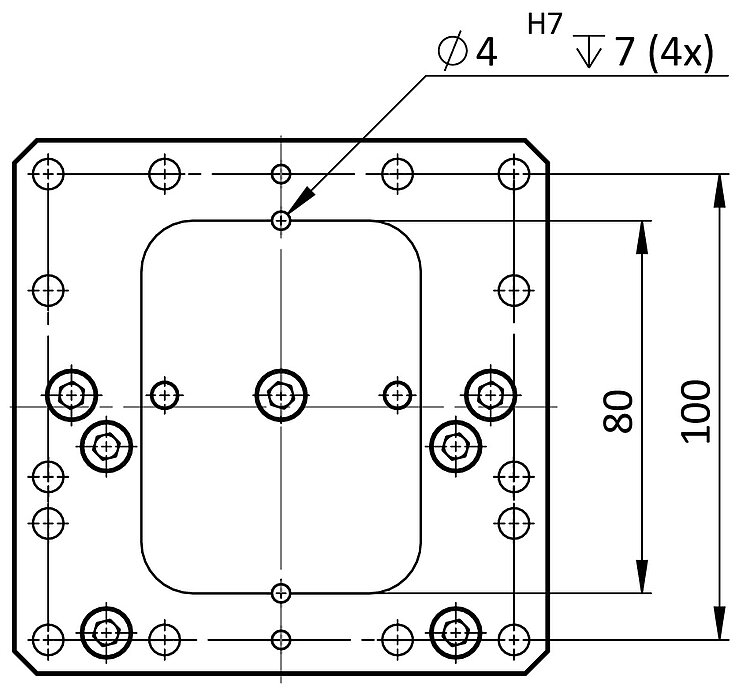
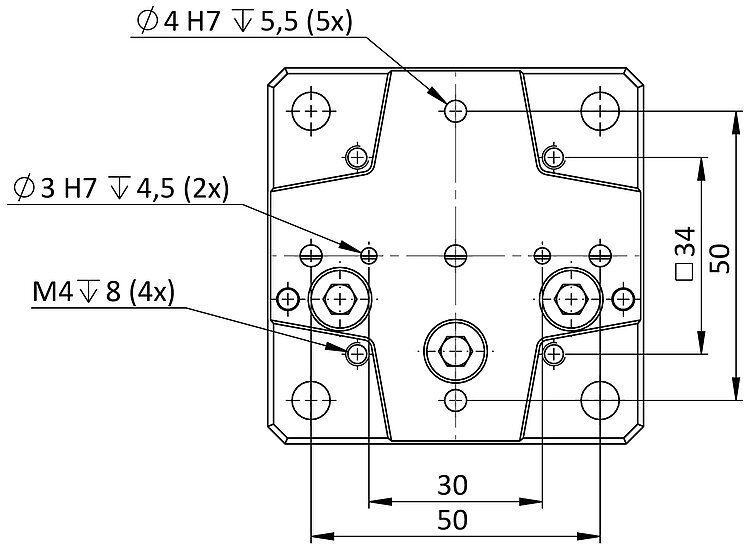
L-500 Adapterwinkel
Für die vertikale Montage von Linear- und Rotationstischen
- Vakuumkompatible Artikel bis 10-9 hPa verfügbar











Spezifikationen
Spezifikationen
Kompatibilität | L-500.AV1 | L-500.AV3(-Vx) | |||
|---|---|---|---|---|---|
Montageart | Adapter auf Positionierer | Positionierer auf Adapter* | Adapter auf Positionierer | Positionierer auf Adapter* | |
HPS-170 | x | x (155) | x | – | |
L-406 | – | – | x | x | |
L-408 | – | – | – | x | |
L-412 | x | x (52) | x | – | |
L-417 | x | – | – | – | |
L-509 | – | – | x | x | |
L-511 | x | x (155) | x | – | |
L-812 | x | x (102) | x** | – | |
LMS-180 | x | – | x | – | |
LMS-230 | x | – | – | – | |
LMS-270 | x | – | x | – | |
LS-65 | – | – | x | – | |
LS-110 | x | x (155) | x | – | |
LS-120 | – | x | – | – | |
LS-180 | – | – | x | – | |
LS-270 | x | – | x | – | |
PLS-85 | – | – | x | x (102) | |
UPL-120 | – | – | – | x | |
UPM-160 | x | – | x | – | |
UPS-150 | x | x (155) | x | – | |
V-412.xxxxxxE0 | x | x (102) | x | – | |
V-412.xxxxxxE1 | x | x (52) | x | – | |
V-417.xxxxxxE0x | x | – | – | – | |
V-417.xxxxxxE1 | x | – | – | – | |
V-817 | – | – | – | – | |
Kompatibilität | L-500.AV1 | L-500.AV3(-Vx) | |||
|---|---|---|---|---|---|
Montageart | Adapter auf Positionierer | Positionierer auf Adapter* | Adapter auf Positionierer | Positionierer auf Adapter* | |
DT-65 N | – | – | – | x | |
DT-80 | – | – | – | x | |
DT-80 R | – | – | – | x | |
L-611 | – | x | x | – | |
PRS-110 | – | x | x | – | |
UPR-100 | – | – | – | – | |
UPR-100 AIR | – | – | – | – | |
UPR-120 | – | x | x | – | |
UPR-120 AIR | – | x | x | – | |
UPR-160 | x | x | x | – | |
UPR-160 AIR | x | x | x | – | |
UPR-270 | x | – | x | – | |
UPR-270 AIR | x | – | x | – | |
Angebot / Bestellung
Fordern Sie ein unverbindliches Angebot über gewünschte Stückzahlen, Preise und Lieferzeiten an oder beschreiben Sie Ihre gewünschte Modifikation.
Angebot anfordern
Fragen Sie den Fachmann!
Erhalten Sie innerhalb kürzester Zeit per E-Mail oder Telefon eine Rückmeldung zu Ihren Fragen von einem PI Vertriebsingenieur.
























