M-110.C86311 Lineartischsystem
Kompakter Lineartisch, DC-Getriebemotor, 5 mm Stellweg, mit Controller
- Sehr kompakt durch gefalteten Antrieb
- Geregelter DC-Motor
- Kontaktlose Referenz- und Endschalter
- XY-Aufbauten direkt montierbar
- Schnell in großen Stückzahlen verfügbar
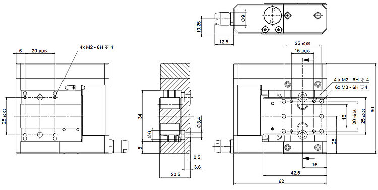
Kompakter Lineartisch
Lineartisch mit kompakter Baugröße durch gefalteten Antrieb mit Riemengetriebe. Freie Apertur mit 10 mm Ø. XY-Aufbauten sind ohne Adapterplatte direkt montierbar.
Antrieb
- Geregelter DC-Getriebemotor
- Spielfrei vorgespannte Gewindespindel
Positionsmessung
- Rotationsencoder auf der Motorwelle
- Kontaktlose Hall-Effekt-Referenz- und Endschalter
Einsatzgebiete
Präzisions-Mikromontage. Forschung. Laserbeschriftung. Automatisierung. Optische Justage.
Spezifikationen
Spezifikationen
C-863.11 | |
|---|---|
Funktion | DC-Motorsteuerung |
Antriebsarten | DC-Motor, servogeregelt Motoren mit PWM-Ansteuerung, z. B. ActiveDrive-Verstärker oder bürstenlose Motoren mit integrierter Blockkommutierung |
Achsen | 1 |
Unterstützte Funktionen | Punkt-zu-Punkt-Bewegung. Startup-Makro. Datenrekorder zur Aufnahme von Betriebsgrößen wie Motorspannung, Geschwindigkeit, Position oder Positionsfehler. Interne Sicherheitsschaltung: Watchdog Timer. |
Bewegung und Regler | C-863.11 |
|---|---|
Reglertyp | PID-Regler, Parameteränderung im Betrieb |
Servozykluszeit | 50 µs |
Profilgenerator | Trapezförmiges Geschwindigkeitsprofil |
Encodereingang | A/B-Quadratur TTL-Pegel, einseitig geerdet oder differenziell gem. RS-422; 60 MHz |
Blockiererkennung | Automatischer Motorstopp bei Überschreitung eines programmierbaren Positionsfehlers |
Endschalter | 2 × TTL (Polarität programmierbar) |
Referenzschalter | 1 × TTL |
Motorbremse | 1 × TTL, per Software schaltbar |
Schnittstellen und Bedienung | C-863.11 |
|---|---|
Kommunikations-Schnittstellen | USB; RS-232, D-Sub 9 (m) |
Motoranschluss | D-Sub 15 (f) |
Controllernetzwerk | Bis zu 16 Einheiten** an einer Schnittstelle |
I/O-Leitungen | 4 analoge / digitale Eingänge (0 bis 5 V / TTL), 4 digitale Ausgänge (TTL) |
Befehlssatz | PI General Command Set (GCS) |
Bedienersoftware | PIMikroMove® |
Schnittstellen zur Anwendungsprogrammierung | API für C / C++ / C# / VB.NET / MATLAB / Python, Treiber für NI LabVIEW |
Manuelle Bedienhilfe | Joystick, Y-Kabel für 2D-Bewegungen, Pushbutton-Box |
Umgebung | C-863.11 |
|---|---|
Betriebsspannung | 15 bis 30 V DC von externem Netzteil (Netzteil 15 V DC im Lieferumfang) |
Max. Stromaufnahme | 80 mA im Leerlauf (bei Versorgung mit 24 V) |
Betriebstemperaturbereich | 5 bis 50 °C (Temperaturschutz schaltet bei zu hohen Temperaturen ab) |
Masse | 0,3 kg |
Abmessungen | 130 mm × 76 mm × 40 mm (inkl. Montageschienen) |
Downloads
Datenblatt
Dokumentation
User Manual M110T0034
M-110.C86311 Compact precision linear stage system
Angebot / Bestellung
Fordern Sie ein unverbindliches Angebot über gewünschte Stückzahlen, Preise und Lieferzeiten an oder beschreiben Sie Ihre gewünschte Modifikation.
Angebot anfordern
Fragen Sie den Fachmann!
Erhalten Sie innerhalb kürzester Zeit per E-Mail oder Telefon eine Rückmeldung zu Ihren Fragen von einem PI Vertriebsingenieur.









