PIFOC® Fokus-Scanner für Mikroskop-Objektive, hochpräzise, schnelles Einschwingen, 100 µm, kapazitive Sensoren, D-Sub-Stecker
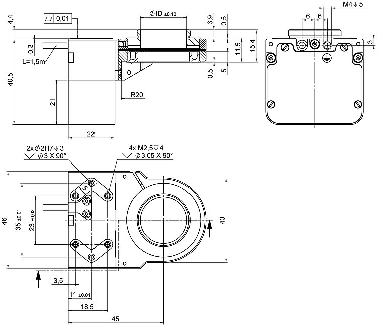
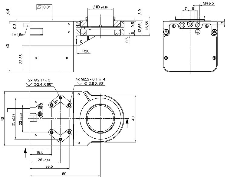
P-725.xCDE2 PIFOC® Fokus-Scanner für Mikroskop-Objektive
Dynamisches Scannen mit Stellwegen von 100 µm, 400 µm oder 800 µm
- Stellweg 100 µm, 400 µm oder 800 µm
- Wesentlich schnelleres Ansprechen und höhere Lebensdauer als motorische Antriebe
- Feinpositionierung von Objektiven mit Sub-nm-Auflösung
- Direkte Positionsmessung mit kapazitiven Sensoren: Höchste Linearität
- Große freie Apertur mit Ø 29 mm










Einsatzgebiete
- Superresolution-Mikroskopie
- Lichtscheibenmikroskopie
- Konfokale Mikroskopie
- 2-Photonenmikroskopie
- 3D-Imaging
- Screening
- Interferometrie
- Messtechnik
- Autofokus-Systeme
- Biotechnologie
- Halbleiterinspektion
Überragende Lebensdauer dank PICMA® Piezoaktoren
Die PICMA® Piezoaktoren sind vollkeramisch isoliert. Dies schützt sie vor Luftfeuchtigkeit und Ausfällen durch erhöhten Leckstrom. PICMA® Aktoren bieten eine bis zu zehnmal höhere Lebensdauer als konventionelle polymerisolierte Aktoren. 100 Milliarden Zyklen ohne einen einzigen Ausfall sind erwiesen.
Sub-Nanometer-Auflösung mit kapazitiven Sensoren
Kapazitive Sensoren messen kontaktfrei mit Sub-Nanometer-Auflösung. Sie garantieren eine herausragende Linearität der Bewegung, eine hohe Langzeitstabilität und eine Bandbreite im kHz-Bereich.
Hohe Führungsgenauigkeit durch spielfreie Festkörpergelenkführungen
Festkörpergelenkführungen sind wartungs-, reibungs- und verschleißfrei und benötigen keine Schmierstoffe. Ihre Steifigkeit macht sie hoch belastbar und unempfindlich gegen Schockbelastungen und Vibrationen. Sie arbeiten in einem weiten Temperaturbereich.
Spezifikationen
Spezifikationen
| Bewegen | P-725.1CDE2 | P-725.4CDE2 | P-725.8CDE2 | Toleranz |
|---|---|---|---|---|
| Aktive Achsen | Z | Z | Z | |
| Stellweg in Z | 100 µm | 400 µm | 800 µm | +20 / -0 % |
| Stellweg in Z, ungeregelt | 120 µm | 420 µm | 840 µm | ±20 % |
| Linearitätsabweichung in Z | < 0,03 % | < 0,03 % | < 0,03 % | |
| Winkelabweichung um X | ± 10 µrad | ± 10 µrad | ± 50 µrad | |
| Winkelabweichung um Y | ± 10 µrad | ± 45 µrad | ± 50 µrad | |
| Positionieren | P-725.1CDE2 | P-725.4CDE2 | P-725.8CDE2 | Toleranz |
| Kleinste Schrittweite in Z | 1 nm | 4 nm | 5 nm | |
| Punkt-Wiederholgenauigkeit, 10-%-Schritt, 1 Sigma | 10 nm | 10 nm | 50 nm | |
| Integrierter Sensor | Kapazitiv, direkte Positionsmessung | Kapazitiv, direkte Positionsmessung | Kapazitiv, direkte Positionsmessung | |
| Sensorrauschen, 1 Sigma | 0,2 nm | 0,2 nm | 0,8 nm | |
| Positionsrauschen in Z | 0,1 nm | 0,1 nm | 0,4 nm | max. |
| Einschwingzeit für 10-%-Schritt in Z | 14 ms | 22 ms | 39 ms | ±10 % |
| Antriebseigenschaften | P-725.1CDE2 | P-725.4CDE2 | P-725.8CDE2 | Toleranz |
| Antriebstyp | PICMA® | PICMA® | PICMA® | |
| Elektrische Kapazität in Z | 3,2 µF | 6,4 µF | 12,8 µF | ±20 % |
| Mechanische Eigenschaften | P-725.1CDE2 | P-725.4CDE2 | P-725.8CDE2 | Toleranz |
| Steifigkeit in Z | 0,5 N/µm | 0,25 N/µm | 0,07 N/µm | ±20 % |
| Resonanzfrequenz in Z, unbelastet | 680 Hz | 400 Hz | 230 Hz | ±20 % |
| Resonanzfrequenz in Z, belastet mit 150 g | 290 Hz | 175 Hz | 110 Hz | ±20 % |
| Zulässige Druckkraft in Z | 100 N | 100 N | 100 N | max. |
| Zulässige Zugkraft in Z | 20 N | 20 N | 20 N | max. |
| Führung | Festkörpergelenksführung mit Hebelübersetzung | Festkörpergelenksführung mit Hebelübersetzung | Festkörpergelenksführung mit Hebelübersetzung | |
| Gesamtmasse | 280 g | 280 g | 350 g | ±5 % |
| Material | Edelstahl, Aluminium | Edelstahl, Aluminium | Edelstahl, Aluminium | |
| Objektivdurchmesser | 39 mm | 39 mm | 39 mm | max. |
| Anschlüsse und Umgebung | P-725.1CDE2 | P-725.4CDE2 | P-725.8CDE2 | Toleranz |
| Betriebstemperaturbereich | 10 bis 70 °C | 10 bis 70 °C | 10 bis 70 °C | |
| Anschluss | D-Sub 7W2 (m) | D-Sub 7W2 (m) | D-Sub 7W2 (m) | |
| Kabellänge | 1,5 m | 1,5 m | 1,5 m | +50 / -0 mm |
| Empfohlene Controller / Treiber | E-709.1C1L - preiswert, für die meisten Anwendungen geeignet; E‑754.1CD - hohe Leistung für höchste Präzision | E-709.1C1L - preiswert, für die meisten Anwendungen geeignet; E‑754.1CD - hohe Leistung für höchste Präzision | E-709.1C1L - preiswert, für die meisten Anwendungen geeignet; E‑754.1CD - hohe Leistung für höchste Präzision |
Linearitätsabweichung in Z: Mit Digitalcontroller kann unter Laborbedingungen eine noch geringere Linearitätsabweichung erzielt werden.
Einschwingzeit: 1 % Fehlerband, 150 g Last
Positionsrauschen: 1 Sigma
Das Objektiv ist nicht im Lieferumfang enthalten.
Technische Daten werden bei PI bei 22 ±3 °C spezifiziert. Die angegebenen Werte gelten im unbelasteten Zustand, wenn nicht anders angegeben. Teilweise sind Eigenschaften voneinander abhängig. Die Angabe "typ." kennzeichnet einen statistischen Mittelwert für eine Eigenschaft; sie gibt keinen garantierten Wert für jedes ausgelieferte Produkt an. Bei der Ausgangsprüfung eines Produkts werden nicht alle, sondern nur ausgewählte Eigenschaften geprüft. Beachten Sie, dass sich einige Produkteigenschaften mit zunehmender Betriebsdauer verschlechtern können.
Downloads
Produktmitteilung
Product Change Notification P-725.xCDEx
Datenblatt
Dokumentation
Installationsanleitung P725UM0002
Gewindeadapter für P-725.xCDE2 PIFOC® Fokusscanner und P-725.xCDE1S PIFOC® Scannersysteme
3-D-Modelle
3D-Modell P-725.xCDE2
Broschüre
P-725 PIFOC® Portfolio
Piezobased Objective Focus Drive Series
Angebot / Bestellung
Fordern Sie ein unverbindliches Angebot über gewünschte Stückzahlen, Preise und Lieferzeiten an oder beschreiben Sie Ihre gewünschte Modifikation.
PIFOC® Fokus-Scanner für Mikroskop-Objektive, hochpräzise, schnelles Einschwingen, 400 µm, kapazitive Sensoren, D-Sub-Stecker
PIFOC® Fokus-Scanner für Mikroskop-Objektive, hochpräzise, schnelles Einschwingen, 800 µm, kapazitive Sensoren, D-Sub-Stecker
Angebot anfordern
Fragen Sie den Fachmann!
Erhalten Sie innerhalb kürzester Zeit per E-Mail oder Telefon eine Rückmeldung zu Ihren Fragen von einem PI Vertriebsingenieur.
Technologie

PICMA® Technologie
Hohe Zuverlässigkeit und überlegene Lebensdauer durch das patentierte Herstellungsverfahren für Multilayer-Aktoren.

Flexure Festkörpergelenke
Festkörpergelenksführungen von PI führen den Piezoaktor und dienen der geradlinigen Bewegung ohne Verkippung oder seitlichen Versatz.

Digitale Motion Controller
Digitale Controller haben gegenüber analogen Verstärkerelektroniken Vorteile, die vor allem bei hochpräzisen Positionieraufgaben zum Tragen kommen.

Kapazitive Sensoren
Präzision und Reproduzierbarkeit sind undenkbar ohne Einsätze höchstauflösender Messverfahren. Hier bieten kapazitive Sensoren die besten Ergebnisse.
Anwendungen

Genomsequenzierung
Ob Medizin, Forensik, Vererbung - für zahlreiche Fragen liefert das Genom den Schlüssel zu neuer Erkenntnis. Die als „sequencing-by-synthesis“ bekannte Methode zur Entschlüsselung des Genoms ist seit ihrer Entwicklung erheblich schneller und präziser geworden - entsprechend sind die Kosten gesunken. Dazu haben auch die Positioniertechniken in den eingesetzten Mikroskopsystemen beigetragen.

IsoView Lichtblatt-Mikroskop
Die Lichtblattmikroskopie bietet großes Anwendungspotential in den Biowissenschaften. IsoView ist eine brillante Interpretation dieser Technologie, die insbesondere für die Aufnahme dynamischer Vorgänge in Zellen über mehrere Stunden hinweg bei großen Proben entwickelt wurde. Probenpositionierung und Objektivbewegung spielen eine wichtige Rolle im Aufbau von IsoView.

GATTAscope (TIRFM)
Linearversteller justieren den Laserstrahl im TIRF Mikroskop. Die präzise Probenpositionierung gelingt durch die Kombination zweier Kreuztische.

Hochgeschwindigkeits-Mikroskopie
Wissenschaftlern vom Fraunhofer-Institut für Produktionstechnologie IPT in Aachen ist es gelungen, erstmals eine mikroskopische 100-Prozent-Prüfung im industriellen Umfeld zu realisieren. Entscheidend für den Erfolg des Projekts war das piezobasierte Antriebssystem PIFOC® von PI.

Konfokale Mikroskopie
Mit konfokaler Mikroskopie wird die Oberflächenbeschaffenheit der Probe z. B. in der Dermatologie durch die Verschiebung der Brennebene detektiert.

Optische Kohärenztomographie
Piezoaktoren und -antriebe garantieren die für die optische Kohärenztomographie notwendige hohe Präzision und Positionsstabilität.



















