Hochdynamischer Z-Nanopositioniertisch; 100 µm Stellweg; kapazitiv, direkte Positionsmessung; D-Sub 7W2 (m); 1,5 m Kabellänge
P-733.Z Hochdynamischer Z-Nanopositioniertisch
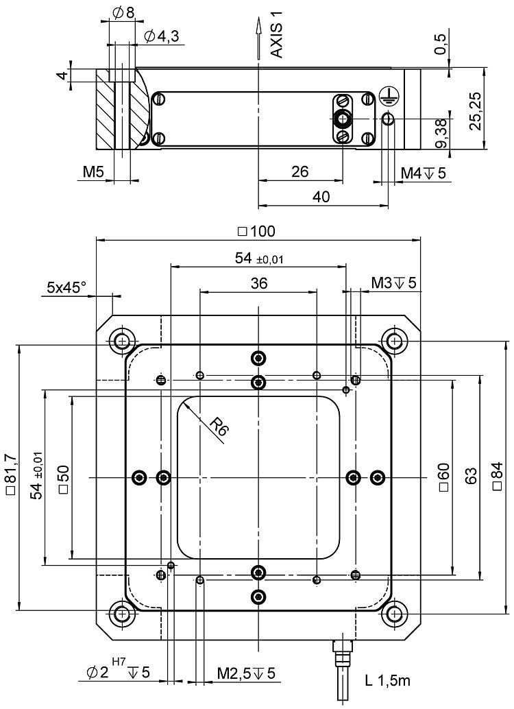
Direkte Positionsmessung und Apertur
- Stellweg 100 µm
- Direkte Positionsmessung mit kapazitiven Sensoren
- Auflösung bis 0,3 nm, geregelt
- Freie Apertur 50 mm × 50 mm
- Weitere Versionen mit zusätzlichen Freiheitsgraden erhältlich
- XY- und XYZ-Versionen verfügbar
- Vakuumkompatible Versionen auf Anfrage
Einsatzgebiete
- Scanning-Mikroskopie
- Konfokale Mikroskopie
- Masken- / Waferpositionierung
- Oberflächenmesstechnik
- Nanoimprint
- Mikromanipulation
- Bildverarbeitung / -stabilisierung
- Nanopositionierung mit hoher Ebenheit und Geradheit der Bewegung
Überragende Lebensdauer dank PICMA® Piezoaktoren
Die PICMA® Piezoaktoren sind vollkeramisch isoliert. Dies schützt sie vor Luftfeuchtigkeit und Ausfällen durch erhöhten Leckstrom. PICMA® Aktoren bieten eine bis zu zehnmal höhere Lebensdauer als konventionelle polymerisolierte Aktoren. 100 Milliarden Zyklen ohne einen einzigen Ausfall sind erwiesen.
Sub-Nanometer-Auflösung mit kapazitiven Sensoren
Kapazitive Sensoren messen kontaktfrei mit Sub-Nanometer-Auflösung. Sie garantieren eine herausragende Linearität der Bewegung, eine hohe Langzeitstabilität und eine Bandbreite im kHz-Bereich.
Hohe Führungsgenauigkeit durch spielfreie Festkörpergelenkführungen
Festkörpergelenkführungen sind wartungs-, reibungs- und verschleißfrei und benötigen keine Schmierstoffe. Ihre Steifigkeit macht sie hoch belastbar und unempfindlich gegen Schockbelastungen und Vibrationen. Sie arbeiten in einem weiten Temperaturbereich.
Automatische Konfiguration und schneller Komponentenaustausch
Mechanik und Controller können beliebig kombiniert und schnell ausgetauscht werden. Alle Servo- und Linearisierungsparameter sind im ID-Chip des D-Sub-Steckers der Mechanik gespeichert. Die Auto-Calibration-Funktion der Digitalcontroller verwendet diese Daten automatisch bei jedem Einschalten des Controllers.
Höchste Genauigkeit durch direkte Positionsmessung
Bewegungen werden direkt an der Bewegungsplattform ohne Beeinflussung durch Antriebs- oder Führungselemente gemessen. Dies ermöglicht eine optimale Wiederholgenauigkeit, eine hervorragende Stabilität und eine steife, schnell ansprechende Regelung.
Spezifikationen
Spezifikationen
| Bewegen | P-733.ZCD | P-733.ZCL | Toleranz |
|---|---|---|---|
| Aktive Achsen | Z | Z | |
| Stellweg in Z | 100 µm | 100 µm | |
| Stellweg in Z, ungeregelt, bei -20 bis 120 V | 115 µm | 115 µm | +20 / -0 % |
| Linearitätsabweichung | 0,03 % | 0,03 % | typ. |
| Gieren (Rotatorisches Übersprechen in θX bei Bewegung in Z) | < 5 µrad | < 5 µrad | typ. |
| Neigen (Rotatorisches Übersprechen in θY bei Bewegung in Z) | < 5 µrad | < 5 µrad | typ. |
| Rollen (Rotatorisches Übersprechen in θZ bei Bewegung in Z) | < 10 µrad | < 10 µrad | typ. |
| Positionieren | P-733.ZCD | P-733.ZCL | Toleranz |
| Unidirektionale Wiederholgenauigkeit in Z | ± 2 nm | ± 2 nm | typ. |
| Auflösung, ungeregelt | 0,2 nm | 0,2 nm | typ. |
| Integrierter Sensor | Kapazitiv, direkte Positionsmessung | Kapazitiv, direkte Positionsmessung | |
| Systemauflösung | 0,3 nm | 0,3 nm | typ. |
| Antriebseigenschaften | P-733.ZCD | P-733.ZCL | Toleranz |
| Antriebstyp | PICMA® | PICMA® | |
| Elektrische Kapazität | 6 µF | 6 µF | ±20 % |
| Mechanische Eigenschaften | P-733.ZCD | P-733.ZCL | Toleranz |
| Steifigkeit | 2,5 N/µm | 2,5 N/µm | ±20 % |
| Resonanzfrequenz in Z, unbelastet | 700 Hz | 700 Hz | ±20 % |
| Resonanzfrequenz in Z, belastet mit 120 g | 530 Hz | 530 Hz | ±20 % |
| Resonanzfrequenz in Z, belastet mit 200 g | 415 Hz | 415 Hz | ±20 % |
| Zulässige Druckkraft in Z | 50 N | 50 N | max. |
| Zulässige Zugkraft in Z | 20 N | 20 N | max. |
| Führung | Festkörpergelenksführung mit Hebelübersetzung | Festkörpergelenksführung mit Hebelübersetzung | |
| Gesamtmasse | 580 g | 580 g | ±5 % |
| Material | Aluminium | Aluminium | |
| Anschlüsse und Umgebung | P-733.ZCD | P-733.ZCL | Toleranz |
| Betriebstemperaturbereich | -20 bis 80 °C | -20 bis 80 °C | |
| Anschluss | D-Sub 7W2 (m) | LEMO FFS.00.250.CTCE24 | |
| Kabellänge | 1,5 m | 1,5 m | ±10 mm |
| Empfohlene Controller / Treiber | E-503, E-505, E-610, E-621, E-625, E-754 | E-503, E-505, E-610, E-621, E-625, E-754 | |
| Sensoranschluss | LEMO FFA.00.250.CTLC 17 |
Die Auflösung des Systems wird nur vom Rauschen des Verstärkers und der Messtechnik begrenzt, da PI-Piezo-Nanopositioniersysteme reibungsfrei arbeiten.
Downloads
Datenblatt
Dokumentation
Benutzerhandbuch PZ103
P-733, P-734 Piezo-Nanopositioniersysteme mit kapazitiven Sensoren
3-D-Modelle
P-733.Z 3D Modell
Angebot / Bestellung
Fordern Sie ein unverbindliches Angebot über gewünschte Stückzahlen, Preise und Lieferzeiten an oder beschreiben Sie Ihre gewünschte Modifikation.
Hochdynamischer Z-Nanopositioniertisch; 100 µm Stellweg; kapazitiv, direkte Positionsmessung; LEMO-Stecker; 1,5 m Kabellänge
Angebot anfordern
Fragen Sie den Fachmann!
Erhalten Sie innerhalb kürzester Zeit per E-Mail oder Telefon eine Rückmeldung zu Ihren Fragen von einem PI Vertriebsingenieur.
Technologie

PICMA® Technologie
Hohe Zuverlässigkeit und überlegene Lebensdauer durch das patentierte Herstellungsverfahren für Multilayer-Aktoren.

Vakuum
Sorgfältige Handhabung und adäquate Räumlichkeiten: PI verfügt nicht nur über die Ausstattung zur Qualifizierung von Materialien, Komponenten und Endprodukten, sondern auch über langjährige Erfahrung im Bereich der HV- und UHV-Positioniersysteme.

Flexure Festkörpergelenke
Festkörpergelenksführungen von PI führen den Piezoaktor und dienen der geradlinigen Bewegung ohne Verkippung oder seitlichen Versatz.

Digitale Motion Controller
Digitale Controller haben gegenüber analogen Verstärkerelektroniken Vorteile, die vor allem bei hochpräzisen Positionieraufgaben zum Tragen kommen.

Kapazitive Sensoren
Präzision und Reproduzierbarkeit sind undenkbar ohne Einsätze höchstauflösender Messverfahren. Hier bieten kapazitive Sensoren die besten Ergebnisse.


















