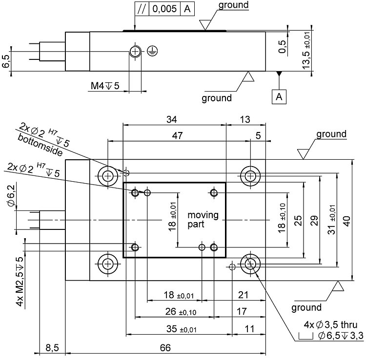
Hochpräziser Nanopositioniertisch; 15 µm Stellweg; kapazitiv, direkte Positionsmessung; LEMO-Stecker; 1,5 m Kabellänge
P-752 Hochpräziser Nanopositioniertisch
Hochdynamischer und stabiler Piezoscanner mit extremer Führungsgenauigkeit
- Auflösung 0,1 nm
- Schnelles Ansprechverhalten
- Stellweg bis 35 µm
- Höchste Linearität durch integrierte kapazitive Sensoren
- Reibungsfreie Festkörperführungen für sehr hohe Ablaufgenauigkeit
- Überlegene Lebensdauer dank PICMA® Piezoaktoren




Einsatzgebiete
- Scanning-Mikroskopie
- Messtechnik
- Prüfverfahren und Qualitätssicherung
- Photonik
- Faserpositionierung
Überragende Lebensdauer dank PICMA® Piezoaktoren
Die PICMA® Piezoaktoren sind vollkeramisch isoliert. Dies schützt sie vor Luftfeuchtigkeit und Ausfällen durch erhöhten Leckstrom. PICMA® Aktoren bieten eine bis zu zehnmal höhere Lebensdauer als konventionelle polymerisolierte Aktoren. 100 Milliarden Zyklen ohne einen einzigen Ausfall sind erwiesen.
Sub-Nanometer-Auflösung mit kapazitiven Sensoren
Kapazitive Sensoren messen kontaktfrei mit Sub-Nanometer-Auflösung. Sie garantieren eine herausragende Linearität der Bewegung, eine hohe Langzeitstabilität und eine Bandbreite im kHz-Bereich.
Hohe Führungsgenauigkeit durch spielfreie Festkörpergelenkführungen
Festkörpergelenkführungen sind wartungs-, reibungs- und verschleißfrei und benötigen keine Schmierstoffe. Ihre Steifigkeit macht sie hoch belastbar und unempfindlich gegen Schockbelastungen und Vibrationen. Sie arbeiten in einem weiten Temperaturbereich.
Automatische Konfiguration und schneller Komponentenaustausch
Mechanik und Controller können beliebig kombiniert und schnell ausgetauscht werden. Alle Servo- und Linearisierungsparameter sind im ID-Chip des D-Sub-Steckers der Mechanik gespeichert. Die Auto-Calibration-Funktion der Digitalcontroller verwendet diese Daten automatisch bei jedem Einschalten des Controllers.
Höchste Genauigkeit durch direkte Positionsmessung
Bewegungen werden direkt an der Bewegungsplattform ohne Beeinflussung durch Antriebs- oder Führungselemente gemessen. Dies ermöglicht eine optimale Wiederholgenauigkeit, eine hervorragende Stabilität und eine steife, schnell ansprechende Regelung.
Spezifikationen
Spezifikationen
| Bewegen | P-752.11C | P-752.1CD | P-752.21C | P-752.2CD | Toleranz |
|---|---|---|---|---|---|
| Aktive Achsen | X | X | X | X | |
| Stellweg in X | 15 µm | 15 µm | 30 µm | 30 µm | |
| Stellweg in X, ungeregelt, bei -20 bis 120 V | 20 µm | 20 µm | 35 µm | 35 µm | +20 / -0 % |
| Linearitätsabweichung in X | 0,03 % | 0,03 % | 0,03 % | 0,03 % | typ. |
| Neigen (Rotatorisches Übersprechen in θY bei Bewegung in X) | ± 1 µrad | ± 1 µrad | ± 1 µrad | ± 1 µrad | typ. |
| Gieren (Rotatorisches Übersprechen in θZ bei Bewegung in X) | ± 1 µrad | ± 1 µrad | ± 1 µrad | ± 1 µrad | typ. |
| Positionieren | P-752.11C | P-752.1CD | P-752.21C | P-752.2CD | Toleranz |
| Unidirektionale Wiederholgenauigkeit in X | ± 1 nm | ± 1 nm | ± 2 nm | ± 2 nm | typ. |
| Auflösung in X, ungeregelt | 0,1 nm | 0,1 nm | 0,2 nm | 0,2 nm | typ. |
| Integrierter Sensor | Kapazitiv, direkte Positionsmessung | Kapazitiv, direkte Positionsmessung | Kapazitiv, direkte Positionsmessung | Kapazitiv, direkte Positionsmessung | |
| Systemauflösung in X | 0,1 nm | 0,1 nm | 0,2 nm | 0,2 nm | |
| Antriebseigenschaften | P-752.11C | P-752.1CD | P-752.21C | P-752.2CD | Toleranz |
| Antriebstyp | PICMA® | PICMA® | PICMA® | PICMA® | |
| Elektrische Kapazität in X | 2,1 µF | 2,1 µF | 3,7 µF | 3,7 µF | ±20 % |
| Mechanische Eigenschaften | P-752.11C | P-752.1CD | P-752.21C | P-752.2CD | Toleranz |
| Steifigkeit in X | 30 N/µm | 30 N/µm | 20 N/µm | 20 N/µm | ±20 % |
| Resonanzfrequenz in X, unbelastet | 3200 Hz | 3200 Hz | 2100 Hz | 2100 Hz | ±20 % |
| Resonanzfrequenz in X, belastet mit 300 g | 980 Hz | 980 Hz | 600 Hz | 600 Hz | ±20 % |
| Zulässige Druckkraft in X | 100 N | 100 N | 100 N | 100 N | max. |
| Zulässige Druckkraft in Z | 30 N | 30 N | 30 N | 30 N | max. |
| Zulässige Zugkraft in X | 10 N | 10 N | 10 N | 10 N | max. |
| Führung | Festkörpergelenksführung mit Hebelübersetzung | Festkörpergelenksführung mit Hebelübersetzung | Festkörpergelenksführung mit Hebelübersetzung | Festkörpergelenksführung mit Hebelübersetzung | |
| Gesamtmasse | 250 g | 250 g | 350 g | 350 g | ±5 % |
| Material | Stahl | Stahl | Stahl | Stahl | |
| Anschlüsse und Umgebung | P-752.11C | P-752.1CD | P-752.21C | P-752.2CD | Toleranz |
| Betriebstemperaturbereich | -20 bis 80 °C | -20 bis 80 °C | -20 bis 80 °C | -20 bis 80 °C | |
| Anschluss | LEMO FFS.00.250.CTCE24 | D-Sub 7W2 (m) | LEMO FFS.00.250.CTCE24 | D-Sub 7W2 (m) | |
| Sensoranschluss | LEMO FFA.00.250.CTLC31 | LEMO FFA.00.250.CTLC31 | |||
| Kabellänge | 1,5 m | 1,5 m | 1,5 m | 1,5 m | +50 / -0 mm |
| Empfohlene Controller / Treiber | E-505, E-610, E-625, E-754 | E-505, E-610, E-625, E-754 | E-505, E-610, E-625, E-754 | E-505, E-610, E-625, E-754 |
Wiederholgenauigkeit: Typisch, voller Stellweg.
Die Auflösung des Systems wird nur vom Rauschen des Verstärkers und der Messtechnik begrenzt, da PI-Piezo-Nanopositioniersysteme reibungsfrei arbeiten.
Downloads
Produktmitteilung
Product Change Notification Piezo Actuator Driven Products
Datenblatt
Dokumentation
User Manual P752T0002
P-752 High Precision Nanopositioning Stage
3-D-Modelle
P-752 3D-Modell
Angebot / Bestellung
Fordern Sie ein unverbindliches Angebot über gewünschte Stückzahlen, Preise und Lieferzeiten an oder beschreiben Sie Ihre gewünschte Modifikation.
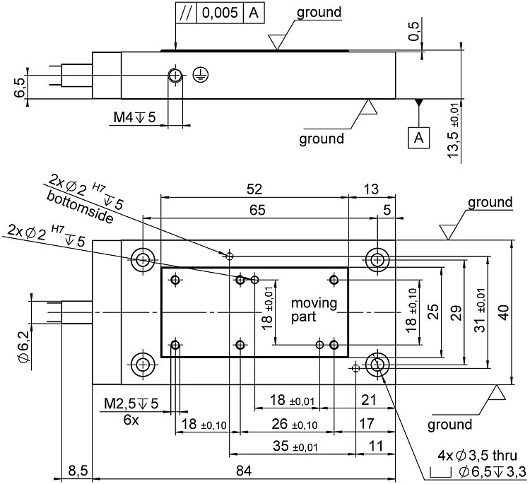
Hochpräziser Nanopositioniertisch; 15 µm Stellweg; kapazitiv, direkte Positionsmessung; D-Sub 7W2 (m); 1,5 m Kabellänge
Hochpräziser Nanopositioniertisch; 30 µm Stellweg; kapazitiv, direkte Positionsmessung; LEMO-Stecker; 1,5 m Kabellänge
Hochpräziser Nanopositioniertisch; 30 µm Stellweg; kapazitiv, direkte Positionsmessung; D-Sub 7W2 (m); 1,5 m Kabellänge
Angebot anfordern
Fragen Sie den Fachmann!
Erhalten Sie innerhalb kürzester Zeit per E-Mail oder Telefon eine Rückmeldung zu Ihren Fragen von einem PI Vertriebsingenieur.
Technologie

PICMA® Technologie
Hohe Zuverlässigkeit und überlegene Lebensdauer durch das patentierte Herstellungsverfahren für Multilayer-Aktoren.

Flexure Festkörpergelenke
Festkörpergelenksführungen von PI führen den Piezoaktor und dienen der geradlinigen Bewegung ohne Verkippung oder seitlichen Versatz.

Digitale Motion Controller
Digitale Controller haben gegenüber analogen Verstärkerelektroniken Vorteile, die vor allem bei hochpräzisen Positionieraufgaben zum Tragen kommen.

Kapazitive Sensoren
Präzision und Reproduzierbarkeit sind undenkbar ohne Einsätze höchstauflösender Messverfahren. Hier bieten kapazitive Sensoren die besten Ergebnisse.













