PILine® Rotationstisch; PILine® Piezomotor, Leistungsklasse 1; >360 ° Rotationswinkel; 1 N Belastbarkeit; 720 °/s maximale Winkelgeschwindigkeit; inkrementelles Winkelmesssystem, 35 µrad Sensorauflösung; 1,5 m Kabellänge
U-624 PILine® Rotationstisch
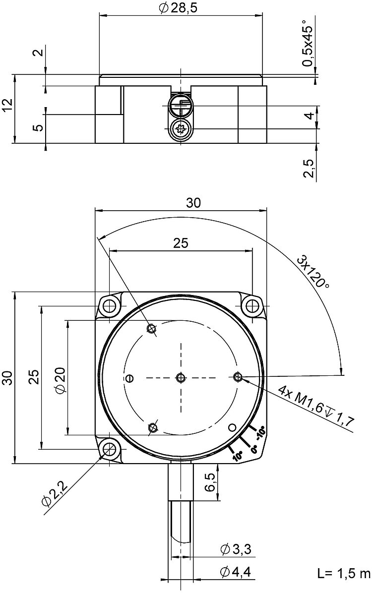
Miniaturtisch mit Ultraschall-Piezomotor
- Äußerst platzsparend: Kantenlänge nur 30 mm, Höhe 12 mm
- Positioniert kleine Lasten schnell und präzise: Geschwindigkeit bis 720 °/s, kleinste Schrittweite bis 105 µrad
- Unbegrenzter Rotationsbereich >360°
- Antriebsmoment 10 mNm
- Selbsthemmend im ausgeschalteten Zustand: Spart Energie und verringert die Wärmeentwicklung
- Leicht und geräuscharm
Rotationstisch der Präzisionsklasse
PILine® Positionierer sind besonders für Anwendungen geeignet, die eine schnelle und präzise Positionierung erfordern. Der selbsthemmende Antrieb hält die Position im ausgeschalteten Zustand mechanisch stabil. Energieverbrauch und Wärmeentwicklung können somit erheblich verringert werden. Anwendungen mit geringer Einschaltdauer, die batteriebetrieben oder wärmeempfindlich sind, profitieren von diesen Eigenschaften. Die Achsenposition wird mit einem Encoder gemessen, und ein optischer Referenzschalter ermöglicht zuverlässig wiederholbare Bewegungen. Das piezomotorische Antriebsprinzip und dessen elektrische Ansteuerung sind preisgünstig und können kundenspezifisch ausgelegt werden.
PILine® Ultraschall-Piezomotor
Wesentlicher Bestandteil eines PILine® Ultraschall-Piezomotors ist ein Piezoaktor, der über ein Kopplungselement gegen einen beweglich geführten Läufer vorgespannt ist. Der piezokeramische Aktor wird mit einer hochfrequenten Wechselspannung zu Ultraschallschwingungen zwischen 100 und 200 kHz angeregt. Die Deformation des Aktors führt zu einer periodischen, diagonalen Bewegung des Kopplungselements zum Läufer. Je Zyklus beträgt der erzeugte Vorschub wenige Nanometer, die hohen Frequenzen führen zu den hohen Geschwindigkeiten. Die Vorspannung des piezokeramischen Aktors gegen den Läufer sorgt für die Selbsthemmung des Antriebs im Stillstand und im ausgeschalteten Zustand.
Hochgenaue Positionsmessung mit inkrementellem Encoder
Kontaktlose optische Encoder messen die Position mit höchster Genauigkeit direkt an der Plattform. Nichtlinearitäten, mechanisches Spiel oder elastische Deformation beeinflussen die Messung nicht.
Einsatzgebiete
Mikromanipulation, Automatisierung, Biotechnologie, Probenmanipulation, Probenpositionierung, optische Messtechnik
Spezifikationen
Spezifikationen
| Bewegen | U-624.03 | Toleranz |
|---|---|---|
| Aktive Achsen | θZ | |
| Rotationsbereich in θZ | > 360 ° | |
| Maximale Winkelgeschwindigkeit in θZ | 720 °/s | |
| Positionieren | U-624.03 | Toleranz |
| Integrierter Sensor | Inkrementelles Winkelmesssystem | |
| Bidirektionale Wiederholgenauigkeit in θZ | ± 210 µrad | typ. |
| Kleinste Schrittweite in θZ | 105 µrad | typ. |
| Sensorauflösung, rotatorisch | 35 µrad | |
| Referenzschalter | Optisch | |
| Antriebseigenschaften | U-624.03 | Toleranz |
| Antriebstyp | PILine® Piezomotor, Leistungsklasse 1 | |
| Antriebsmoment in Uhrzeigerrichtung in θZ | 0,01 N·m | max. |
| Antriebsmoment gegen die Uhrzeigerrichtung in θZ | 0,01 N·m | max. |
| Mechanische Eigenschaften | U-624.03 | Toleranz |
| Lagertyp | Kugellager | |
| Haltemoment in θZ, passiv | 0,01 N·m | min. |
| Zulässige Druckkraft in Z | 1 N | max. |
| Gesamtmasse | 130 g | ±5 % |
| Material | Aluminium eloxiert | |
| Anschlüsse und Umgebung | U-624.03 | Toleranz |
| Betriebstemperaturbereich | 0 bis 40 °C | |
| Anschluss | D-Sub 15-polig (m) | |
| Kabellänge | 1,5 m | +200/ -0 mm |
| Empfohlene Controller / Treiber | C-867.1U, C-867.10C885, C-867.2U2 |
Downloads
Datenblatt
Dokumentation
Benutzerhandbuch MP114
U-624 PILine® Rotationsversteller
3-D-Modelle
U-624 3D-Modell
Angebot / Bestellung
Fordern Sie ein unverbindliches Angebot über gewünschte Stückzahlen, Preise und Lieferzeiten an oder beschreiben Sie Ihre gewünschte Modifikation.
Angebot anfordern
Fragen Sie den Fachmann!
Erhalten Sie innerhalb kürzester Zeit per E-Mail oder Telefon eine Rückmeldung zu Ihren Fragen von einem PI Vertriebsingenieur.






















