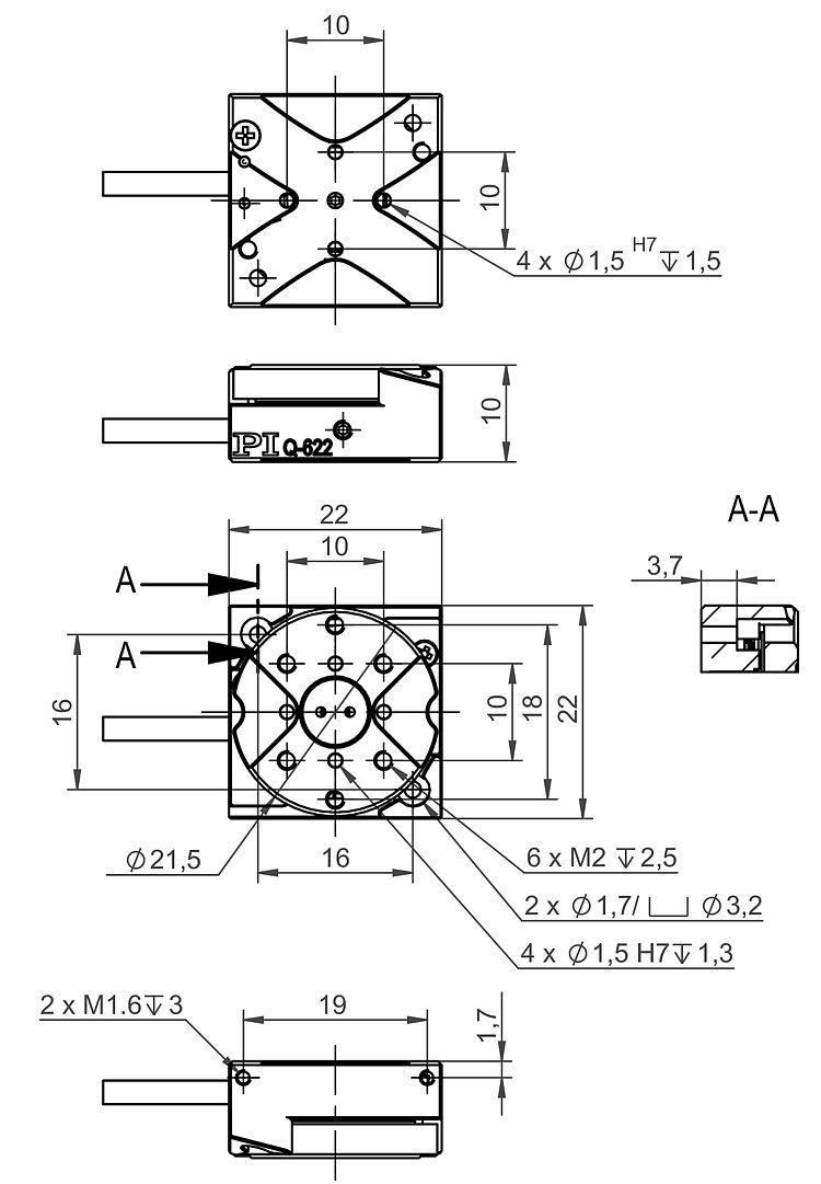
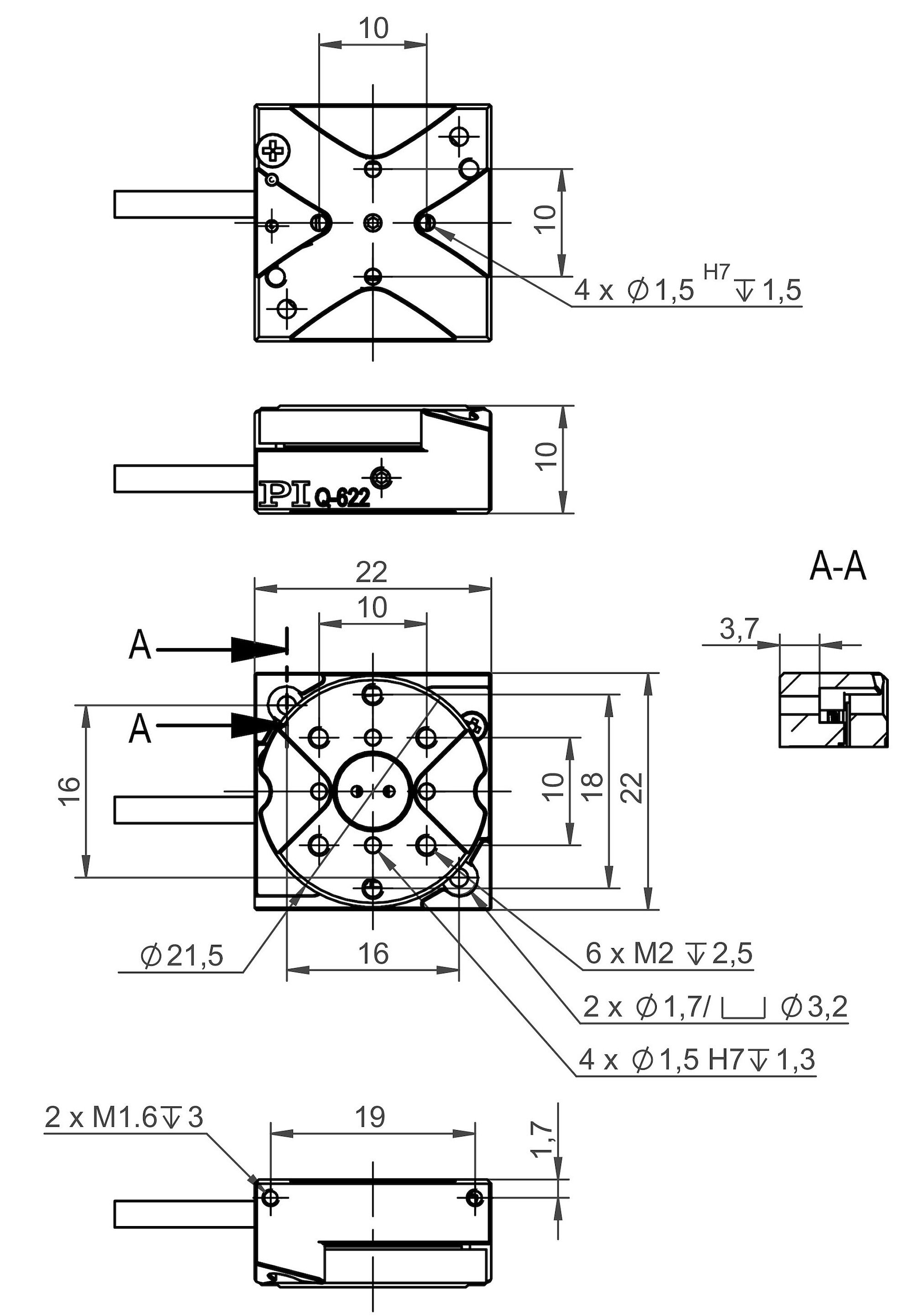
Q-622 Q-Motion® Miniatur-Rotationstisch
Minimale Abmessungen: 22 mm Durchmesser des Drehtellers
- Nur 22 mm breit und 10 mm hoch
- Direkte Positionsmessung mit inkrementellem Encoder mit 0,55 µrad Auflösung
- Bis zu 2,2 µrad kleinste Schrittweite
- Geschwindigkeit 70 °/s
- Ohne Adapter auf den Lineartisch Q-522 montierbar
- Geeignet für Vakuum bis 10-6 hPa, Versionen bis 10-9 hPa verfügbar
Piezoelektrischer Trägheitsantrieb
Piezoträgheitsantriebe sind platzsparende und preiswerte piezobasierte Antriebe mit relativ hohen Haltekräften und prinzipiell unbegrenztem Stellweg. Das Trägheitsantriebsprinzip basiert auf einem einzelnen piezoelektrischen Aktor, der über die Treiberelektronik mit einer modifizierten Sägezahnspannung angesteuert wird. Der Aktor dehnt sich langsam aus und nimmt einen Läufer mit. Die darauf folgende schnelle Kontraktion des Aktors kann der Läufer aufgrund seiner Trägheit nicht nachvollziehen und verharrt auf seiner Position. Mit einer Betriebsfrequenz von bis zu 20 kHz erreichen direkt auf den Läufer wirkende Antriebe Geschwindigkeiten bis max. 70 °/s.
Einsatzgebiete
Mikromontage, Photonik, Optische Justage, Mikroskopie, Beamline-Instrumentierung, Halbleitertechnik, Testanwendungen
Spezifikationen
Dieser Inhalt ist nur auf Tablets oder Desktop Geräten verfügbar.Spezifikationen
Bewegen und Positionieren | Q-622.930 | Q-622.900 | Q-622.90U | Einheit | Toleranz |
|---|---|---|---|---|---|
Miniatur-Rotationstisch mit Positionssensor für den geregelten Betrieb | Miniatur-Rotationstisch ohne Positionssensor | Miniatur-Rotationstisch, ohne Positionssensor, für Ultrahochvakuum bis 10-9 hPa | |||
Aktive Achse | θZ | θZ | θZ | ||
Rotationsbereich | >360 | >360 | >360 | ° | |
Integrierter Sensor | Inkrementeller Encoder | – | – | ||
Sensorauflösung | 0,55 | – | – | µrad | |
Kleinste Schrittweite | 2,2 | 100 (1) | 100 (1) | µrad | typ. |
Unidirektionale Wiederholgenauigkeit | 3 | – | – | µrad | |
Maximale ungeregelte Geschwindigkeit | 70 | 70 | 70 | °/s |
Anschlüsse und Umgebung | Q-622.930 | Q-622.900 | Q-622.90U | Einheit | Toleranz |
|---|---|---|---|---|---|
Betriebstemperaturbereich | 0 bis 40 | 0 bis 40 | 0 bis 40 | °C | |
Material | Aluminium, Stahl | Aluminium, Stahl | Aluminium, Stahl | ||
Masse zuzüglich Kabel | 15 | 12 | 12 | g | |
Kabellänge | 1 | 1 | 1 | m | |
Stecker | D-Sub 15 (m) | D-Sub 15 (m) | D-Sub 15 (f) | ||
Empfohlene Elektroniken | E-873.1AT, E-873.3QTU, E-873.10C885 | E-872.401 | E-872.401 |
Downloads
Produktmitteilung
Product Change Notification Q-xxx; N-765
Dokumentation
Benutzerhandbuch MP128
Q-622 Q-Motion Miniatur-Drehtisch mit 22 mm Durchmesser, piezoelektrischer Trägheitsantrieb
3-D-Modelle
Q-622 3D-Modell
Angebot / Bestellung
Fordern Sie ein unverbindliches Angebot über gewünschte Stückzahlen, Preise und Lieferzeiten an oder beschreiben Sie Ihre gewünschte Modifikation.
Q-Motion® Rotationstisch, piezoelektrischer Trägheitsantrieb, >360° Drehbereich, ohne Positionssensor für ungeregelten Betrieb, 5 mNm Drehmoment, 22 mm Durchmesser, vakuumkompatibel bis 10-6 hPa
Q-Motion® Rotationstisch, piezoelektrischer Trägheitsantrieb, >360° Drehbereich, ohne Positionssensor für ungeregelten Betrieb, 5 mNm Drehmoment, 22 mm Durchmesser, vakuumkompatibel bis 10-9 hPa
Angebot anfordern
Fragen Sie den Fachmann!
Erhalten Sie innerhalb kürzester Zeit per E-Mail oder Telefon eine Rückmeldung zu Ihren Fragen von einem PI Vertriebsingenieur.














