Einseitiges Photonik-Alignmentsystem aus H-811 Hexapod und NanoCube® Nanopositionierer; E-713 Digitalcontroller mit 4 Analogeingängen; C-887 Hexapod-Controller mit 2 Analogeingängen; Firmwareroutinen für extrem schnelle Alignmentaufgaben; Softwarepaket
F-713.HAx • F-713.HUx Kompakte, schnelle 6-DoF-Photonik-Alignmentsysteme
Einseitig und doppelseitig, aufrechte und flache Bauformen, Routinen zur vollautomatisierten Arrayausrichtung
- Integrierte Scan-/Ausrichtungsroutinen für SiPh-Wafer, photonische Komponenten, PICs und Faseroptiken
- Leistungsfähige Algorithmen zur Arrayausrichtung
- Schnelle, gleichzeitig ablaufende Optimierung über mehrere Komponenten, I/Os und Freiheitsgrade (DOF) hinweg
- Umfassende Softwareunterstützung für die schnelle Prozessentwicklung, einschließlich Unterstützung für gängige Sprachen wie C#, Python, LabVIEW und MATLAB unter Windows und Linux
- Automatische Ausrichtung, in typischerweise < 0,5 s
- Schneller Anwendungs- und Produktsupport durch PI weltweit






Problemlösung
Die FMPA-Lösungen (Fast Multi-Channel Photonics Alignment) von PI kombinieren anwendungsoptimierte und sofort einsatzbereite, hochdynamische Ausrichtungsmechaniken mit ausgefeilten Controllern, auf denen die weltweit fortschrittlichsten und effektivsten Ausrichtungsalgorithmen zur First-Light-Suche sowie Profilierung und Leistungsoptimierung laufen.
Verringerung der Ausrichtungszeit um 99 %
Diese preisgekrönte Technologie zielt auf den größten Kostentreiber beim Testen und Verbinden in der Photonik ab: das für jedes Element und jeden Kanal erforderliche präzise Ausrichten. Ältere Ausrichtungsverfahren stammen aus den 1980er Jahren und können mehrere Minuten in Anspruch nehmen. Die schnellen optischen Ausrichtungslösungen von PI reduzieren den Zeitaufwand um 99 % und erledigen die Aufgabe in der Regel in weniger als einer Sekunde. Studien zeigen, dass bis zu 80 % der Kosten einer photonischen Komponente durch das Ausrichten verursacht werden – ohne FMPA. Daraus lässt sich leicht ableiten, wie sehr die Produktionswirtschaft von einer Reduzierung dieses 80-prozentigen Kostenanteils um 99 % profitiert. Angesichts der Prognosen, dass die Nachfrage nach photonischen Komponenten in naher Zukunft um drei Größenordnungen steigen wird, da neue Anwendungen und Komponenten entstehen, ist FMPA ein echter Wegbereiter.
Vielseitige, kompakte und bewährte Lösungen für die Herausforderungen der Ausrichtung in sechs Freiheitsgraden
Für diese integrierten Lösungen werden kompakte Hexapoden von PI mit einem hochdynamischen, hochauflösenden NanoCube® Piezoscantisch kombiniert, um das Positionieren, Scannen und Optimieren in sechs Freiheitsgraden zu ermöglichen. Seit ihrer Einführung im Jahr 2016 haben diese einzigartigen mikrorobotischen Lösungen eine Vielzahl von Anwendungen ermöglicht, vom Testen von Siliziumphotonikwafern über die Arrayausrichtung bis hin zur automatisierten Montage photonischer Komponenten. Sie stellen die erste Wahl vieler führender OEMs und interner Integrationsteams dar. Die Anwendungen sind komplex, aber die Gründe für die Wahl sind einfach: die bahnbrechende Ausrichtungsgeschwindigkeit, die den Produktionsdurchsatz um zwei Größenordnungen steigert, der leicht zu beherrschende Befehlssatz kombiniert mit einer umfassenden Softwareunterstützung sowie globale Anwendungskompetenz und -unterstützung.
Synergien für höhere Leistung
Das koordinierte Zusammenspiel der Kombination aus Hexapod und NanoCube® ermöglicht die gleichzeitige Optimierung über mehrere Kanäle, Ein- und Ausgänge sowie Freiheitsgrade hinweg, parallel für alle Ein- und Ausgänge und in allen Freiheitsgraden. So ist der NanoCube® dank seiner Festkörpergelenkführungen und der PICMA-Piezoantriebe extrem schnell und langlebig, während der Hexapod große Stellwege inklusive Rotationen um X, Y und Z bietet und damit gerade auch die Ausrichtung von Wellenleiterarrays optimal unterstützt. Hochauflösende Analogeingänge ermöglichen den Anschluss von Leistungsmessgeräten, z. B. dem optischen Leistungsmesser F-712.PM1 von PI mit hoher Bandbreite, zur Optimierung und Datenerfassung für eine effiziente und schnelle automatisierte Ausrichtung faseroptischer Elemente. Zur Gewährleistung der Prozesssicherheit werden Verfahrbereichsgrenzen unterstützt.
Flache und aufrechte Bauformen
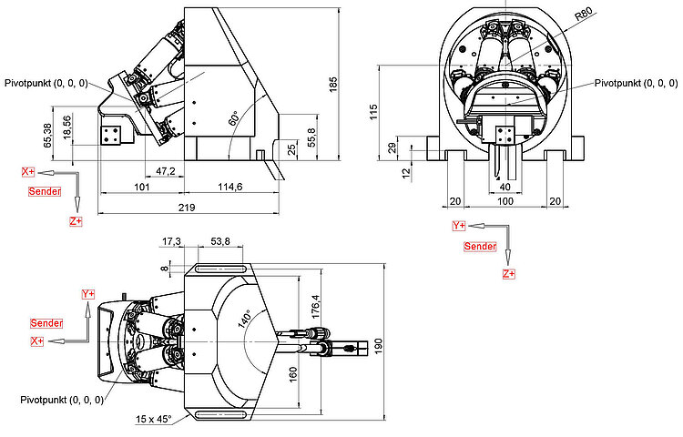
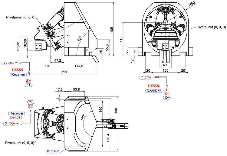
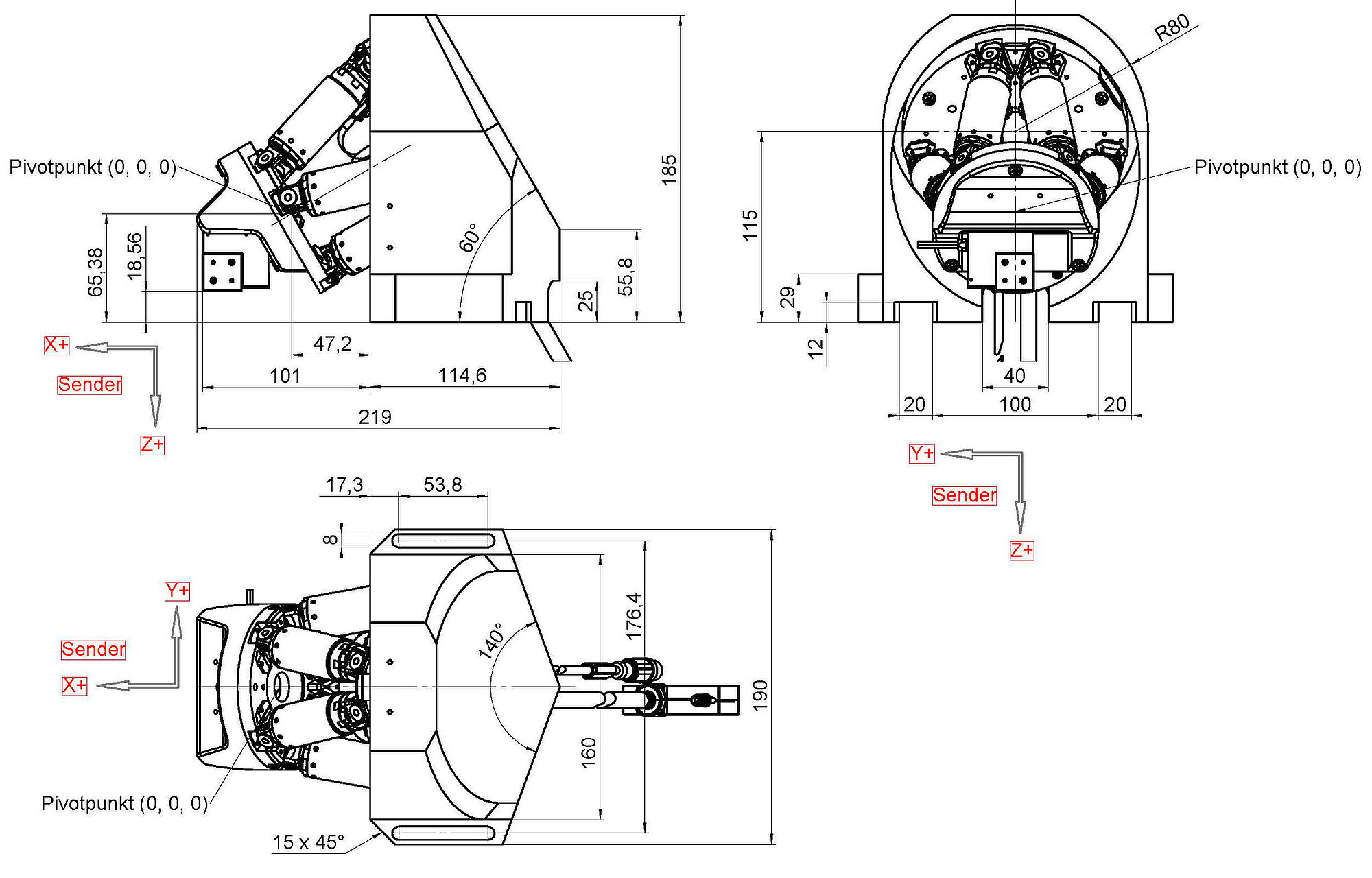
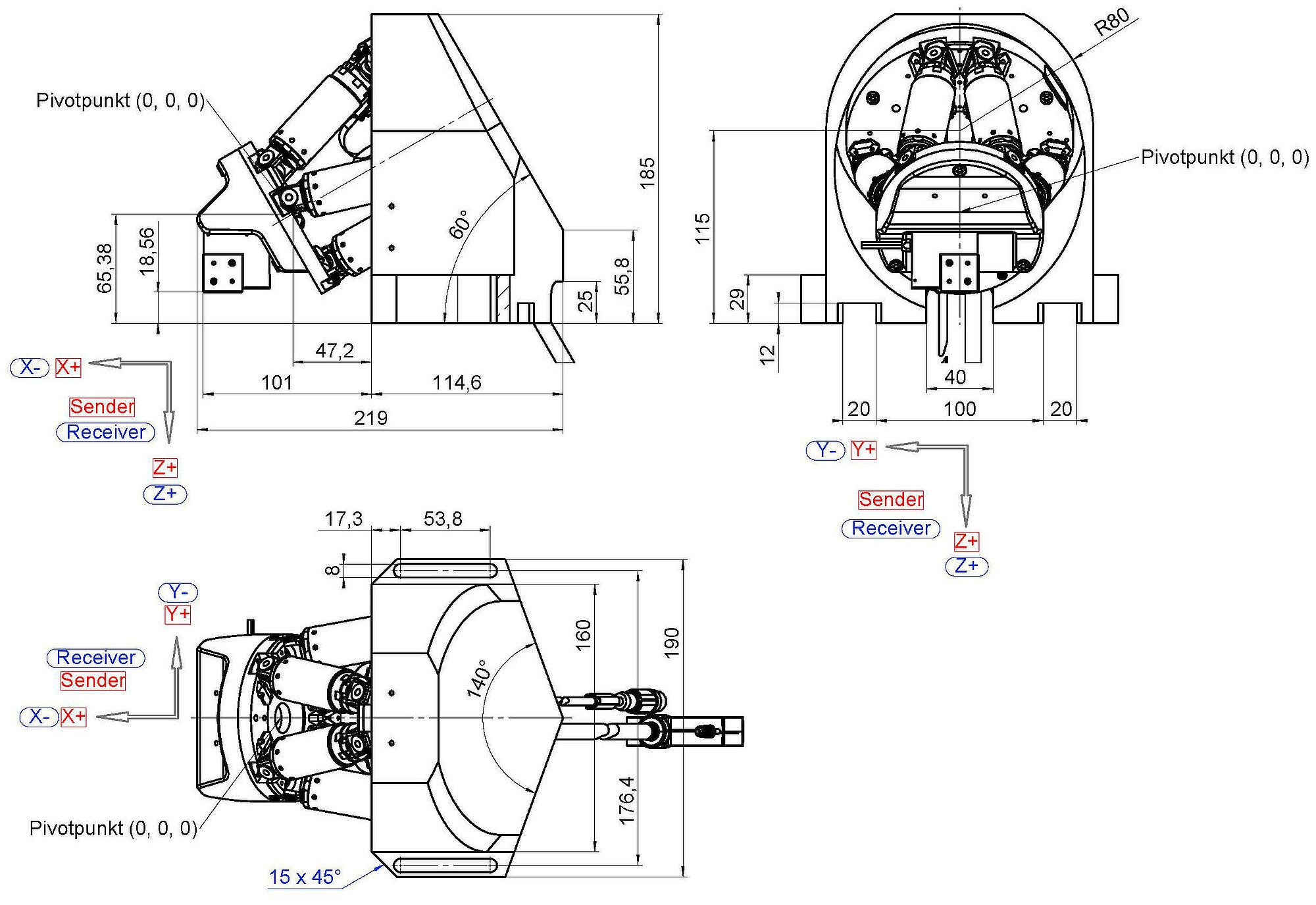
Zu den 6-DOF-Faserausrichtsystemen von PI gehören die Standardkonfigurationen F-713.HA1, F-713.HA2 und F-713.HU1.
Das einseitige System F-713.HA1 und das doppelseitige System F-713.HA2 weisen durch ihre gewinkelte Konfiguration eine flache Bauform auf. Durch die abgewinkelte Montage des Hexapods ist die Ausrichtung nahe (oder sogar unterhalb) der Montagefläche möglich. Damit sind die Systeme ideal für Wafer-Probing-Anwendungen in der Siliziumphotonik geeignet.
Das einseitige System F-713.HU1 ist in der aufrechten Konfiguration optimal für die Charakterisierung von Geräten und auch für Konfektionierungsprozesse geeignet. Darüber hinaus sind auch zwei- oder sogar mehrseitige Systeme in aufrechter Konfiguration auf Anfrage erhältlich.
Ausgehend von diesen hochentwickelten Plattformen ist es einfach, weitere Ausrichtungslösungen mit beispielloser Geschwindigkeit zu konfigurieren, die z. B. für die Wafer-Proximity-Automatisierung im Submikrometerbereich verwendet werden können.
Einsatzgebiete
PIC-Produktion; Ausrichtung von Faserarrays; Kollimatoren; optische Komponenten oder Linsen; Wafer-Probing in der Siliziumphotonik; Prüfungs-, Aufbau- und Verbindungslösungen für photonische Komponenten und Faseroptiken
Spezifikationen
Spezifikationen
| Bewegen und Positionieren | F-713.HA1 | F-713.HA2 | F-713.HU1 | Toleranz |
|---|---|---|---|---|
| Anzahl aktiver Achsen | 9 | 18 | 9 | |
| Aktive Achsen, Grobpositionierung | X ǀ Y ǀ Z ǀ θX ǀ θY ǀ θZ | X ǀ Y ǀ Z ǀ θX ǀ θY ǀ θZ | X ǀ Y ǀ Z ǀ θX ǀ θY ǀ θZ | |
| Stellweg in X, Grobpositionierung | 13 mm | 13 mm | 34 mm | |
| Stellweg in Y, Grobpositionierung | 32 mm | 32 mm | 32 mm | |
| Stellweg in Z, Grobpositionierung | 17 mm | 17 mm | 13 mm | |
| Kleinste Schrittweite in X, Grobpositionierung | 0,1 µm | 0,1 µm | 0,1 µm | |
| Kleinste Schrittweite in Y, Grobpositionierung | 0,1 µm | 0,1 µm | 0,1 µm | |
| Kleinste Schrittweite in Z, Grobpositionierung | 0,1 µm | 0,1 µm | 0,05 µm | |
| Maximale Geschwindigkeit in X, Grobpositionierung, unbelastet | 10 mm/s | 10 mm/s | 10 mm/s | |
| Maximale Geschwindigkeit in Y, Grobpositionierung, unbelastet | 10 mm/s | 10 mm/s | 10 mm/s | |
| Maximale Geschwindigkeit in Z, Grobpositionierung, unbelastet | 10 mm/s | 10 mm/s | 10 mm/s | |
| Rotationsbereich in θX, Grobpositionierung | 29 ° | 29 ° | 20 ° | |
| Rotationsbereich in θY, Grobpositionierung | 20 ° | 20 ° | 20 ° | |
| Rotationsbereich in θZ, Grobpositionierung | 20 ° | 20 ° | 42 ° | |
| Antriebstyp, Grobpositionierung | Bürstenloser DC-Motor | Bürstenloser DC-Motor | Bürstenloser DC-Motor | |
| Sensortyp, Grobpositionierung | Rotationsencoder | Rotationsencoder | Rotationsencoder | |
| Aktive Achsen, Feinpositionierung | X ǀ Y ǀ Z | X ǀ Y ǀ Z | X ǀ Y ǀ Z | |
| Stellweg in X, Feinpositionierung | 100 µm | 100 µm | 100 µm | |
| Stellweg in Y, Feinpositionierung | 100 µm | 100 µm | 100 µm | |
| Stellweg in Z, Feinpositionierung | 100 µm | 100 µm | 100 µm | |
| Kleinste Schrittweite in X, ungeregelt, Feinpositionierung | 0,3 nm | 0,3 nm | 0,3 nm | |
| Kleinste Schrittweite in Y, ungeregelt, Feinpositionierung | 0,3 nm | 0,3 nm | 0,3 nm | |
| Kleinste Schrittweite in Z, ungeregelt, Feinpositionierung | 0,3 nm | 0,3 nm | 0,3 nm | |
| Kleinste Schrittweite in X, geregelt, Feinpositionierung | 2,5 nm | 2,5 nm | 2,5 nm | |
| Kleinste Schrittweite in Y, geregelt, Feinpositionierung | 2,5 nm | 2,5 nm | 2,5 nm | |
| Kleinste Schrittweite in Z, geregelt, Feinpositionierung | 2,5 nm | 2,5 nm | 2,5 nm | |
| Linearitätsabweichung im nominalen Messbereich | 2 % | 2 % | 2 % | max. |
| Bidirektionale Wiederholgenauigkeit in X, 10 % Stellweg | 2 nm | 2 nm | 2 nm | typ. |
| Bidirektionale Wiederholgenauigkeit in Y, 10 % Stellweg | 2 nm | 2 nm | 2 nm | typ. |
| Bidirektionale Wiederholgenauigkeit in Z, 10 % Stellweg | 2 nm | 2 nm | 2 nm | typ. |
| Antriebstyp, Feinpositionierung | PICMA® | PICMA® | PICMA® | |
| Sensortyp Feinpositionierung | Inkrementeller Linearencoder | Inkrementeller Linearencoder | Inkrementeller Linearencoder | |
| Justage | F-713.HA1 | F-713.HA2 | F-713.HU1 | Toleranz |
| Scanzeit spiralförmiger Flächenscan 10 μm Ø | < 0,2 s | < 0,5 s | < 0,2 s | typ. |
| Scanzeit spiralförmiger Flächenscan 100 μm Ø | < 0,3 s | < 1 s | < 0,3 s | typ. |
| Scanzeit spiralförmiger Flächenscan 500 μm Ø | < 2 s | < 5 s | < 2 s | typ. |
| Signaloptimierung mit Gradientensuche, randomisiert mit ±5 μm (Wiederholbarkeit < 0,01 dB) | 0,3 s | 0,3 s | 0,3 s | |
| Anforderungen an den verwendeten Powermeter | F-713.HA1 | F-713.HA2 | F-713.HU1 | Toleranz |
| Ausgangssignal | Analoger Ausgang, idealerweise gewandelt von linear zu logarithmisch | Analoger Ausgang, idealerweise gewandelt von linear zu logarithmisch | Analoger Ausgang, idealerweise gewandelt von linear zu logarithmisch | |
| Maximaler Ausgangsspannungsbereich | -5 bis 5 V | -5 bis 5 V | -5 bis 5 V | max. |
| Minimale Bandbreite | 1 kHz | 1 kHz | 1 kHz | min. |
| Maximaler Rauschpegel | -60 dBm | -60 dBm | -60 dBm | max. |
Hinweis zu Linearitätsabweichung: ohne polynomiale Linearisierung
Scanzeit: typische Zeitspanne, um den gesamten Bereich zu scannen und sich zur höchsten Intensität zu bewegen
Signaloptimierung mit Gradientensuche: Erreichen des globalen Maximums, nachdem First-Light gefunden wurde
Hinweis zu Betriebstemperaturbereich: Angabe gilt für Mechanik; Betriebstemperaturbereich Controller: 5 bis 40 °C
Sonderausführungen auf Anfrage
Bei der Vermessung der Positionsspezifikationen wird die typische Geschwindigkeit verwendet. Die Daten werden als Messprotokoll mit dem Produkt ausgeliefert und bei PI vorgehalten.
Die maximalen Stellwege der einzelnen Koordinaten (X, Y, Z, θX, θY, θZ) sind voneinander abhängig. Die Daten für jede Achse zeigen jeweils ihren maximalen Stellweg, wenn alle anderen Achsen auf der Nullposition des Nominalstellweges stehen und das werkseitige Koordinatensystem verwendet wird, beziehungsweise wenn der Pivotpunkt auf 0,0,0 gesetzt ist.
Technische Daten werden bei PI bei 22 ±3 °C spezifiziert. Die angegebenen Werte gelten im unbelasteten Zustand, wenn nicht anders angegeben. Teilweise sind Eigenschaften voneinander abhängig. Die Angabe "typ." kennzeichnet einen statistischen Mittelwert für eine Eigenschaft; sie gibt keinen garantierten Wert für jedes ausgelieferte Produkt an. Bei der Ausgangsprüfung eines Produkts werden nicht alle, sondern nur ausgewählte Eigenschaften geprüft. Beachten Sie, dass sich einige Produkteigenschaften mit zunehmender Betriebsdauer verschlechtern können.
Downloads
Datenblatt
Dokumentation
Benutzerhandbuch F713T0002
F-713.HA1 und F-713.HA2 Systeme mit 6 Freiheitsgraden für schnelle, mehrkanalige Ausrichtungsaufgaben in der Photonik.
Benutzerhandbuch F713T0001
F-713.HU1 System mit 6 Freiheitsgraden für schnelle, mehrkanalige Ausrichtungsaufgaben in der Photonik.
Benutzerhandbuch F713T0016
Schnelles optisches Ausrichten von Siliziumphotonik-Komponenten mit F-713 Alignment-Systemen und Hexapoden von PI. PILightning-Option für First-Light-Suche
3-D-Modelle
3D-Modell F-713.H
Angebot / Bestellung
Fordern Sie ein unverbindliches Angebot über gewünschte Stückzahlen, Preise und Lieferzeiten an oder beschreiben Sie Ihre gewünschte Modifikation.
Doppelseitiges Photonik-Alignmentsystem aus 2 H-811 Hexapoden und 2 NanoCube® Nanopositionierern; E-713 Digitalcontroller mit 4 Analogeingängen; 2 C-887 Hexapod-Controller mit je 2 Analogeingängen; Firmwareroutinen für extrem schnelle Alignmentaufgaben; Softwarepaket
Einseitiges Photonik-Alignmentsystem aus H-811 Hexapod und NanoCube® Nanopositionierer, aufrechte Konfiguration; E-713 Digitalcontroller mit 4 Analogeingängen; C-887 Hexapod-Controller mit 2 Analogeingängen; Firmwareroutinen für extrem schnelle Alignmentaufgaben; Softwarepaket
Angebot anfordern
Fragen Sie den Fachmann!
Erhalten Sie innerhalb kürzester Zeit per E-Mail oder Telefon eine Rückmeldung zu Ihren Fragen von einem PI Vertriebsingenieur.
Technologie

Aktives Ausrichten
In vielen Anwendungsfeldern gibt es die Anforderung, Komponenten bis auf Nanometer genau auszurichten. Optische Komponenten wie z.B. die Linsen oder Linsenbaugruppen in kleinen Kameras, ebenso wie der CCD Chip selbst, müssen mit zunehmender Genauigkeit positioniert werden.
![[Translate to German:] Parallel-Kinematic Precision Positioning Systems Hexapoden und SpaceFAB](/fileadmin/_processed_/6/d/csm_PI_Hexapod_0e99ed77db.jpg)
Hexapoden und SpaceFAB
Hexapoden sind Systeme für die Bewegung und Positionierung von Lasten in sechs Freiheitsgraden – in drei translatorischen Achsen und drei rotatorischen Achsen.














