Hochdynamische Kippplattform mit hoher Steifigkeit, 3 mrad Kippwinkel, Dehnmessstreifen-Sensor, D-Sub 37-Stecker
S-331 Sehr schnelle Kippplattform
Kurze Einschwingzeit und hohe dynamische Linearität
- Kippwinkel bis 5 mrad, optische Ablenkwinkel bis 10 mrad (0,57°)
- Hohe Resonanzfrequenzen bis 10 kHz(0,5"-Spiegel) für dynamisches Bewegen und schnelles Einschwingen
- Parallelkinematisches Design für identisch hohe Leistungsmerkmale für beide Kippachsen
- Positionssensoren für hohe Linearität
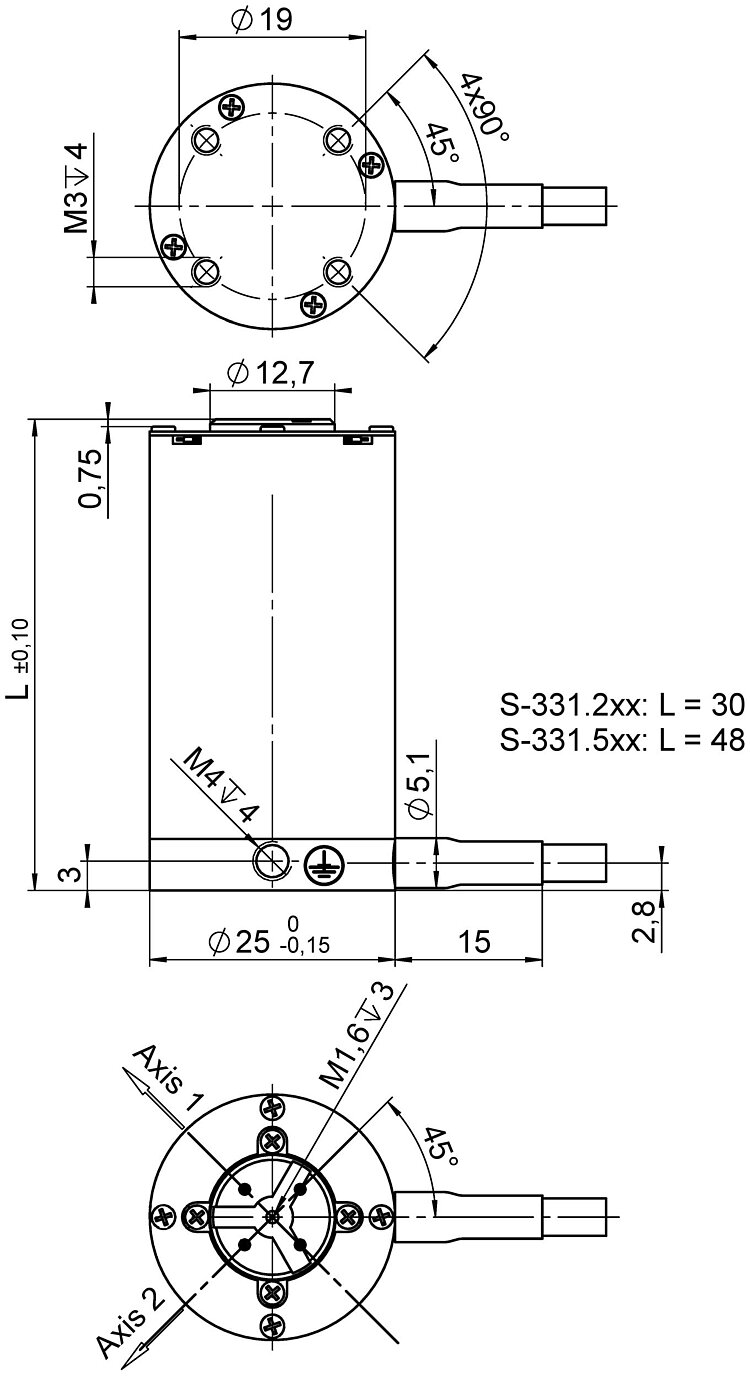
- Für Spiegel bis Ø 12,7 mm (0,5")










Einsatzgebiete
- Bildverarbeitung / -stabilisierung
- Optische Falle
- Laserscanning / -strahlsteuerung
- Lasertuning
- Optische Filter / Schalter
- Optik
- Strahlstabilisierung
Überragende Lebensdauer dank PICMA® Piezoaktoren
Die PICMA® Piezoaktoren sind vollkeramisch isoliert. Dies schützt sie vor Luftfeuchtigkeit und Ausfällen durch erhöhten Leckstrom. PICMA® Aktoren bieten eine bis zu zehnmal höhere Lebensdauer als konventionelle polymerisolierte Aktoren. 100 Milliarden Zyklen ohne einen einzigen Ausfall sind erwiesen.
Hohe Führungsgenauigkeit durch spielfreie Festkörpergelenkführungen
Festkörpergelenkführungen sind wartungs-, reibungs- und verschleißfrei und benötigen keine Schmierstoffe. Ihre Steifigkeit macht sie hoch belastbar und unempfindlich gegen Schockbelastungen und Vibrationen. Sie arbeiten in einem weiten Temperaturbereich.
Hochdynamischer Mehrachsbetrieb durch Parallelkinematik
In einem parallelkinematischen Mehrachssystem wirken alle Aktoren auf eine gemeinsame Plattform. Die minimale Massenträgheit und die identische Auslegung aller Achsen erlauben eine schnelle, dynamische und dennoch präzise Bewegung.
Spezifikationen
Spezifikationen
| Bewegen | S-331.2SH | S-331.2SL | S-331.5SH | S-331.5SL | Toleranz |
|---|---|---|---|---|---|
| Aktive Achsen | θX ǀ θY | θX ǀ θY | θX ǀ θY | θX ǀ θY | |
| Rotationsbereich in θX | 3 mrad | 3 mrad | 5 mrad | 5 mrad | |
| Rotationsbereich in θY | 3 mrad | 3 mrad | 5 mrad | 5 mrad | |
| Rotationsbereich in θX, ungeregelt | 4,2 mrad | 4,2 mrad | 7 mrad | 7 mrad | ±20 % |
| Rotationsbereich in θY, ungeregelt | 4,2 mrad | 4,2 mrad | 7 mrad | 7 mrad | ±20 % |
| Linearitätsabweichung in θX | 0,1 % | 0,3 % | 0,1 % | 0,3 % | typ. |
| Linearitätsabweichung in θY | 0,1 % | 0,3 % | 0,1 % | 0,3 % | typ. |
| Positionieren | S-331.2SH | S-331.2SL | S-331.5SH | S-331.5SL | Toleranz |
| Bidirektionale Wiederholgenauigkeit in θX | 1,5 µrad | 1,5 µrad | 2,5 µrad | 2,5 µrad | typ. |
| Bidirektionale Wiederholgenauigkeit in θY | 1,5 µrad | 1,5 µrad | 2,5 µrad | 2,5 µrad | typ. |
| Auflösung in θX, ungeregelt | 0,05 µrad | 0,05 µrad | 0,1 µrad | 0,1 µrad | typ. |
| Auflösung in θY, ungeregelt | 0,05 µrad | 0,05 µrad | 0,1 µrad | 0,1 µrad | typ. |
| Integrierter Sensor | DMS, indirekte Positionsmessung | DMS, indirekte Positionsmessung | DMS, indirekte Positionsmessung | DMS, indirekte Positionsmessung | |
| Sensorauflösung, rotatorisch | 0,1 µrad | 0,1 µrad | 0,25 µrad | 0,25 µrad | |
| Antriebseigenschaften | S-331.2SH | S-331.2SL | S-331.5SH | S-331.5SL | Toleranz |
| Antriebstyp | PICMA® | PICMA® | PICMA® | PICMA® | |
| Nennspannung | 120 V | 120 V | 120 V | 120 V | |
| Maximale Leistungsaufnahme | — | — | — | — | |
| Elektrische Kapazität in θX | 0,96 µF | 0,96 µF | 6,2 µF | 6,2 µF | ±20 % |
| Elektrische Kapazität in θY | 0,96 µF | 0,96 µF | 6,2 µF | 6,2 µF | ±20 % |
| Mechanische Eigenschaften | S-331.2SH | S-331.2SL | S-331.5SH | S-331.5SL | Toleranz |
| Resonanzfrequenz in θX, unbelastet | 10050 Hz | 10050 Hz | 2990 Hz | 2990 Hz | ±20 % |
| Resonanzfrequenz in θX, belastet mit Glasspiegel (Ø 12,7 mm; Dicke 3 mm) | 9020 Hz | 9020 Hz | 2980 Hz | 2980 Hz | ±20 % |
| Resonanzfrequenz in θY, unbelastet | 10050 Hz | 10050 Hz | 2990 Hz | 2990 Hz | ±20 % |
| Resonanzfrequenz in θY, belastet mit Glasspiegel (Ø 12,7 mm; Dicke 3 mm) | 9020 Hz | 9020 Hz | 2980 Hz | 2980 Hz | ±20 % |
| Trägheitsmoment in θX, unbelastet | 30 g·mm² | 30 g·mm² | 30 g·mm² | 30 g·mm² | ±20 % |
| Trägheitsmoment in θY, unbelastet | 30 g·mm² | 30 g·mm² | 30 g·mm² | 30 g·mm² | ±20 % |
| Abstand Pivotpunkt-Plattformoberfläche | 4 mm | 4 mm | 4 mm | 4 mm | ±0,1 mm |
| Führung | Festkörpergelenksführung mit Hebelübersetzung | Festkörpergelenksführung mit Hebelübersetzung | Festkörpergelenksführung mit Hebelübersetzung | Festkörpergelenksführung mit Hebelübersetzung | |
| Gesamtmasse | 130 g | 130 g | 280 g | 280 g | |
| Material | Stahl, Plattform: Titan | Stahl, Plattform: Titan | Stahl, Plattform: Titan | Stahl, Plattform: Titan | |
| Anschlüsse und Umgebung | S-331.2SH | S-331.2SL | S-331.5SH | S-331.5SL | Toleranz |
| Betriebstemperaturbereich | -20 bis 80 °C | -20 bis 80 °C | -20 bis 80 °C | -20 bis 80 °C | |
| Anschluss | D-Sub 37 (m) | LEMO LVPZT | D-Sub 37 (m) | LEMO LVPZT | |
| Sensoranschluss | — | LEMO für Dehnmessstreifen | — | LEMO für Dehnmessstreifen | |
| Kabellänge | 2 m | 2 m | 2 m | 2 m | |
| Empfohlene Controller / Treiber | E-727 | E-509.S3 + E-505.00 (2x) + E-505.00S + E-500.00 | E-727 | E-509.S3 + E-505.00 (2x) + E-505.00S + E-500.00 |
Technische Daten werden bei PI bei 22 ±3 °C spezifiziert. Die angegebenen Werte gelten im unbelasteten Zustand, wenn nicht anders angegeben. Teilweise sind Eigenschaften voneinander abhängig. Die Angabe "typ." kennzeichnet einen statistischen Mittelwert für eine Eigenschaft; sie gibt keinen garantierten Wert für jedes ausgelieferte Produkt an. Bei der Ausgangsprüfung eines Produkts werden nicht alle, sondern nur ausgewählte Eigenschaften geprüft. Beachten Sie, dass sich einige Produkteigenschaften mit zunehmender Betriebsdauer verschlechtern können.
Downloads
Produktmitteilung
Product Change Notification Piezo Actuator Driven Products
Datenblatt
Dokumentation
Benutzerhandbuch PZ256
S-331 Hochdynamische Piezokippsysteme mit hoher Steifigkeit
3-D-Modelle
3D-Modell S-331.2SH
3D-Modell S-331.5SH
Angebot / Bestellung
Fordern Sie ein unverbindliches Angebot über gewünschte Stückzahlen, Preise und Lieferzeiten an oder beschreiben Sie Ihre gewünschte Modifikation.
Hochdynamische Kippplattform mit hoher Steifigkeit, 3 mrad Kippwinkel, Dehnmessstreifen-Sensor, LEMO-Stecker
Hochdynamische Kippplattform mit hoher Steifigkeit, 5 mrad Kippwinkel, Dehnmessstreifen-Sensor, D-Sub 37-Stecker
Hochdynamische Kippplattform mit hoher Steifigkeit, 5 mrad Kippwinkel, Dehnmessstreifen-Sensor, LEMO-Stecker
Angebot anfordern
Fragen Sie den Fachmann!
Erhalten Sie innerhalb kürzester Zeit per E-Mail oder Telefon eine Rückmeldung zu Ihren Fragen von einem PI Vertriebsingenieur.
Technologie

PICMA® Technologie
Hohe Zuverlässigkeit und überlegene Lebensdauer durch das patentierte Herstellungsverfahren für Multilayer-Aktoren.

Flexure Festkörpergelenke
Festkörpergelenksführungen von PI führen den Piezoaktor und dienen der geradlinigen Bewegung ohne Verkippung oder seitlichen Versatz.

Piezopositioniersysteme mit paralleler Kinematik
Der Vorteil eines Parallelkinematik-Mehrachsensystem ist, dass es kompakter gebaut werden kann, da nur es nur eine bewegte Plattform gibt.














