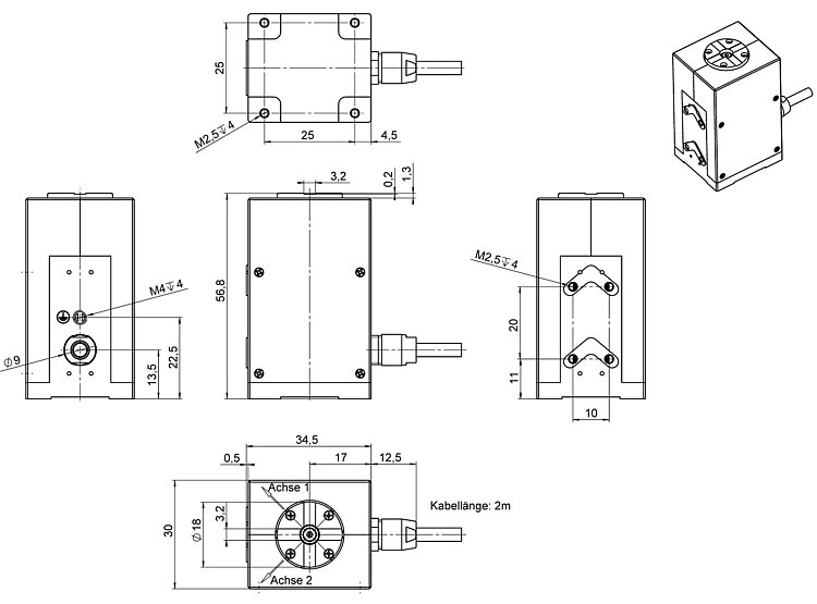
Hochdynamische Piezo-Kippplattform; 35 mrad × 35 mrad Rotationswinkel (θX × θY); DMS, direkte Positionsmessung; D-Sub 37-polig (m); 2 m Kabellänge
S-335 Piezo-Kippplattform
Strahlführung mit sehr großen Ablenkwinkeln für Spiegel und Optiken
- Kippwinkel bis 35 mrad, hohe optische Ablenkwinkel bis 70 mrad (4°)
- Resonanzfrequenzen bis 0,7 kHz (1"-Spiegel) für dynamisches Bewegen und schnelles Einschwingen
- Parallelkinematisches Design: Zwei orthogonale Kippachsen mit einem gemeinsamen Drehpunkt
- Dehnungssensoren für hohe Linearität
- Unterschiedliche Versionen verfügbar: Ohne Spiegel, ½"-Spiegel, 1"-Spiegel





Einsatzgebiete
- Bildverarbeitung / -stabilisierung
- Optische Falle
- Laserscanning / -strahlsteuerung mit großen Ablenkwinkeln
- Lasertuning
- Optische Filter / Schalter
- Optik
- Strahlstabilisierung
Überragende Lebensdauer dank PICMA® Piezoaktoren
Die PICMA® Piezoaktoren sind vollkeramisch isoliert. Dies schützt sie vor Luftfeuchtigkeit und Ausfällen durch erhöhten Leckstrom. PICMA® Aktoren bieten eine bis zu zehnmal höhere Lebensdauer als konventionelle polymerisolierte Aktoren. 100 Milliarden Zyklen ohne einen einzigen Ausfall sind erwiesen.
Hohe Führungsgenauigkeit durch spielfreie Festkörpergelenkführungen
Festkörpergelenkführungen sind wartungs-, reibungs- und verschleißfrei und benötigen keine Schmierstoffe. Ihre Steifigkeit macht sie hoch belastbar und unempfindlich gegen Schockbelastungen und Vibrationen. Sie arbeiten in einem weiten Temperaturbereich.
Hochdynamischer Mehrachsbetrieb durch Parallelkinematik
In einem parallelkinematischen Mehrachssystem wirken alle Aktoren auf eine gemeinsame Plattform. Die minimale Massenträgheit und die identische Auslegung aller Achsen erlauben eine schnelle, dynamische und dennoch präzise Bewegung.
Spezifikationen
Spezifikationen
| Bewegen | S-335.2SH | S-335.2SHM1 | S-335.2SHM2 | Toleranz |
|---|---|---|---|---|
| Aktive Achsen | θX ǀ θY | θX ǀ θY | θX ǀ θY | |
| Rotationsbereich in θX | 35 mrad | 35 mrad | 35 mrad | |
| Rotationsbereich in θY | 35 mrad | 35 mrad | 35 mrad | |
| Linearitätsabweichung in θX, unidirektional | 0,05 % | 0,05 % | 0,05 % | typ. |
| Linearitätsabweichung in θY, unidirektional | 0,05 % | 0,05 % | 0,05 % | typ. |
| Positionieren | S-335.2SH | S-335.2SHM1 | S-335.2SHM2 | Toleranz |
| Bidirektionale Wiederholgenauigkeit in θX | 1 µrad | 1 µrad | 1 µrad | typ. |
| Bidirektionale Wiederholgenauigkeit in θY | 1 µrad | 1 µrad | 1 µrad | typ. |
| Auflösung in θX, ungeregelt | 0,1 µrad | 0,1 µrad | 0,1 µrad | typ. |
| Auflösung in θY, ungeregelt | 0,1 µrad | 0,1 µrad | 0,1 µrad | typ. |
| Integrierter Sensor | DMS, direkte Positionsmessung | DMS, direkte Positionsmessung | DMS, direkte Positionsmessung | |
| Systemauflösung in θX | 1 µrad | 1 µrad | 1 µrad | |
| Systemauflösung in θY | 1 µrad | 1 µrad | 1 µrad | |
| Antriebseigenschaften | S-335.2SH | S-335.2SHM1 | S-335.2SHM2 | Toleranz |
| Antriebstyp | PICMA® | PICMA® | PICMA® | |
| Elektrische Kapazität in θX | 6,2 µF | 6,2 µF | 6,2 µF | ±20 % |
| Elektrische Kapazität in θY | 6,2 µF | 6,2 µF | 6,2 µF | ±20 % |
| Mechanische Eigenschaften | S-335.2SH | S-335.2SHM1 | S-335.2SHM2 | Toleranz |
| Resonanzfrequenz in θX, unbelastet | 2 kHz | — | — | ±20 % |
| Resonanzfrequenz in θX, belastet mit Glasspiegel (Ø 12,5 mm; Dicke 3 mm) | 1,6 kHz | 1,6 kHz | — | ±20 % |
| Resonanzfrequenz in θX, belastet mit Glasspiegel (Ø 25,4 mm; Dicke 4 mm) | 0,7 kHz | — | 0,7 kHz | ±20 % |
| Resonanzfrequenz in θY, unbelastet | 2 kHz | — | — | ±20 % |
| Resonanzfrequenz in θY, belastet mit Glasspiegel (Ø 12,5 mm; Dicke 3 mm) | 1,6 kHz | 1,6 kHz | — | ±20 % |
| Resonanzfrequenz in θY, belastet mit Glasspiegel (Ø 25,4 mm; Dicke 4 mm) | 0,7 kHz | — | 0,7 kHz | ±20 % |
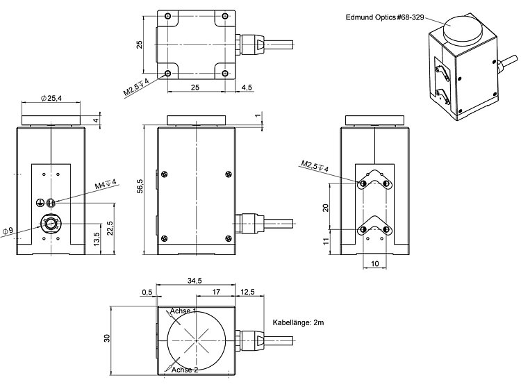
| Abstand Pivotpunkt-Plattformoberfläche | 3,3 mm | 3,3 mm | 3,3 mm | ±0,25 mm |
| Gesamtmasse | 320 g | 325 g | 330 g | ±5 % |
| Material | Plattform und Grundkörper: Titan. Gehäuseabdeckung: Aluminium. | Plattform und Grundkörper: Titan. Gehäuseabdeckung: Aluminium. | Plattform und Grundkörper: Titan. Gehäuseabdeckung: Aluminium. | |
| Anschlüsse und Umgebung | S-335.2SH | S-335.2SHM1 | S-335.2SHM2 | Toleranz |
| Betriebstemperaturbereich | -20 bis 80 °C | -20 bis 80 °C | -20 bis 80 °C | |
| Anschluss | D-Sub 37 (m) | D-Sub 37 (m) | D-Sub 37 (m) | |
| Kabellänge | 2 m | 2 m | 2 m | +100 / -0 mm |
| Empfohlene Controller / Treiber | E-727 | E-727 | E-727 |
S-335.2SH: Version ohne Spiegel
S-335.2SHM1: Version mit Spiegel Ø 12,5 mm
S-335.2SHM2: Version mit Spiegel Ø 25,4 mm
Rotationsbereich in θX / θY: Quasistatische Bewegung bei 0 bis 120 V.
Die Auflösung des Systems wird nur vom Rauschen des Verstärkers und der Messtechnik begrenzt, da PI-Piezo-Nanopositioniersysteme reibungsfrei arbeiten.
Technische Daten werden bei PI bei 22 ±3 °C spezifiziert. Die angegebenen Werte gelten im unbelasteten Zustand, wenn nicht anders angegeben. Teilweise sind Eigenschaften voneinander abhängig. Die Angabe "typ." kennzeichnet einen statistischen Mittelwert für eine Eigenschaft; sie gibt keinen garantierten Wert für jedes ausgelieferte Produkt an. Bei der Ausgangsprüfung eines Produkts werden nicht alle, sondern nur ausgewählte Eigenschaften geprüft. Beachten Sie, dass sich einige Produkteigenschaften mit zunehmender Betriebsdauer verschlechtern können.
Downloads
Produktmitteilung
Product Change Notification Piezo Actuator Driven Products
Datenblatt
Dokumentation
Benutzerhandbuch PZ276
S-335.2SH Hochdynamische Kippplattform
3-D-Modelle
S-335 3D-Model
Angebot / Bestellung
Fordern Sie ein unverbindliches Angebot über gewünschte Stückzahlen, Preise und Lieferzeiten an oder beschreiben Sie Ihre gewünschte Modifikation.
Hochdynamische Piezo-Kippplattform; 35 mrad × 35 mrad Rotationswinkel (θX × θY); DMS, direkte Positionsmessung; D-Sub 37-polig (m); 2 m Kabellänge; inkl. Spiegel Ø 12,5 mm
Hochdynamische Piezo-Kippplattform; 35 mrad × 35 mrad Rotationswinkel (θX × θY); DMS, direkte Positionsmessung; D-Sub 37-polig (m); 2 m Kabellänge; inkl. Spiegel Ø 25,4 mm
Angebot anfordern
Fragen Sie den Fachmann!
Erhalten Sie innerhalb kürzester Zeit per E-Mail oder Telefon eine Rückmeldung zu Ihren Fragen von einem PI Vertriebsingenieur.
Technologie

PICMA® Technologie
Hohe Zuverlässigkeit und überlegene Lebensdauer durch das patentierte Herstellungsverfahren für Multilayer-Aktoren.

Flexure Festkörpergelenke
Festkörpergelenksführungen von PI führen den Piezoaktor und dienen der geradlinigen Bewegung ohne Verkippung oder seitlichen Versatz.

Digitale Motion Controller
Digitale Controller haben gegenüber analogen Verstärkerelektroniken Vorteile, die vor allem bei hochpräzisen Positionieraufgaben zum Tragen kommen.

Piezopositioniersysteme mit paralleler Kinematik
Der Vorteil eines Parallelkinematik-Mehrachsensystem ist, dass es kompakter gebaut werden kann, da nur es nur eine bewegte Plattform gibt.












