Kippplattform, 2 mrad, ungeregelt, LEMO-Stecker, Aluminium-Deckplatte
S-340 Piezokippplattform
Hochdynamisch für Spiegel und Optiken bis Ø 75 mm (3 Zoll)
- Auflösung bis 20 nrad, hervorragende Positionsstabilität
- Optischer Ablenkwinkel bis 4 mrad
- Unterschiedliche Materialien für CTE-Anpassung zwischen Plattform und Spiegel
- Höhere Genauigkeit und Dynamik durch Parallelkinematik
- Sub-ms-Ansprechzeit
- Für Spiegel bis Ø 75 mm (3 Zoll); Ø 100 mm (4 Zoll) auf Anfrage
- Positionsgeregelte Versionen für bessere Linearität
- Hervorragende Temperaturstabilität
Einsatzgebiete
- Bildverarbeitung / -stabilisierung
- Optische Falle
- Laserscanning / -strahlsteuerung mit großen Ablenkwinkeln
- Lasertuning
- Optische Filter / Schalter
- Optik
- Strahlstabilisierung
Überragende Lebensdauer dank PICMA® Piezoaktoren
Die PICMA® Piezoaktoren sind vollkeramisch isoliert. Dies schützt sie vor Luftfeuchtigkeit und Ausfällen durch erhöhten Leckstrom. PICMA® Aktoren bieten eine bis zu zehnmal höhere Lebensdauer als konventionelle polymerisolierte Aktoren. 100 Milliarden Zyklen ohne einen einzigen Ausfall sind erwiesen.
Hohe Führungsgenauigkeit durch spielfreie Festkörpergelenkführungen
Festkörpergelenkführungen sind wartungs-, reibungs- und verschleißfrei und benötigen keine Schmierstoffe. Ihre Steifigkeit macht sie hoch belastbar und unempfindlich gegen Schockbelastungen und Vibrationen. Sie arbeiten in einem weiten Temperaturbereich.
Hochdynamischer Mehrachsbetrieb durch Parallelkinematik
In einem parallelkinematischen Mehrachssystem wirken alle Aktoren auf eine gemeinsame Plattform. Die minimale Massenträgheit und die identische Auslegung aller Achsen erlauben eine schnelle, dynamische und dennoch präzise Bewegung.
CTE-Anpassung von Spiegel und Plattform durch Materialoptionen
Folgende Materialpaarungen sind für einen angepassten Wärmeausdehnungskoeffizienten empfohlen:
- Plattform aus Aluminium: Spiegel aus Aluminium
- Plattform aus Invar: Spiegel aus Quarzglas / Zerodur
Spezifikationen
Spezifikationen
| Bewegen | S-340.A0L | S-340.ASL | S-340.I0L | S-340.ISL | Toleranz |
|---|---|---|---|---|---|
| Aktive Achsen | θX ǀ θY | θX ǀ θY | θX ǀ θY | θX ǀ θY | |
| Rotationsbereich in θX | — | 2 mrad | — | 2 mrad | |
| Rotationsbereich in θY | — | 2 mrad | — | 2 mrad | |
| Rotationsbereich in θX, ungeregelt | 2 mrad | 2 mrad | 2 mrad | 2 mrad | ±20 % |
| Rotationsbereich in θY, ungeregelt | 2 mrad | 2 mrad | 2 mrad | 2 mrad | ±20 % |
| Linearitätsabweichung in θX | — | 0,1 % | — | 0,1 % | typ. |
| Linearitätsabweichung in θY | — | 0,1 % | — | 0,1 % | typ. |
| Positionieren | S-340.A0L | S-340.ASL | S-340.I0L | S-340.ISL | Toleranz |
| Bidirektionale Wiederholgenauigkeit in θX | — | 0,075 µrad | — | 0,075 µrad | typ. |
| Bidirektionale Wiederholgenauigkeit in θY | — | 0,075 µrad | — | 0,075 µrad | typ. |
| Auflösung in θX, ungeregelt | 0,02 µrad | 0,02 µrad | 0,02 µrad | 0,02 µrad | typ. |
| Auflösung in θY, ungeregelt | 0,02 µrad | 0,02 µrad | 0,02 µrad | 0,02 µrad | typ. |
| Integrierter Sensor | — | DMS, indirekte Positionsmessung | — | DMS, indirekte Positionsmessung | |
| Systemauflösung in θX | — | 0,2 µrad | — | 0,2 µrad | |
| Systemauflösung in θY | — | 0,2 µrad | — | 0,2 µrad | |
| Antriebseigenschaften | S-340.A0L | S-340.ASL | S-340.I0L | S-340.ISL | Toleranz |
| Antriebstyp | PICMA® | PICMA® | PICMA® | PICMA® | |
| Maximale Leistungsaufnahme | — | — | — | — | |
| Elektrische Kapazität in θX | 6 µF | 6 µF | 6 µF | 6 µF | ±20 % |
| Elektrische Kapazität in θY | 6 µF | 6 µF | 6 µF | 6 µF | ±20 % |
| Mechanische Eigenschaften | S-340.A0L | S-340.ASL | S-340.I0L | S-340.ISL | Toleranz |
| Resonanzfrequenz in θX, unbelastet | 1,7 kHz | 1,7 kHz | 1,1 kHz | 1,1 kHz | ±20 % |
| Resonanzfrequenz in θX, belastet mit Glasspiegel (Ø 50 mm; Dicke 5 mm; 21 g) | 1,4 kHz | 1,4 kHz | 1 kHz | 1 kHz | ±20 % |
| Resonanzfrequenz in θX, belastet mit Glasspiegel (Ø 50 mm; Dicke 13 mm; 63 g) | 1 kHz | 1 kHz | 0,85 kHz | 0,85 kHz | ±20 % |
| Resonanzfrequenz in θX, belastet mit Glasspiegel (Ø 75 mm; Dicke 19 mm; 197 g) | 0,55 kHz | 0,55 kHz | 0,5 kHz | 0,5 kHz | ±20 % |
| Resonanzfrequenz in θY, unbelastet | 1,7 kHz | 1,7 kHz | 1,1 kHz | 1,1 kHz | ±20 % |
| Resonanzfrequenz in θY, belastet mit Glasspiegel (Ø 50 mm; Dicke 5 mm; 21 g) | 1,4 kHz | 1,4 kHz | 1 kHz | 1 kHz | ±20 % |
| Resonanzfrequenz in θY, belastet mit Glasspiegel (Ø 50 mm; Dicke 13 mm; 63 g) | 1 kHz | 1 kHz | 0,85 kHz | 0,85 kHz | ±20 % |
| Resonanzfrequenz in θY, belastet mit Glasspiegel (Ø 75 mm; Dicke 19 mm; 197 g) | 0,55 kHz | 0,55 kHz | 0,5 kHz | 0,5 kHz | ±20 % |
| Trägheitsmoment in θX, unbelastet | 18 kg·mm² | 18 kg·mm² | 54 kg·mm² | 54 kg·mm² | ±20 % |
| Trägheitsmoment in θY, unbelastet | 18 kg·mm² | 18 kg·mm² | 54 kg·mm² | 54 kg·mm² | ±20 % |
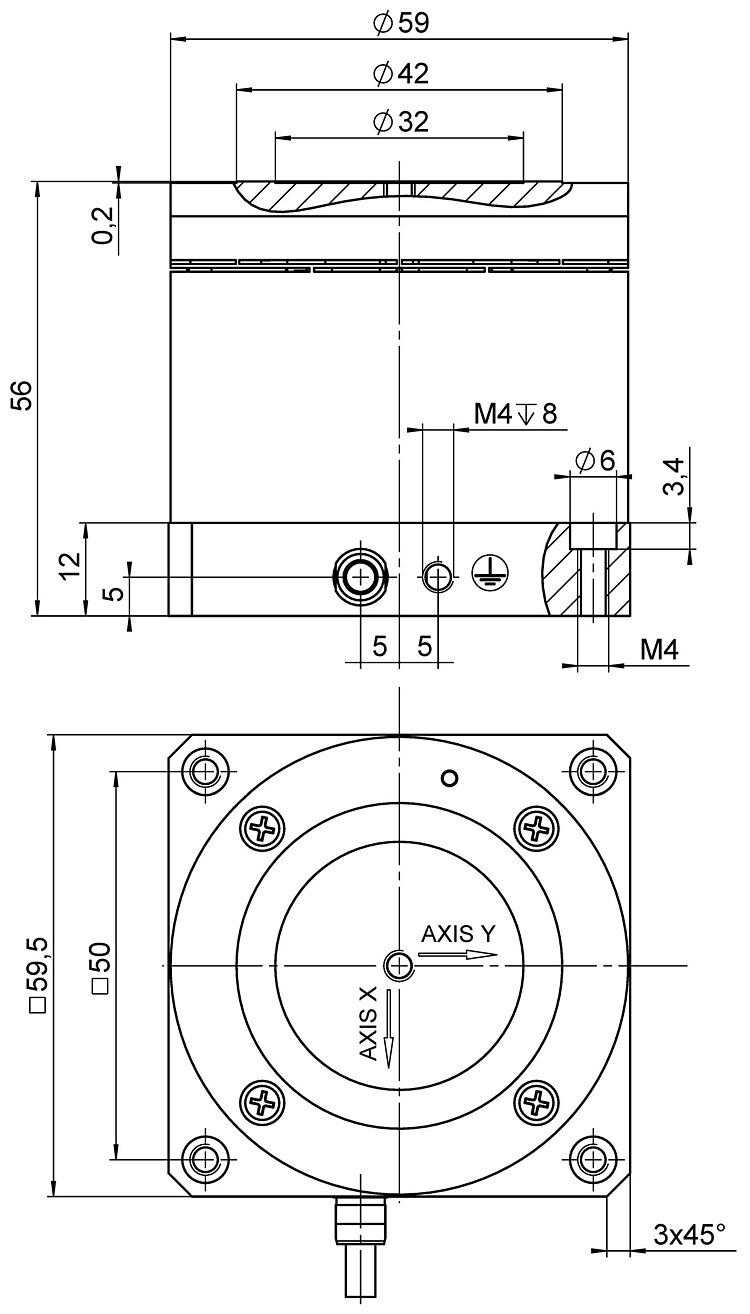
| Abstand Pivotpunkt-Plattformoberfläche | 7,5 mm | 7,5 mm | 7,5 mm | 7,5 mm | ±0,1 mm |
| Führung | Festkörpergelenksführung mit Hebelübersetzung | Festkörpergelenksführung mit Hebelübersetzung | Festkörpergelenksführung mit Hebelübersetzung | Festkörpergelenksführung mit Hebelübersetzung | |
| Gesamtmasse | 355 g | 355 g | 443 g | 443 g | |
| Material | Gehäuse: Aluminium. Plattform: Aluminium. | Gehäuse: Aluminium. Plattform: Aluminium. | Gehäuse: Aluminium. Plattform: Invar. | Gehäuse: Aluminium. Plattform: Invar. | |
| Anschlüsse und Umgebung | S-340.A0L | S-340.ASL | S-340.I0L | S-340.ISL | Toleranz |
| Betriebstemperaturbereich | -20 bis 80 °C | -20 bis 80 °C | -20 bis 80 °C | -20 bis 80 °C | |
| Anschluss | LEMO LVPZT | LEMO LVPZT | LEMO LVPZT | LEMO LVPZT | |
| Sensoranschluss | — | LEMO für Dehnmessstreifen | — | LEMO für Dehnmessstreifen | |
| Kabellänge | 2 m | 2 m | 2 m | 2 m | |
| Empfohlene Controller / Treiber | E-503, E-727 | E-503, E-727 | E-503, E-727 | E-503, E-727 |
Die Auflösung des Systems wird nur vom Rauschen des Verstärkers und der Messtechnik begrenzt, da PI-Piezo-Nanopositioniersysteme reibungsfrei arbeiten.
Alle Angaben beziehen sich auf Raumtemperatur (22 °C ±3 °C).
Technische Daten werden bei PI bei 22 ±3 °C spezifiziert. Die angegebenen Werte gelten im unbelasteten Zustand, wenn nicht anders angegeben. Teilweise sind Eigenschaften voneinander abhängig. Die Angabe "typ." kennzeichnet einen statistischen Mittelwert für eine Eigenschaft; sie gibt keinen garantierten Wert für jedes ausgelieferte Produkt an. Bei der Ausgangsprüfung eines Produkts werden nicht alle, sondern nur ausgewählte Eigenschaften geprüft. Beachten Sie, dass sich einige Produkteigenschaften mit zunehmender Betriebsdauer verschlechtern können.
Downloads
Produktmitteilung
Product Change Notification Piezo Actuator Driven Products
Datenblatt
Dokumentation
Benutzerhandbuch PZ75
S-340 Piezokippplattform
3-D-Modelle
S-340 3D-Modell
Angebot / Bestellung
Fordern Sie ein unverbindliches Angebot über gewünschte Stückzahlen, Preise und Lieferzeiten an oder beschreiben Sie Ihre gewünschte Modifikation.
Kippplattform, 2 mrad, DMS, LEMO-Stecker, Aluminium-Deckplatte
Kippplattform, 2 mrad, ungeregelt, LEMO-Stecker, Invar-Deckplatte
Kippplattform, 2 mrad, DMS, LEMO-Stecker, Invar-Deckplatte
Angebot anfordern
Fragen Sie den Fachmann!
Erhalten Sie innerhalb kürzester Zeit per E-Mail oder Telefon eine Rückmeldung zu Ihren Fragen von einem PI Vertriebsingenieur.
Technologie

PICMA® Technologie
Hohe Zuverlässigkeit und überlegene Lebensdauer durch das patentierte Herstellungsverfahren für Multilayer-Aktoren.

Flexure Festkörpergelenke
Festkörpergelenksführungen von PI führen den Piezoaktor und dienen der geradlinigen Bewegung ohne Verkippung oder seitlichen Versatz.

Piezopositioniersysteme mit paralleler Kinematik
Der Vorteil eines Parallelkinematik-Mehrachsensystem ist, dass es kompakter gebaut werden kann, da nur es nur eine bewegte Plattform gibt.











