C-815.VF Vakuumdurchführungen
Schnittstelle zwischen Luftseite und Hochvakuum (HV) bzw. Ultrahochvakuum (UHV)
- Zubehör für vakuumgeeignete Positioniertische
- Abschluss und Ausleitung aus Vakuumkammern
- Vakuumkompatibel bis 10-9 hPa











Anbindung von Standard-Controllern an Vakuumanwendungen
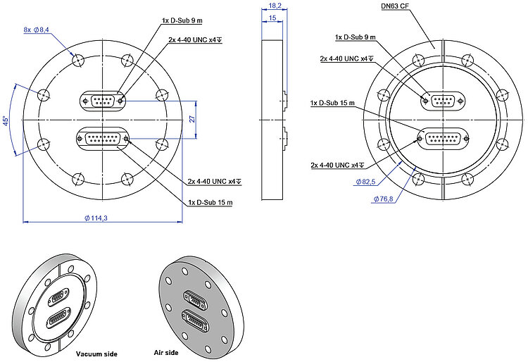
Vakuumdurchführungen sind die Schnittstelle zwischen Positionierer in einem Vakuumvolumen und Controller auf der Luftseite. Mit ihnen ist es möglich, Standard-Controller an Vakuumanwendungen anzubinden. Vakuumdurchführungen sind für verschiedene Anschlüsse und für eine unterschiedliche Anzahl von Kabeln verfügbar. Die Kabel sind nicht Teil des Lieferumfangs der Durchführungen.
Spezifikationen
Spezifikationen
Eigenschaften | V6-Durchführungen | V7- und V9-Durchführungen | Einheit |
|---|---|---|---|
Dichtung | Fluorelastomer | Glaskeramik | |
Flansch | Aluminiumlegierung, gelb chromatiert | Edelstahl 316L | |
Prüfspannung | 1000 | 500 | V DC |
Max. Strom pro Pin | 5 | 5 | A |
Temperaturbereich | -40 bis 125 | -200 bis 300 | °C |
Leckrate | < 5 × 10-9 | < 5 × 10-10 | mbar l/s He |
Gesamtmasseverlust (TML) | < 1 | % | |
Aufgefangene flüchtige kondensierbare Anteile (CVCM) | < 0,1 | % |
Angebot / Bestellung
Fordern Sie ein unverbindliches Angebot über gewünschte Stückzahlen, Preise und Lieferzeiten an oder beschreiben Sie Ihre gewünschte Modifikation.
Angebot anfordern
Fragen Sie den Fachmann!
Erhalten Sie innerhalb kürzester Zeit per E-Mail oder Telefon eine Rückmeldung zu Ihren Fragen von einem PI Vertriebsingenieur.

















