Vakuumgeeigneter Präzisions-Rotationstisch; 2-Phasen-Schrittmotor; 360 ° Rotationswinkel; 100 N Belastbarkeit; 20 °/s maximale Winkelgeschwindigkeit; vakuumkompatibel bis 10⁻⁶ hPa
L-611 V6 • V7 • V9 Vakuumgeeigneter Präzisions-Rotationstisch
Hohe Ablaufgenauigkeit
- Vakuumgeeignet bis 10-9 hPa
- Unbegrenzter Stellbereich
- Sehr hohe Auflösung
- Schrittmotor
- Richtungserkennender Referenzschalter
- Mehrachsaufbauten möglich
Rotationstisch der Referenzklasse
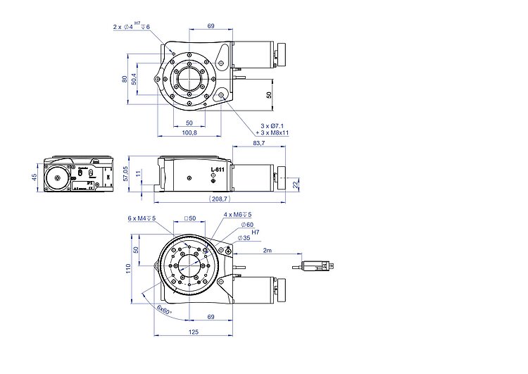
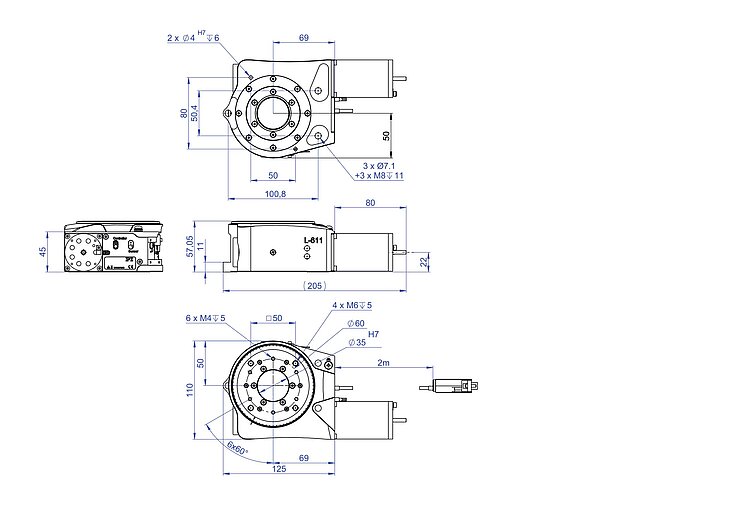
Hochpräzise Positionierung durch spielarm vorgespanntes Schneckengetriebe. Vorgespannte Drehlager für hohe Ablaufgenauigkeit. Freie Apertur mit Ø 35 mm. Unbegrenzter Stellbereich in beiden Drehrichtungen. Referenzschalter.
Reduziertes Ausgasen speziell für den Einsatz in Vakuumumgebung
Insbesondere die Schmierung der Führung und der Spindel ist mit einem besonders ausgasarmen Stoff durchgeführt. Damit kann eine Ausheiztemperatur bis 80 °C erreicht werden. Durch diese und weitere Modifikationen der PI Vakuumklasse V6 kann dieser Positionierer bei bis zu 10-6 hPa verwendet werden.
Höhere Güte für Anwendungen im Hochvakuum
Hier werden spezielle hochvakuumgeeignete Komponenten eingesetzt, wie Motor, Messsystem und Endschalter. Zusätzlich ist die Oberfläche aus blankem Aluminium, Spindeln und Führungen sind aus Edelstahl. Dadurch wird die PI Vakuumklasse V7 erreicht, d. h. bis zu 10-7 hPa .
Höchste Güte für spezielle Anforderungen im Ultrahochvakuum
In dieser Vakuumklasse wird das Produkt durch ultrahochvakuumgeeignete Komponenten und in allen Details optimiert, um die PI Vakuumklasse V9 bis zu 10-9 hPa zu erreichen. Dafür werden unter anderem nur ausgewählte Kunststoffarten und eine Ausheiztemperatur von 120 °C mit Messsystem bzw. von 150 °C ohne Messsystem verwendet.
Option: Messung der Ablaufgenauigkeit und Positioniergenauigkeit
Individuelle Messprotokolle für Taumeln, axiales und radiales Auswandern sind auf Anfrage erhältlich. Bitte bei Bestellung angeben.
Einsatzgebiete
Vakuumkammern. Forschung. Beamline-Instrumentierung. Mikroskopie. Elektronikmontage und -inspektion.
Spezifikationen
Spezifikationen
| Bewegen | L-611.991200V6 | L-611.991300V7 | L-611.991600V9 | Toleranz |
|---|---|---|---|---|
| Aktive Achsen | θZ | θZ | θZ | |
| Rotationsbereich in θZ | 360 ° | 360 ° | 360 ° | |
| Maximale Winkelgeschwindigkeit in θZ, unbelastet | 20 °/s | 20 °/s | 20 °/s | |
| Radiale Abweichung in X | ± 2,5 µm | ± 2,5 µm | ± 2,5 µm | typ. |
| Axiale Abweichung | ± 1 µm | ± 1 µm | ± 1 µm | typ. |
| Verkippung um X (Wobble) | ± 15 µrad | ± 15 µrad | ± 15 µrad | typ. |
| Positionieren | L-611.991200V6 | L-611.991300V7 | L-611.991600V9 | Toleranz |
| Kleinste Schrittweite in θZ | 8,72 µrad | 8,72 µrad | 8,72 µrad | typ. |
| Unidirektionale Wiederholgenauigkeit in θZ | ± 10 µrad | ± 10 µrad | ± 10 µrad | typ. |
| Bidirektionale Wiederholgenauigkeit in θZ | 350 µrad | 350 µrad | 350 µrad | typ. |
| Referenzschalter | Hall-Effekt, Öffner, 5 V, NPN | Hall-Effekt, Öffner, 5 V, NPN | Hall-Effekt, Öffner, 5 V, NPN | |
| Antriebseigenschaften | L-611.991200V6 | L-611.991300V7 | L-611.991600V9 | Toleranz |
| Antriebstyp | 2-Phasen-Schrittmotor | 2-Phasen-Schrittmotor | 2-Phasen-Schrittmotor | |
| Betriebsspannung | 24 V | 24 V | 24 V | |
| Nennspannung | 24 V | 24 V | 24 V | |
| Nennstrom, effektiv | 1,2 A | 1,2 A | 1,2 A | typ. |
| Maximale Leistungsaufnahme | 10 W | 10 W | 10 W | |
| Motorauflösung | 200 Vollschritte/U | 200 Vollschritte/U | 200 Vollschritte/U | |
| Widerstand Phase-Phase | 3,3 Ω | 3,3 Ω | 3,3 Ω | typ. |
| Induktivität Phase-Phase | 2,8 mH | 2,8 mH | 2,8 mH | |
| Mechanische Eigenschaften | L-611.991200V6 | L-611.991300V7 | L-611.991600V9 | Toleranz |
| Zulässige Druckkraft in X | 50 N | 50 N | 50 N | max. |
| Zulässige Druckkraft in Y | 50 N | 50 N | 50 N | max. |
| Zulässige Druckkraft in Z | 100 N | 100 N | 100 N | max. |
| Zulässige Zugkraft in X | 50 N | 50 N | 50 N | max. |
| Zulässige Zugkraft in Y | 50 N | 50 N | 50 N | max. |
| Zulässige Zugkraft in Z | 100 N | 100 N | 100 N | max. |
| Zulässiges Moment in θX | 40 N·m | 40 N·m | 40 N·m | max. |
| Zulässiges Moment in θY | 40 N·m | 40 N·m | 40 N·m | max. |
| Zulässiges Moment in θZ | 3 N·m | 3 N·m | 3 N·m | max. |
| Trägheitsmoment in θZ, unbelastet | 770 kg·mm² | 770 kg·mm² | 770 kg·mm² | ±20 % |
| Bewegte Masse in θZ, unbelastet | 1100 g | 1100 g | 1100 g | |
| Schneckengetriebeuntersetzung | 90 : 1 | 90 : 1 | 90 : 1 | |
| Lagertyp | Kugellager | Kugellager | Kugellager | |
| Gesamtmasse | 2600 g | 2600 g | 2600 g | |
| Material | Aluminium, eloxiert; Edelstahl; Rotguss | Aluminium, eloxiert; Edelstahl; Rotguss | Aluminium, eloxiert; Edelstahl; Rotguss | |
| Anschlüsse und Umgebung | L-611.991200V6 | L-611.991300V7 | L-611.991600V9 | Toleranz |
| Betriebstemperaturbereich | 5 bis 40 °C | 5 bis 40 °C | 5 bis 40 °C | |
| Vakuumklasse | 10⁻⁶ ǀ hPa | 10⁻⁷ ǀ hPa | 10⁻⁹ ǀ hPa | |
| Anschluss | HD D-Sub 26 (m) | D-Sub 15 (w) | D-Sub 15 (w) | |
| Kabellänge | — | 2 m | 2 m | |
| Empfohlene Controller/Treiber | C-663.12 C-885 mit C-663.12C885 Modularer ACS-Controller | C-663.12 C-885 mit C-663.12C885 Modularer ACS-Controller | C-663.12 C-885 mit C-663.12C885 Modularer ACS-Controller |
Hinweis zu Kabellänge: Fixkabel, fest am Produkt angebracht
Technische Daten werden bei PI bei 22 ±3 °C spezifiziert. Die angegebenen Werte gelten im unbelasteten Zustand, wenn nicht anders angegeben. Teilweise sind Eigenschaften voneinander abhängig. Die Angabe "typ." kennzeichnet einen statistischen Mittelwert für eine Eigenschaft; sie gibt keinen garantierten Wert für jedes ausgelieferte Produkt an. Bei der Ausgangsprüfung eines Produkts werden nicht alle, sondern nur ausgewählte Eigenschaften geprüft. Beachten Sie, dass sich einige Produkteigenschaften mit zunehmender Betriebsdauer verschlechtern können.
Downloads
Datenblatt
Dokumentation
User Manual L611T0006
L-611 Precision rotation stage for vacuum applications (1 E-7 hPa)
User Manual L611T0011
L-611 Precision rotation stage for vacuum applications (1 E-6 hPa), with stepper drive
User Manual L611T0007
L-611 Precision rotation stage for vacuum applications (1 E-9 hPa)
3-D-Modelle
L-611.991xxxVx 3D-Model
Angebot / Bestellung
Fordern Sie ein unverbindliches Angebot über gewünschte Stückzahlen, Preise und Lieferzeiten an oder beschreiben Sie Ihre gewünschte Modifikation.
Vakuumgeeigneter Präzisions-Rotationstisch; 2-Phasen-Schrittmotor; 360 ° Rotationswinkel; 100 N Belastbarkeit; 20 °/s maximale Winkelgeschwindigkeit; vakuumkompatibel bis 10⁻⁷ hPa; 2 m Kabellänge
Vakuumgeeigneter Präzisions-Rotationstisch; 2-Phasen-Schrittmotor; 360 ° Rotationswinkel; 100 N Belastbarkeit; 20 °/s maximale Winkelgeschwindigkeit; vakuumkompatibel bis 10⁻⁹ hPa; 2 m Kabellänge
Angebot anfordern
Fragen Sie den Fachmann!
Erhalten Sie innerhalb kürzester Zeit per E-Mail oder Telefon eine Rückmeldung zu Ihren Fragen von einem PI Vertriebsingenieur.
Technologie

Vakuum
Sorgfältige Handhabung und adäquate Räumlichkeiten: PI verfügt nicht nur über die Ausstattung zur Qualifizierung von Materialien, Komponenten und Endprodukten, sondern auch über langjährige Erfahrung im Bereich der HV- und UHV-Positioniersysteme.

Drehende Elektromotoren
Die drehenden Elektromotoren, wie zum Beispiel DC- oder Schrittmotoren, werden in Verbindung mit Spindel- oder Schneckenantrieb eingesetzt.
















