Vakuumgeeigneter kompakter Rotationstisch; 2-Phasen-Schrittmotor; 360 ° Rotationswinkel; 10 N Belastbarkeit; 20 °/s maximale Winkelgeschwindigkeit; vakuumkompatibel bis 10⁻⁷ hPa; 2 m Kabellänge
RS-40 V7 Vakuumgeeigneter kompakter Rotationstisch
Präzise Positionierung
- Vakuumgeeignet bis zu 10-7 hPa
- Unbegrenzter Stellbereich
- Wiederholgenauigkeit bis 87 µrad
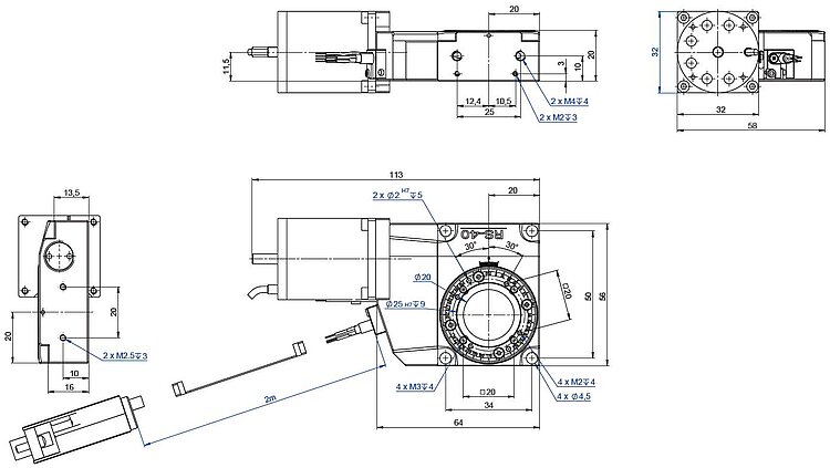
- 20 mm Ø Apertur
- Referenzschalter
Rotationstisch der Standardklasse
Schneckenantrieb. Apertur mit 20 mm Ø. Referenzschalter.
Reduziertes Ausgasen speziell für den Einsatz in Vakuumumgebung
Insbesondere die Schmierung der Führung und der Spindel ist mit einem besonders ausgasarmen Stoff durchgeführt. Damit kann eine Ausheiztemperatur bis 80 °C erreicht werden.
Höhere Güte für Anwendungen im Hochvakuum
Hier werden spezielle hochvakuumgeeignete Komponenten eingesetzt, wie Motor, Messsystem und Endschalter. Zusätzlich ist die Oberfläche aus blankem Aluminium, Spindeln und Führungen sind aus Edelstahl. Dadurch wird die PI Vakuumklasse V7 erreicht, d. h. bis zu 10-7 hPa .
Antrieb
Schrittmotor mit Getriebe.
Einsatzgebiete
Vakuumkammern. Forschung. Beamline-Instrumentierung. Mikroskopie. Elektronikmontage und -inspektion.
Spezifikationen
Spezifikationen
| Bewegen | 3216V21000 | Toleranz |
|---|---|---|
| Aktive Achsen | θZ | |
| Rotationsbereich in θZ | 360 ° | |
| Maximale Winkelgeschwindigkeit in θZ, unbelastet | 20 °/s | |
| Radiale Abweichung in X | ± 5 µm | typ. |
| Axiale Abweichung | ± 5 µm | typ. |
| Verkippung um X (Wobble) | ± 35 µrad | typ. |
| Positionieren | 3216V21000 | Toleranz |
| Kleinste Schrittweite in θZ | 87 µrad | typ. |
| Unidirektionale Wiederholgenauigkeit in θZ | ± 43,5 µrad | typ. |
| Bidirektionale Wiederholgenauigkeit in θZ | 1400 µrad | typ. |
| Referenzschalter | Hall-Effekt, Öffner, 3,8 V bis 24 V, NPN | |
| Antriebseigenschaften | 3216V21000 | Toleranz |
| Antriebstyp | 2-Phasen-Schrittmotor | |
| Nennspannung | 24 V | |
| Motorauflösung | 200 Vollschritte/U | |
| Antriebsmoment in Uhrzeigerrichtung in θZ | 0,2 N·m | max. |
| Antriebsmoment gegen die Uhrzeigerrichtung in θZ | 0,2 N·m | max. |
| Mechanische Eigenschaften | 3216V21000 | Toleranz |
| Zulässige Druckkraft in Y | 5 N | max. |
| Zulässige Druckkraft in Z | 20 N | max. |
| Zulässiges Moment in θX | 2 N·m | max. |
| Zulässiges Moment in θY | 2 N·m | max. |
| Haltemoment in θZ, passiv | 0,2 N·m | |
| Trägheitsmoment in θZ, unbelastet | 15,5 kg·mm² | ±20 % |
| Bewegte Masse in X, unbelastet | 90 g | |
| Schneckengetriebeuntersetzung | 90 : 1 | |
| Lagertyp | Kugellager | |
| Gesamtmasse | 400 g | |
| Material | Aluminium, Edelstahl, Rotguss | |
| Anschlüsse und Umgebung | 3216V21000 | Toleranz |
| Betriebstemperaturbereich | 5 bis 40 °C | |
| Vakuumklasse | 10⁻⁷ ǀ hPa | |
| Anschluss | D-Sub 15 (w) | |
| Kabellänge | 2 m | |
| Empfohlene Controller/Treiber | C-663.12 C-885 mit C-663.12C885 Modularer ACS-Controller |
Hinweis zu Kabellänge: Fixkabel, fest am Produkt angebracht
Technische Daten werden bei PI bei 22 ±3 °C spezifiziert. Die angegebenen Werte gelten im unbelasteten Zustand, wenn nicht anders angegeben. Teilweise sind Eigenschaften voneinander abhängig. Die Angabe "typ." kennzeichnet einen statistischen Mittelwert für eine Eigenschaft; sie gibt keinen garantierten Wert für jedes ausgelieferte Produkt an. Bei der Ausgangsprüfung eines Produkts werden nicht alle, sondern nur ausgewählte Eigenschaften geprüft. Beachten Sie, dass sich einige Produkteigenschaften mit zunehmender Betriebsdauer verschlechtern können.
Downloads
Datenblatt
Dokumentation
Benutzerhandbuch RS-40
Kompakter Rotationstisch
3-D-Modelle
3D-Modell RS-40 V7
Angebot / Bestellung
Fordern Sie ein unverbindliches Angebot über gewünschte Stückzahlen, Preise und Lieferzeiten an oder beschreiben Sie Ihre gewünschte Modifikation.
Angebot anfordern
Fragen Sie den Fachmann!
Erhalten Sie innerhalb kürzester Zeit per E-Mail oder Telefon eine Rückmeldung zu Ihren Fragen von einem PI Vertriebsingenieur.
Technologie

Vakuum
Sorgfältige Handhabung und adäquate Räumlichkeiten: PI verfügt nicht nur über die Ausstattung zur Qualifizierung von Materialien, Komponenten und Endprodukten, sondern auch über langjährige Erfahrung im Bereich der HV- und UHV-Positioniersysteme.

Drehende Elektromotoren
Die drehenden Elektromotoren, wie zum Beispiel DC- oder Schrittmotoren, werden in Verbindung mit Spindel- oder Schneckenantrieb eingesetzt.










