Piezohubtisch; 120 µm Stellweg (ungeregelt); LEMO-Stecker; 1,5 m Kabellänge
P-611.Z Piezohubtisch
Kompakter Nanopositionierer
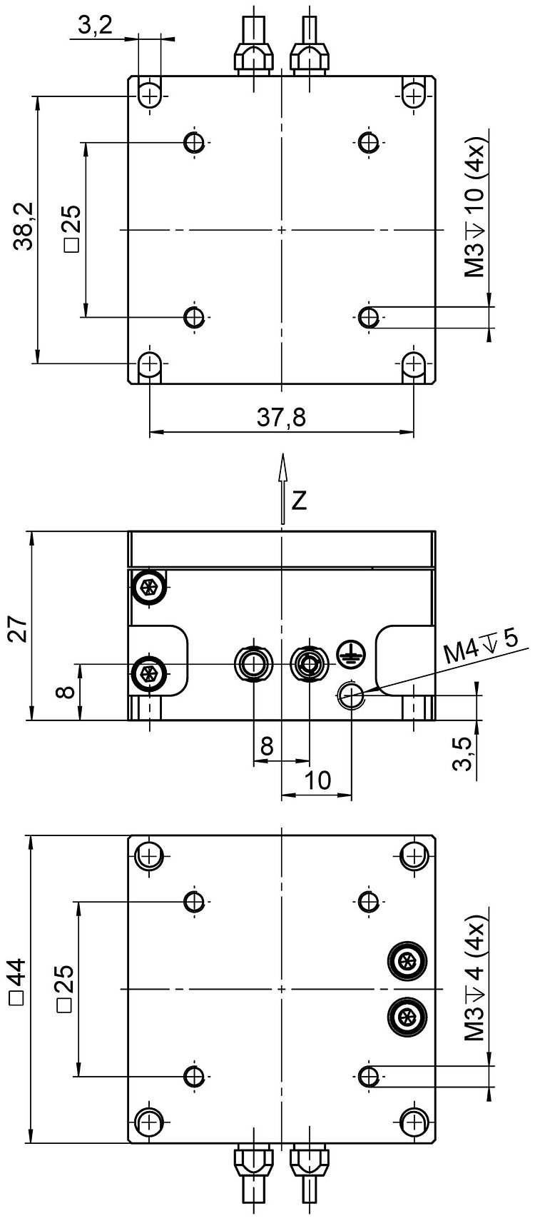
- Kompakt: Grundfläche nur 44 mm × 44 mm
- Stellweg 100 µm
- Auflösung bis 0,2 nm
- Besonders kostengünstige Systeme (Mechanik und Controller)
- Spielfreie und hochgenaue Festkörperführungen
- Überlegene Lebensdauer dank PICMA® Piezoaktoren
- X-, XY-, XZ- und XYZ-Versionen
Einsatzgebiete
- Mikrobearbeitung
- Photonik
- Faserpositionierung
- Prüfverfahren und Qualitätssicherung
Überragende Lebensdauer dank PICMA® Piezoaktoren
Die PICMA® Piezoaktoren sind vollkeramisch isoliert. Dies schützt sie vor Luftfeuchtigkeit und Ausfällen durch erhöhten Leckstrom. PICMA® Aktoren bieten eine bis zu zehnmal höhere Lebensdauer als konventionelle polymerisolierte Aktoren. 100 Milliarden Zyklen ohne einen einzigen Ausfall sind erwiesen.
Spezifikationen
Spezifikationen
| Bewegen | P-611.Z0 | P-611.ZS | Toleranz |
|---|---|---|---|
| Aktive Achsen | Z | Z | |
| Stellweg in Z, ungeregelt | 120 µm | 120 µm | ±20 % |
| Gieren (Rotatorisches Übersprechen in θX bei Bewegung in Z) | ± 20 µrad | ± 20 µrad | typ. |
| Neigen (Rotatorisches Übersprechen in θY bei Bewegung in Z) | ± 5 µrad | ± 5 µrad | typ. |
| Rollen (Rotatorisches Übersprechen in θZ bei Bewegung in Z) | ± 5 µrad | ± 5 µrad | typ. |
| Bandbreite, 10%-Schritt in Z | 40 Hz | 40 Hz | |
| Stellweg in Z | 100 µm | ||
| Linearitätsabweichung in Z | 0,1 % | typ. | |
| Positionieren | P-611.Z0 | P-611.ZS | Toleranz |
| Auflösung in Z, ungeregelt | 0,2 nm | 0,2 nm | typ. |
| Einschwingzeit für 10-%-Schritt in Z | 25 ms | 25 ms | |
| Bidirektionale Wiederholgenauigkeit in Z | 5 nm | typ. | |
| Integrierter Sensor | DMS, indirekte Positionsmessung | ||
| Systemauflösung in Z | 2 nm | ||
| Antriebseigenschaften | P-611.Z0 | P-611.ZS | Toleranz |
| Antriebstyp | PICMA® | PICMA® | |
| Elektrische Kapazität in Z | 1,5 µF | 1,5 µF | ±20 % |
| Mechanische Eigenschaften | P-611.Z0 | P-611.ZS | Toleranz |
| Steifigkeit in Z | 0,45 N/µm | 0,45 N/µm | ±20 % |
| Resonanzfrequenz in Z, unbelastet | 460 Hz | 460 Hz | ±20 % |
| Resonanzfrequenz in Z, belastet mit 30 g | 375 Hz | 375 Hz | ±20 % |
| Resonanzfrequenz in Z, belastet mit 100 g | 265 Hz | 265 Hz | ±20 % |
| Zulässige Druckkraft in Z | 15 N | 15 N | max. |
| Zulässige Zugkraft in Z | 10 N | 10 N | max. |
| Führung | Festkörpergelenksführung mit Hebelübersetzung | Festkörpergelenksführung mit Hebelübersetzung | |
| Gesamtmasse | 176 g | 176 g | |
| Material | Aluminium, Stahl | Aluminium, Stahl | |
| Anschlüsse und Umgebung | P-611.Z0 | P-611.ZS | Toleranz |
| Betriebstemperaturbereich | -20 bis 80 °C | -20 bis 80 °C | |
| Anschluss | LEMO FFS.00.250.CTCE24 | LEMO FFS.00.250.CTCE24 | |
| Kabellänge | 1,5 m | 1,5 m | |
| Empfohlene Controller / Treiber | E-610, E-625, E-665, E-836 | E-610, E-625, E-665, E-709.SRG, E-836 | |
| Sensoranschluss | LEMO FFA.0S.304.CLAC32 |
Die Auflösung des Systems wird nur vom Rauschen des Verstärkers und der Messtechnik begrenzt, da PI-Piezo-Nanopositioniersysteme reibungsfrei arbeiten.
Systemeigenschaften
Systemkonfiguration: P-611.ZS und E-665.SR Controller mit 30 g Last
Downloads
Datenblatt
Dokumentation
Benutzerhandbuch PZ253
P-611 Nanopositioniersysteme mit DMS-Sensor / ohne Sensor
Auspackanweisung P611T0006
Auspacken und Handhabung von P-611 Positionierern
3-D-Modelle
P-611.Z 3D-Modell
Angebot / Bestellung
Fordern Sie ein unverbindliches Angebot über gewünschte Stückzahlen, Preise und Lieferzeiten an oder beschreiben Sie Ihre gewünschte Modifikation.
Piezohubtisch; 100 µm Stellweg; DMS, indirekte Positionsmessung; LEMO-Stecker; 1,5 m Kabellänge
Angebot anfordern
Fragen Sie den Fachmann!
Erhalten Sie innerhalb kürzester Zeit per E-Mail oder Telefon eine Rückmeldung zu Ihren Fragen von einem PI Vertriebsingenieur.




















