PIglide RLA Rotationstisch mit Luftlager; eisenloser 3-Phasen-Torquemotor; 360 ° Rotationswinkel; 150 N Belastbarkeit; 500 min⁻¹ maximale Winkelgeschwindigkeit; inkrementelles Winkelmesssystem, 0,03 µrad Sensorauflösung, rotatorisch, Sin/Cos, 1 V Spitze-Spitze
A-68x PIglide RLA Rotationstisch mit Luftlager
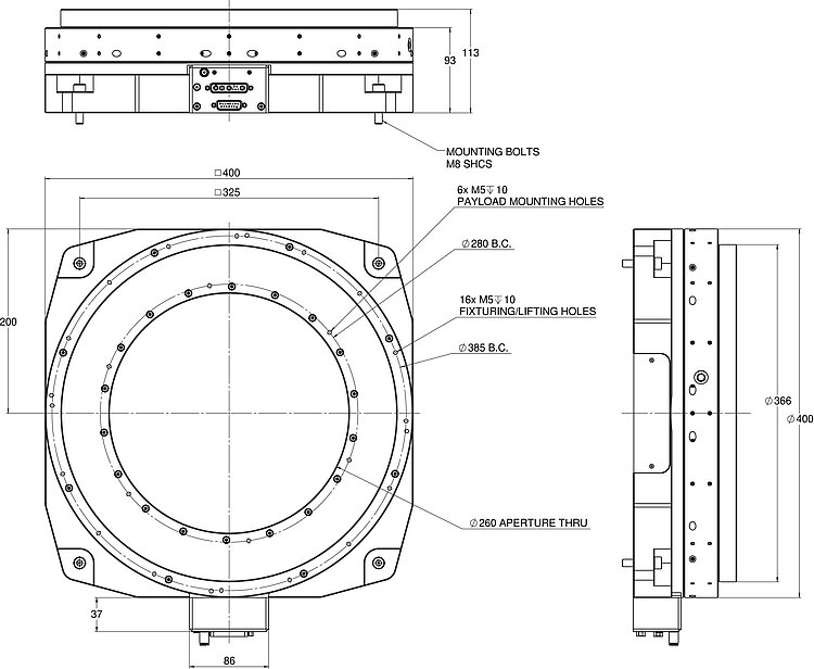
Große Apertur, reibungsfrei, motorisiert
- Durchmesser Bewegungsplattform 365 mm, Durchmesser Apertur 260 mm
- Niedrige Bauhöhe
- Exzentrizität und Ebenheit < 300 nm
Produktübersicht
Die direktangetriebenen Rotationstische der PIglide RLA-Serie sind für höchste Präzision ausgelegt. Sie haben eine flache Bauform und eine große freie Apertur. Die RLA-Tische bieten eine überragende Leistung bei Ablaufgenauigkeit, Ebenheit und Taumeln.
3-Phasen-Torquemotor
- Bürstenlos
- Geringes Rastmoment
Absolutencoder (optional)
Absolutencoder liefern eindeutige Lageinformationen, die eine sofortige Feststellung der Position ermöglichen. Somit ist keine Referenzierung beim Einschalten erforderlich, Effizienz und Sicherheit im Betrieb können gesteigert werden.
Zubehör und Optionen
- Inkrementeller oder absoluter Encoder
- PIglide Filter und Druckregler
- Ein- oder mehrachsige Motion Controller und Servoantriebe
- Mehrachs-/ kundenspezifische Aufbauten
- Grundplatten aus Granit und Systeme zur Vibrationsminderung
Einsatzgebiete
Tomografie, Beamline-Systeme, Wafermetrologie, Waferinspektion, Messtechnik, Inspektionssysteme, Kalibrierung, Scannen.
Aufgrund der Reibungsfreiheit entstehen keine Partikel, wodurch PIglide Tische ideal unter Reinraumbedingungen eingesetzt werden können.
Spezifikationen
Dieser Inhalt ist nur auf Tablets oder Desktop Geräten verfügbar.Spezifikationen
| Bewegen | A-688.A100 | A-688.B100 | Toleranz |
|---|---|---|---|
| Aktive Achsen | θZ | θZ | |
| Rotationsbereich in θZ | 360 ° | 360 ° | |
| Maximale Winkelgeschwindigkeit in θZ, unbelastet | 500 min⁻¹ | 500 min⁻¹ | |
| Radiale Abweichung in X | ± 0,15 µm | ± 0,15 µm | typ. |
| Axiale Abweichung | ± 0,175 µm | ± 0,175 µm | typ. |
| Verkippung um X (Wobble) | ± 1 µrad | ± 1 µrad | typ. |
| Positionieren | A-688.A100 | A-688.B100 | Toleranz |
| Positioniergenauigkeit in θZ, kalibriert | ± 8 µrad | ± 8 µrad | typ. |
| Bidirektionale Wiederholgenauigkeit in θZ | 4 µrad | 4 µrad | typ. |
| Referenzschalter | 1 / Umdrehung, Differenzialpuls über eine Sensorsignalperiode, 1 V Spitze-Spitze | — | |
| Integrierter Sensor | Inkrementelles Winkelmesssystem | Absolutes Winkelmesssystem | |
| Sensorsignal | Sin/Cos, 1 V Spitze-Spitze | BiSS-C | |
| Sensorsignalperioden / U | 55040 | — | |
| Sensorauflösung, rotatorisch | 0,03 µrad | 0,0015 µrad | |
| Antriebseigenschaften | A-688.A100 | A-688.B100 | Toleranz |
| Antriebstyp | Eisenloser 3-Phasen-Torquemotor | Eisenloser 3-Phasen-Torquemotor | |
| Nennspannung | 48 V | 48 V | |
| Spitzenspannung | 80 V | 80 V | |
| Nennstrom, effektiv | 3,2 A | 3,2 A | typ. |
| Spitzenstrom, effektiv | 6,9 A | 6,9 A | typ. |
| Antriebsmoment in Uhrzeigerrichtung in θZ | 39 N·m | 39 N·m | max. |
| Antriebsmoment gegen die Uhrzeigerrichtung in θZ | 39 N·m | 39 N·m | max. |
| Spitzenmoment in Uhrzeigerrichtung in θZ | 85 N·m | 85 N·m | max. |
| Spitzenmoment gegen die Uhrzeigerrichtung in θZ | 85 N·m | 85 N·m | max. |
| Drehmomentkonstante | 12,3 N·m/A | 12,3 N·m/A | typ. |
| Widerstand Phase-Phase | 3,6 Ω | 3,6 Ω | typ. |
| Induktivität Phase-Phase | 1,24 mH | 1,24 mH | |
| Gegen-EMK Phase-Phase, rotatorisch | 10,1 V/kRPM | 10,1 V/kRPM | max. |
| Mechanische Eigenschaften | A-688.A100 | A-688.B100 | Toleranz |
| Zulässige Druckkraft in X | 190 N | 190 N | max. |
| Zulässige Druckkraft in Y | 190 N | 190 N | max. |
| Zulässige Druckkraft in Z | 150 N | 150 N | max. |
| Zulässiges Moment in θX | 36 N·m | 36 N·m | max. |
| Zulässiges Moment in θY | 36 N·m | 36 N·m | max. |
| Trägheitsmoment in θZ, unbelastet | 284710 kg·mm² | 284710 kg·mm² | ±20 % |
| Bewegte Masse in θZ, unbelastet | 12000 g | 12000 g | ±5 % |
| Lagertyp | Luftlager mit Luft-Vorspannung | Luftlager mit Luft-Vorspannung | |
| Gesamtmasse | 24000 g | 24000 g | ±5 % |
| Material | Hartbeschichtetes Aluminium, Befestigungsmaterial aus Edelstahl | Hartbeschichtetes Aluminium, Befestigungsmaterial aus Edelstahl | |
| Anschlüsse und Umgebung | A-688.A100 | A-688.B100 | Toleranz |
| Betriebstemperaturbereich | 15 bis 25 °C | 15 bis 25 °C | |
| Anschluss | D-Sub 9W4 (m) | D-Sub 9W4 (m) | |
| Sensoranschluss | D-Sub 15 (m) | D-Sub 15 (m) | |
| Betriebsdruck | 515 bis 585 kPa | 515 bis 585 kPa | |
| Luftdurchsatz | 56 L/min | 56 L/min | max. |
| Luftqualität | Rein (gefiltert bis zu 1,0 μm oder besser) - ISO 8573–1 Klasse 1 ǀ Ölfrei - ISO 8573–1 Klasse 1 ǀ Trocken (-15 °C Taupunkt) - ISO 8573–1 Klasse 3 | Rein (gefiltert bis zu 1,0 μm oder besser) - ISO 8573–1 Klasse 1 ǀ Ölfrei - ISO 8573–1 Klasse 1 ǀ Trocken (-15 °C Taupunkt) - ISO 8573–1 Klasse 3 | |
| Empfohlene Controller / Treiber | A-81x, A-82x | A-81x, A-82x |
Hinweis zu linearem und rotatorischem Übersprechen: Abhängig von der Qualität des Untergrundes, der Nutzlast, der Orientierung und Kräften, die von außen auf den Tisch wirken. Bitte kontaktieren Sie PI für applikationsspezifische Parameter. Angegebene Werte sind statisch (keine Rotationsbewegung während der Messung) und ohne Last.
Hinweis zu zulässiger Druckkraft und zulässigem Moment: Die aufgeführten Werte setzen eine Luftversorgung mit 550 kPa (80 psi) voraus. Für andere Drücke, wenden Sie sich bitte an PI.
Hinweis zu Winkelgeschwindigkeit: Kann durch Nutzlast, Nutzlastunwucht, Controller oder Antrieb eingeschränkt werden.
Hinweis zu Sensorauflösung bei A-68x.A100: Geht von einer 4096-fachen Interpolation aus. Kontaktieren Sie PI für den Einsatz anderer Faktoren.
Hinweis zu Positioniergenauigkeit: Mit Führungsfehlerkompensation. Angegebene Werte basieren auf Controller-gesteuerter Fehlerkompensation. Der Tisch muss mit einem Controller der Serie A-8xx von PI geordert werden, um diese Werte zu erreichen. Genauigkeitswerte gehen von kurzfristiger Dauer aus und berücksichtigen die Langzeitfolgen der thermischen Drift auf den Tisch nicht.
Hinweis zu Betriebsdruck: Zum Schutz des Tischs gegen Schäden wird empfohlen, einen Luftdrucksensor an den Motion-Stop-Eingang des Controllers anzuschließen.
Sonderausführungen auf Anfrage
Technische Daten werden bei PI bei 22 ±3 °C spezifiziert. Die angegebenen Werte gelten im unbelasteten Zustand, wenn nicht anders angegeben. Teilweise sind Eigenschaften voneinander abhängig. Die Angabe "typ." kennzeichnet einen statistischen Mittelwert für eine Eigenschaft; sie gibt keinen garantierten Wert für jedes ausgelieferte Produkt an. Bei der Ausgangsprüfung eines Produkts werden nicht alle, sondern nur ausgewählte Eigenschaften geprüft. Beachten Sie, dass sich einige Produkteigenschaften mit zunehmender Betriebsdauer verschlechtern können.
Downloads
Dokumentation
Benutzerhandbuch A688D0001
A-688 Series Large Clear Aperture Rotary Air Bearing Stage
Angebot / Bestellung
Fordern Sie ein unverbindliches Angebot über gewünschte Stückzahlen, Preise und Lieferzeiten an oder beschreiben Sie Ihre gewünschte Modifikation.
PIglide RLA Rotationstisch mit Luftlager; eisenloser 3-Phasen-Torquemotor; 360 ° Rotationswinkel; 150 N Belastbarkeit; 500 min⁻¹ maximale Winkelgeschwindigkeit; absolutes Winkelmesssystem, 0,0015 µrad Sensorauflösung, rotatorisch, BiSS-C
Angebot anfordern
Fragen Sie den Fachmann!
Erhalten Sie innerhalb kürzester Zeit per E-Mail oder Telefon eine Rückmeldung zu Ihren Fragen von einem PI Vertriebsingenieur.












