Lineartisch für sehr hohe Lasten; DC-Motor; 305 mm Stellweg; 1500 N Belastbarkeit; 150 mm/s maximale Geschwindigkeit; Kugelumlaufspindel; Inkrementeller Rotationsencoder, 20000 Impulse/U Auflösung, A/B-Quadratur, RS-422
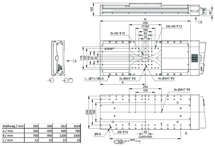
LS-270 Lineartisch für sehr hohe Lasten
Robustes Design mit hoher Steifigkeit
- Stellwege von 305 bis 1016 mm (12 bis 40")
- Hervorragende Ablaufgenauigkeit
- Max. Geschwindigkeit bis 150 mm/s
- Belastbarkeit bis 1500 N
- Versionen mit Linearmesssystem
Lineartisch der Referenzklasse
Hohe Ablaufgenauigkeit und Belastbarkeit durch Kreuzrollenführungen mit hoher Lebensdauer. Präzisions-Kugelumlaufspindel mit 5 mm Steigung. Grundprofil aus entspanntem Aluminium für hohe Stabilität. Kontaktlose induktive Endschalter.
Antriebsarten
- Geregelter DC-Servomotor mit Rotationsencoder auf der Antriebswelle
- 2-Phasen-Schrittmotor für hohes Drehmoment auch bei kleinen Geschwindigkeiten und hohe Auflösung
Versionen mit direkter Positionsmessung
Integrierter Linearencoder, zwischen den Führungen montiert. Direkte Positionsmessung der bewegten Plattform eliminiert den Einfluss von mechanischem Spiel und Hysterese im Antriebsstrang auf die Positioniergenauigkeit.
Einsatzgebiete
Präzisionspositionierung in Industrie und Forschung, hohe Einsatzzyklen.
Spezifikationen
Dieser Inhalt ist nur auf Tablets oder Desktop Geräten verfügbar.Spezifikationen
| Bewegen | 623991204 | 623991214 | 623991304 | 623991314 | 623991404 | 623991414 | 623991504 | 623992214-0001 | 623992304 | 623992314-0001 | 623992414-LS011 | Toleranz |
|---|---|---|---|---|---|---|---|---|---|---|---|---|
| Aktive Achsen | X | X | X | X | X | X | X | X | X | X | X | |
| Stellweg in X | 305 mm | 305 mm | 508 mm | 508 mm | 815 mm | 815 mm | 1016 mm | 305 mm | 508 mm | 508 mm | 815 mm | |
| Maximale Geschwindigkeit in X, unbelastet | 150 mm/s | 150 mm/s | 150 mm/s | 150 mm/s | 150 mm/s | 150 mm/s | 150 mm/s | 50 mm/s | 50 mm/s | 50 mm/s | 50 mm/s | |
| Geradheitsabweichung in Y (Geradheit) | ± 3 µm | ± 3 µm | ± 4 µm | ± 4 µm | ± 7 µm | ± 7 µm | ± 10 µm | ± 3 µm | ± 4 µm | ± 4 µm | ± 7 µm | typ. |
| Geradheitsabweichung in Z (Ebenheit) | ± 3 µm | ± 3 µm | ± 4 µm | ± 4 µm | ± 7 µm | ± 7 µm | ± 10 µm | ± 3 µm | ± 4 µm | ± 4 µm | ± 7 µm | typ. |
| Winkelabweichung um Y (Nicken) | ± 40 µrad | ± 40 µrad | ± 80 µrad | ± 80 µrad | ± 100 µrad | ± 100 µrad | ± 120 µrad | ± 40 µrad | ± 80 µrad | ± 80 µrad | ± 100 µrad | typ. |
| Winkelabweichung um Z (Gieren) | ± 20 µrad | ± 20 µrad | ± 30 µrad | ± 30 µrad | ± 40 µrad | ± 40 µrad | ± 50 µrad | ± 20 µrad | ± 30 µrad | ± 30 µrad | ± 40 µrad | typ. |
| Positionieren | 623991204 | 623991214 | 623991304 | 623991314 | 623991404 | 623991414 | 623991504 | 623992214-0001 | 623992304 | 623992314-0001 | 623992414-LS011 | Toleranz |
| Unidirektionale Wiederholgenauigkeit in X | ± 0,25 µm | ± 0,075 µm | ± 0,25 µm | ± 0,075 µm | ± 0,25 µm | ± 0,075 µm | ± 0,25 µm | ± 0,075 µm | ± 0,2 µm | ± 0,075 µm | ± 0,075 µm | typ. |
| Bidirektionale Wiederholgenauigkeit in X | 5 µm | 0,3 µm | 5 µm | 0,3 µm | 5 µm | 0,3 µm | 5 µm | 0,3 µm | 5 µm | 0,3 µm | 0,3 µm | typ. |
| Umkehrspiel in X | 5 µm | — | 5 µm | — | 5 µm | — | 5 µm | — | 5 µm | — | — | typ. |
| Endschalter | Induktiv | Induktiv | Induktiv | Induktiv | Induktiv | Induktiv | Induktiv | Induktiv | Induktiv | Induktiv | Induktiv | |
| Integrierter Sensor | — | Inkrementeller Linearencoder | — | Inkrementeller Linearencoder | — | Inkrementeller Linearencoder | — | Inkrementeller Linearencoder | — | Inkrementeller Linearencoder | Inkrementeller Linearencoder | |
| Sensorsignal | — | A/B-Quadratur, RS-422 | — | A/B-Quadratur, RS-422 | — | A/B-Quadratur, RS-422 | — | Sin/Cos, 1 V Spitze-Spitze | — | Sin/Cos, 1 V Spitze-Spitze | Sin/Cos, 1 V Spitze-Spitze | |
| Sensorsignalperiode | — | — | — | — | — | — | — | 20 µm | — | 20 µm | 20 µm | |
| Sensorauflösung | — | 50 nm | — | 50 nm | — | 50 nm | — | 50 nm | — | 50 nm | 50 nm | |
| Motorencoder | Inkrementeller Rotationsencoder | — | Inkrementeller Rotationsencoder | — | Inkrementeller Rotationsencoder | — | Inkrementeller Rotationsencoder | — | — | — | — | |
| Sensorsignal Motorencoder | A/B-Quadratur, RS-422 | — | A/B-Quadratur, RS-422 | — | A/B-Quadratur, RS-422 | — | A/B-Quadratur, RS-422 | — | — | — | — | |
| Auflösung Motorencoder | 20000 Impulse/U | — | 20000 Impulse/U | — | 20000 Impulse/U | — | 20000 Impulse/U | — | — | — | — | |
| Antriebseigenschaften | 623991204 | 623991214 | 623991304 | 623991314 | 623991404 | 623991414 | 623991504 | 623992214-0001 | 623992304 | 623992314-0001 | 623992414-LS011 | Toleranz |
| Antriebstyp | DC-Motor | DC-Motor | DC-Motor | DC-Motor | DC-Motor | DC-Motor | DC-Motor | 2-Phasen-Schrittmotor | 2-Phasen-Schrittmotor | 2-Phasen-Schrittmotor | 2-Phasen-Schrittmotor | |
| Betriebsspannung | — | — | — | — | — | — | — | 24 V V | 24 V V | 24 V V | 24 V V | |
| Nennspannung | 22,9 V | 22,9 V | 22,9 V | 22,9 V | 22,9 V | 22,9 V | 22,9 V | — | — | — | — | |
| Nennstrom, effektiv | 5,57 A | 5,57 A | 5,57 A | 5,57 A | 5,57 A | 5,57 A | 5,57 A | 2 A | 2 A | 2 A | 2 A | typ. |
| Motorauflösung | — | — | — | — | — | — | — | 400 Vollschritte/U | 400 Vollschritte/U | 400 Vollschritte/U | 400 Vollschritte/U | |
| Antriebskraft in X | 200 N | 200 N | 200 N | 200 N | 200 N | 200 N | 200 N | 260 N | 260 N | 260 N | 260 N | typ. |
| Drehmomentkonstante | 0,057 N·m/A | 0,057 N·m/A | 0,057 N·m/A | 0,057 N·m/A | 0,057 N·m/A | 0,057 N·m/A | 0,057 N·m/A | — | — | — | — | typ. |
| Widerstand Phase-Phase | 0,65 Ω | 0,65 Ω | 0,65 Ω | 0,65 Ω | 0,65 Ω | 0,65 Ω | 0,65 Ω | 1,8 Ω | 1,8 Ω | 1,8 Ω | 1,8 Ω | typ. |
| Induktivität Phase-Phase | 0,42 mH | 0,42 mH | 0,42 mH | 0,42 mH | 0,42 mH | 0,42 mH | 0,42 mH | 3,2 mH | 3,2 mH | 3,2 mH | 3,2 mH | |
| Mechanische Eigenschaften | 623991204 | 623991214 | 623991304 | 623991314 | 623991404 | 623991414 | 623991504 | 623992214-0001 | 623992304 | 623992314-0001 | 623992414-LS011 | Toleranz |
| Steifigkeit in θX | 1,6 N·m/µrad | 1,6 N·m/µrad | 1,6 N·m/µrad | 1,6 N·m/µrad | 1,6 N·m/µrad | 1,6 N·m/µrad | 1,6 N·m/µrad | 1,6 N·m/µrad | 1,6 N·m/µrad | 1,6 N·m/µrad | 1,6 N·m/µrad | |
| Steifigkeit in θY | 3,2 N·m/µrad | 3,2 N·m/µrad | 3,2 N·m/µrad | 3,2 N·m/µrad | 3,2 N·m/µrad | 3,2 N·m/µrad | 3,2 N·m/µrad | 3,2 N·m/µrad | 3,2 N·m/µrad | 3,2 N·m/µrad | 3,2 N·m/µrad | |
| Zulässige Druckkraft in Y | 1200 N | 1200 N | 1200 N | 1200 N | 1200 N | 1200 N | 1200 N | 1200 N | 1200 N | 1200 N | 1200 N | max. |
| Zulässige Druckkraft in Z | 1500 N | 1500 N | 1500 N | 1500 N | 1500 N | 1500 N | 1500 N | 1500 N | 1500 N | 1500 N | 1500 N | max. |
| Zulässiges Moment in θX | 600 N·m | 600 N·m | 600 N·m | 600 N·m | 600 N·m | 600 N·m | 600 N·m | 600 N·m | 600 N·m | 600 N·m | 600 N·m | max. |
| Zulässiges Moment in θY | 250 N·m | 250 N·m | 250 N·m | 250 N·m | 250 N·m | 250 N·m | 250 N·m | 250 N·m | 250 N·m | 250 N·m | 250 N·m | max. |
| Zulässiges Moment in θZ | 250 N·m | 250 N·m | 250 N·m | 250 N·m | 250 N·m | 250 N·m | 250 N·m | 250 N·m | 250 N·m | 250 N·m | 250 N·m | max. |
| Haltekraft in X, passiv | 20 N | 20 N | 20 N | 20 N | 20 N | 20 N | 20 N | 30 N | 30 N | 30 N | 30 N | |
| Spindeltyp | Kugelumlaufspindel | Kugelumlaufspindel | Kugelumlaufspindel | Kugelumlaufspindel | Kugelumlaufspindel | Kugelumlaufspindel | Kugelumlaufspindel | Kugelumlaufspindel | Kugelumlaufspindel | Kugelumlaufspindel | Kugelumlaufspindel | |
| Spindelsteigung | 5 mm | 5 mm | 5 mm | 5 mm | 5 mm | 5 mm | 5 mm | 5 mm | 5 mm | 5 mm | 5 mm | |
| Führung | Kreuzrollenführung | Kreuzrollenführung | Kreuzrollenführung | Kreuzrollenführung | Kreuzrollenführung | Kreuzrollenführung | Kreuzrollenführung | Kreuzrollenführung | Kreuzrollenführung | Kreuzrollenführung | Kreuzrollenführung | |
| Gesamtmasse | 29000 g | 29900 g | 35000 g | 35900 g | 43000 g | 43900 g | 50000 g | 29900 g | 35000 g | 35900 g | 43900 g | |
| Material | Aluminium, schwarz eloxiert | Aluminium, schwarz eloxiert | Aluminium, schwarz eloxiert | Aluminium, schwarz eloxiert | Aluminium, schwarz eloxiert | Aluminium, schwarz eloxiert | Aluminium, schwarz eloxiert | Aluminium, schwarz eloxiert | Aluminium, schwarz eloxiert | Aluminium, schwarz eloxiert | Aluminium, schwarz eloxiert | |
| Anschlüsse und Umgebung | 623991204 | 623991214 | 623991304 | 623991314 | 623991404 | 623991414 | 623991504 | 623992214-0001 | 623992304 | 623992314-0001 | 623992414-LS011 | Toleranz |
| Betriebstemperaturbereich | 5 bis 40 °C | 5 bis 40 °C | 5 bis 40 °C | 5 bis 40 °C | 5 bis 40 °C | 5 bis 40 °C | 5 bis 40 °C | 5 bis 40 °C | 5 bis 40 °C | 5 bis 40 °C | 5 bis 40 °C | |
| Anschluss | D-Sub 17W2 (m) | D-Sub 17W2 (m) | D-Sub 17W2 (m) | D-Sub 17W2 (m) | D-Sub 17W2 (m) | D-Sub 17W2 (m) | D-Sub 17W2 (m) | D-Sub 17W2 (m) | D-Sub 17W2 (m) | D-Sub 17W2 (m) | D-Sub 17W2 (m) | |
| Sensoranschluss | — | D-Sub 9 (m) | — | D-Sub 9 (m) | — | D-Sub 9 (m) | — | D-Sub 9 (m) | — | D-Sub 9 (m) | D-Sub 9 (m) | |
| Empfohlene Controller/Treiber | C-863 C-885 mit C-863.20C885 | C-863 C-885 mit C-863.20C885 | C-863 C-885 mit C-863.20C885 | C-863 C-885 mit C-863.20C885 | C-863 C-885 mit C-863.20C885 | C-863 C-885 mit C-863.20C885 | C-863 C-885 mit C-863.20C885 | C-663 C-885 mit C-663.12C885 | C-663 C-885 mit C-663.12C885 | C-663 C-885 mit C-663.12C885 | C-663 C-885 mit C-663.12C885 |
Technische Daten werden bei PI bei 22 ±3 °C spezifiziert. Die angegebenen Werte gelten im unbelasteten Zustand, wenn nicht anders angegeben. Teilweise sind Eigenschaften voneinander abhängig. Die Angabe "typ." kennzeichnet einen statistischen Mittelwert für eine Eigenschaft; sie gibt keinen garantierten Wert für jedes ausgelieferte Produkt an. Bei der Ausgangsprüfung eines Produkts werden nicht alle, sondern nur ausgewählte Eigenschaften geprüft. Beachten Sie, dass sich einige Produkteigenschaften mit zunehmender Betriebsdauer verschlechtern können.
Downloads
Produktmitteilung
Product Change Notification Motor Driven Products
Dokumentation
Benutzerhandbuch LS-270
Lineartisch
Benutzerhandbuch LS270T0003
Schmieranleitung für LS-270
3-D-Modelle
LS-270 3D-Modell
Angebot / Bestellung
Fordern Sie ein unverbindliches Angebot über gewünschte Stückzahlen, Preise und Lieferzeiten an oder beschreiben Sie Ihre gewünschte Modifikation.
Lineartisch für sehr hohe Lasten; DC-Motor; 305 mm Stellweg; 1500 N Belastbarkeit; 150 mm/s maximale Geschwindigkeit; Kugelumlaufspindel; Inkrementeller Linearencoder, 50 nm Sensorauflösung, A/B-Quadratur, RS-422
Lineartisch für sehr hohe Lasten; DC-Motor; 508 mm Stellweg; 1500 N Belastbarkeit; 150 mm/s maximale Geschwindigkeit; Kugelumlaufspindel; Inkrementeller Rotationsencoder, 20000 Impulse/U Auflösung, A/B-Quadratur, RS-422
Lineartisch für sehr hohe Lasten; DC-Motor; 508 mm Stellweg; 1500 N Belastbarkeit; 150 mm/s maximale Geschwindigkeit; Kugelumlaufspindel; Inkrementeller Linearencoder, 50 nm Sensorauflösung, A/B-Quadratur, RS-422
Lineartisch für sehr hohe Lasten; DC-Motor; 815 mm Stellweg; 1500 N Belastbarkeit; 150 mm/s maximale Geschwindigkeit; Kugelumlaufspindel; Inkrementeller Rotationsencoder, 20000 Impulse/U Auflösung, A/B-Quadratur, RS-422
Lineartisch für sehr hohe Lasten; DC-Motor; 815 mm Stellweg; 1500 N Belastbarkeit; 150 mm/s maximale Geschwindigkeit; Kugelumlaufspindel; Inkrementeller Linearencoder, 50 nm Sensorauflösung, A/B-Quadratur, RS-422
Lineartisch für sehr hohe Lasten; DC-Motor; 1016 mm Stellweg; 1500 N Belastbarkeit; 150 mm/s maximale Geschwindigkeit; Kugelumlaufspindel; Inkrementeller Rotationsencoder, 20000 Impulse/U Auflösung, A/B-Quadratur, RS-422
Lineartisch für sehr hohe Lasten; 2-Phasen-Schrittmotor; 305 mm Stellweg; 1500 N Belastbarkeit; 50 mm/s maximale Geschwindigkeit; Kugelumlaufspindel; Inkrementeller Linearencoder, 20 µm Sensorsignalperiode, Sin/Cos, 1 V Spitze-Spitze
Lineartisch für sehr hohe Lasten; 2-Phasen-Schrittmotor; 508 mm Stellweg; 1500 N Belastbarkeit; 50 mm/s maximale Geschwindigkeit; Kugelumlaufspindel
Lineartisch für sehr hohe Lasten; 2-Phasen-Schrittmotor; 508 mm Stellweg; 1500 N Belastbarkeit; 50 mm/s maximale Geschwindigkeit; Kugelumlaufspindel; Inkrementeller Linearencoder, 20 µm Sensorsignalperiode, Sin/Cos, 1 V Spitze-Spitze
Lineartisch für sehr hohe Lasten; 2-Phasen-Schrittmotor; 815 mm Stellweg; 1500 N Belastbarkeit; 50 mm/s maximale Geschwindigkeit; Kugelumlaufspindel; Inkrementeller Linearencoder, 20 µm Sensorsignalperiode, Sin/Cos, 1 V Spitze-Spitze
Angebot anfordern
Fragen Sie den Fachmann!
Erhalten Sie innerhalb kürzester Zeit per E-Mail oder Telefon eine Rückmeldung zu Ihren Fragen von einem PI Vertriebsingenieur.












