M-105 Mikrostelltisch
XY(Z)-Kombinationen, hohe Führungsgenauigkeit, optionaler Piezofeinantrieb
- Stellweg bis 18 mm
- Edelstahlkonstruktion
- XY- und XYZ-Kombinationen
- Option: PiezoMike mit Auflösung 10 nm
- Optionale Motorantriebe
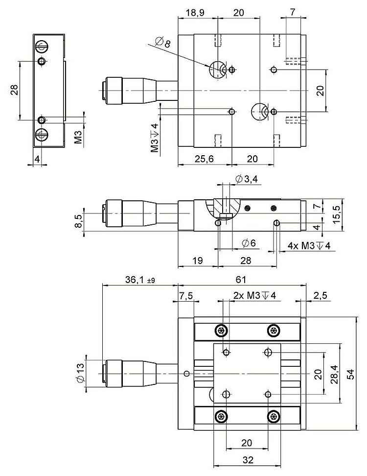
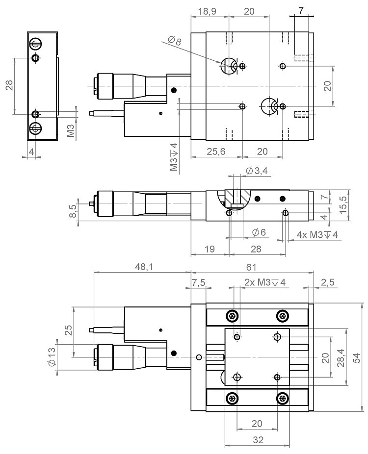
Die M-105-Lineartische sind in verschiedenen Konfigurationen verfügbar und ermöglichen Stellwege von bis zu 18 mm. Sie werden mit Kreuzrollenlagern geführt, die eine Führungsgenauigkeit von besser als 2 µm ermöglichen. Zur Unterdrückung von Umkehrspiel ist die Bewegungsplattform mit Federn gegen die Präzisions-Mikrometerschraube vorgespannt.
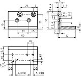
Bei der XYZ-Ausführung ist die Z-Achse mit einem Adapterwinkel so montiert, dass die Last in Richtung der Federvorspannung wirkt.
Einsatzgebiete
Händische Probenmanipulation.
Spezifikationen
Spezifikationen
M-105.10 | M-105.1P** | Einheit | Toleranz | |
|---|---|---|---|---|
Stellbereich | 18 | 18 | mm | |
Piezostellweg | – | 30 | µm | |
Kleinste Schrittweite (Piezoantrieb) | – | 0,01 | µm | |
Kleinste Schrittweite (Mikrometerschraube)* | 1 | 1 | µm | |
Umkehrspiel | 2 | 2 | µm | |
Geradheit | 2 | 2 | µm | |
Ebenheit | 2 | 2 | µm | |
Belastbarkeit | 100 | 100 | N | max. |
Druck- / Zugkraft | 20 / 4 | 20 / 4 | N | max. |
Querkraft | 25 | 25 | N | max. |
Antrieb | Mikrometerschraube | P-854.00 | ||
Spindelsteigung (grob / fein) | 0,5 / – | 0,5 / – | mm | |
Masse | 0,32 | 0,38 | kg | |
Gehäusematerial | St | St | ||
Empfohlene Piezoverstärker | – | E-610, E-500 System |
Angebot / Bestellung
Fordern Sie ein unverbindliches Angebot über gewünschte Stückzahlen, Preise und Lieferzeiten an oder beschreiben Sie Ihre gewünschte Modifikation.
Angebot anfordern
Fragen Sie den Fachmann!
Erhalten Sie innerhalb kürzester Zeit per E-Mail oder Telefon eine Rückmeldung zu Ihren Fragen von einem PI Vertriebsingenieur.
















