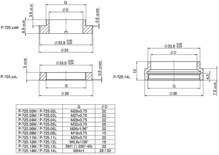
Gewindeadapter für Mikroskop, M26 x 0,75, Apertur-Durchmesser 22 mm
P-725.xxM • P-725.xxL • P-725.xxS Gewindeadapter für PIFOC® Fokusscanner
Einfacher Anschluss des PIFOC® Positionierers an ein Mikroskop (geeignet für P-725.xCDE2 und P-725.xCDE1S)
- Gewindeadapter zur einfachen Anpassung von PIFOC® Positionierern an ein Mikroskop
- Verdrehungsfreie Kabelführung
- Objektiv-Distanzstücke zum Ausgleich der parfokalen Länge
Die PIFOC® Objektivpositionierer werden mit den Gewindeadaptern zwischen Mikroskoprevolver und Objektiv eingesetzt. Nach dem Einschrauben des Adapters in den Revolver wird der PIFOC® Positionierer in der gewünschten Ausrichtung am Adapter befestigt. Hierbei muss der PIFOC® Positionierer nicht gedreht werden, was die Kabelführung erleichtert.
Spezifikationen
Spezifikationen
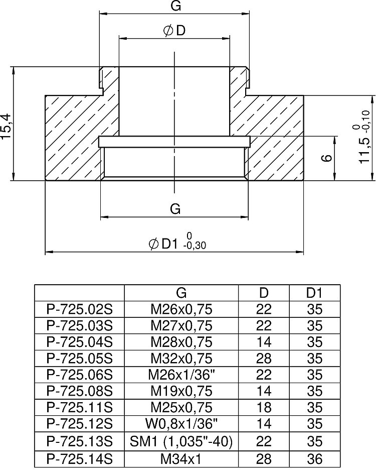
| P-725.02M | P-725.03M | P-725.04M | P-725.05M | P-725.06M | P-725.08M | P-725.11M | P-725.12M | P-725.13M | P-725.14M | P-725.02L | P-725.03L | P-725.04L | P-725.05L | P-725.06L | P-725.08L | P-725.11L | P-725.12L | P-725.13L | P-725.14L | P-725.02S | P-725.03S | P-725.04S | P-725.05S | P-725.06S | P-725.08S | P-725.11S | P-725.12S | P-725.13S | P-725.14S | ||
|---|---|---|---|---|---|---|---|---|---|---|---|---|---|---|---|---|---|---|---|---|---|---|---|---|---|---|---|---|---|---|---|
| Durchmesser Apertur | 22 mm | 22 mm | 22 mm | 25 mm | 22 mm | 15 mm | 22 mm | 16 mm | 22 mm | 28 mm | 22 mm | 22 mm | 22 mm | 25 mm | 22 mm | 15 mm | 22 mm | 16 mm | 22 mm | 28 mm | 22 mm | 22 mm | 14 mm | 28 mm | 22 mm | 14 mm | 18 mm | 14 mm | 22 mm | 28 mm | |
| Material | Messing | Messing | Messing | Messing | Messing | Messing | Messing | Messing | Messing | Messing | Messing | Messing | Messing | Messing | Messing | Messing | Messing | Messing | Messing | Messing | Messing | Messing | Messing | Messing | Messing | Messing | Messing | Messing | Messing | Messing | |
| Gewinde mikroskopseitig | M26 × 0,75 mm | M27 × 0,75 mm | M28 × 0,75 mm | M32 × 0,75 mm | M26 × 1/36" | M19 × 0,75 mm | M25 × 0,75 mm | W0,8 × 1/36" | 1,035"-40 (SM1) | M34 × 1 mm | — | — | — | — | — | — | — | — | — | — | M26 × 0,75 mm | M27 × 0,75 mm | M28 × 0,75 mm | M32 × 0,75 mm | M26 × 1/36" | M19 × 0,75 mm | M25 × 0,75 mm | W0,8 × 1/36" | 1,035"-40 (SM1) | M34 × 1 mm | |
| Gesamtmasse | 50 g | 50 g | 50 g | 50 g | 50 g | 50 g | 50 g | 50 g | 50 g | 50 g | 50 g | 50 g | 50 g | 50 g | 50 g | 50 g | 50 g | 50 g | 50 g | 50 g | 50 g | 50 g | 70 g | 30 g | 50 g | 80 g | 60 g | 80 g | 50 g | 30 g | |
| Kompatible Positionierer | — | — | — | — | — | — | — | — | — | — | — | — | — | — | — | — | — | — | — | — | — | — | — | — | — | — | — | — | — | — | |
| Gewinde objektivseitig | — | — | — | — | — | — | — | — | — | — | M26 × 0,75 mm | M27 × 0,75 mm | M28 × 0,75 mm | M32 × 0,75 mm | M26 × 1/36" | M19 × 0,75 mm | M25 × 0,75 mm | W0,8 × 1/36" | 1,035"-40 (SM1) | M34 × 1 mm | M26 × 0,75 mm | M27 × 0,75 mm | M28 × 0,75 mm | M32 × 0,75 mm | M26 × 1/36" | M19 × 0,75 mm | M25 × 0,75 mm | W0,8 × 1/36" | 1,035"-40 (SM1) | M34 × 1 mm |
Downloads
Datenblatt
Dokumentation
Installationsanleitung P725UM0002
Gewindeadapter für P-725.xCDE2 PIFOC® Fokusscanner und P-725.xCDE1S PIFOC® Scannersysteme
Installationsanleitung P721T0002
P-721 Gewindeadapter für P-721 / P-725.xxx PIFOC® Objektivscanner
3-D-Modelle
3-D Modell P-725.xxS
3-D Modell P-725.xxM
3-D Modell P-725.xxL
Angebot / Bestellung
Fordern Sie ein unverbindliches Angebot über gewünschte Stückzahlen, Preise und Lieferzeiten an oder beschreiben Sie Ihre gewünschte Modifikation.
Gewindeadapter für Mikroskop, M27 x 0,75, Apertur-Durchmesser 22 mm
Gewindeadapter für Mikroskop, M28 x 0,75, Apertur-Durchmesser 22 mm
Gewindeadapter für Mikroskop, M32 x 0,75, Apertur-Durchmesser 25 mm
Gewindeadapter für Mikroskop, M26 x 1/36", Apertur-Durchmesser 22 mm
Gewindeadapter für Mikroskop, M19 x 0,75, Apertur-Durchmesser 15 mm
Gewindeadapter für Mikroskop, M25 x 0,75, Apertur-Durchmesser 22 mm
Gewindeadapter für Mikroskop, W0,8 x 1/36", Apertur-Durchmesser 16 mm
Gewindeadapter für Mikroskop, SM1 (1,035"-40), Apertur-Durchmesser 22 mm
Gewindeadapter für Mikroskop, M34 x 1, Apertur-Durchmesser 28 mm
Gewindeadapter für Objektiv, M26 x 0,75, Apertur-Durchmesser 22 mm
Gewindeadapter für Objektiv, M27 x 0,75, Apertur-Durchmesser 22 mm
Gewindeadapter für Objektiv, M28 x 0,75, Apertur-Durchmesser 22 mm
Gewindeadapter für Objektiv, M32 x 0,75, Apertur-Durchmesser 25 mm
Gewindeadapter für Objektiv, M26 x 1/36", Apertur-Durchmesser 22 mm
Gewindeadapter für Objektiv, M19 x 0,75, Apertur-Durchmesser 15 mm
Gewindeadapter für Objektiv, M25 x 0,75, Apertur-Durchmesser 22 mm
Gewindeadapter für Objektiv, W0,8 x 1/36", Apertur-Durchmesser 16 mm
Gewindeadapter für Objektiv, SM1 (1,035"-40), Apertur-Durchmesser 22 mm
Gewindeadapter für Objektiv, M34 x 1, Apertur-Durchmesser 30 mm
Objektiv-Distanzstück zur Korrektur der parfokalen Länge, 11,5 mm, Gewinde M26 × 0,75 mm
Objektiv-Distanzstück zur Korrektur der parfokalen Länge, 11,5 mm, Gewinde M27 × 0,75 mm
Objektiv-Distanzstück zur Korrektur der parfokalen Länge, 11,5 mm, Gewinde M28 × 0,75 mm
Objektiv-Distanzstück zur Korrektur der parfokalen Länge, 11,5 mm, Gewinde M32 × 0,75 mm
Objektiv-Distanzstück zur Korrektur der parfokalen Länge, 11,5 mm, Gewinde M26 × 1/36''
Objektiv-Distanzstück zur Korrektur der parfokalen Länge, 11,5 mm, Gewinde M19 × 0,75 mm
Objektiv-Distanzstück zur Korrektur der parfokalen Länge, 11,5 mm, Gewinde M25 × 0,75 mm
Objektiv-Distanzstück zur Korrektur der parfokalen Länge, 11,5 mm, Gewinde W0,8 × 1/36''
Objektiv-Distanzstück zur Korrektur der parfokalen Länge, 11,5 mm, Gewinde 1,035''-40 (SM1)
Objektiv-Distanzstück zur Korrektur der parfokalen Länge, 11,5 mm, Gewinde M34 × 1 mm
Angebot anfordern
Fragen Sie den Fachmann!
Erhalten Sie innerhalb kürzester Zeit per E-Mail oder Telefon eine Rückmeldung zu Ihren Fragen von einem PI Vertriebsingenieur.













