Goniometer mit flacher Auflagefläche; 2-Phasen-Schrittmotor; 12° Rotationswinkel; 35 N Belastbarkeit; 10 °/s maximale Winkelgeschwindigkeit; Kugelumlaufspindel; inkrementeller Linearencoder, 0,8305 µrad Sensorauflösung, rotatorisch, A/B-Quadratur, RS-422; magnetische Endschalter
L-886 Kompaktes Allround-Goniometer
Hohe Leistung, Kosteneffizienz
- Kompakte, stapelbare Bauweise mit hoher Flexibilität: Dank seiner kompakten Bauweise und seiner Fähigkeit, zwei Goniometer mit identischen Drehpunkten zu kombinieren, bietet der L-886 maximale Flexibilität für präzise Ausrichtungsanwendungen in der Mehrkanalphotonik.
- Kostengünstige Komplettlösung für anspruchsvolle Anwendungen: Im Gegensatz zu ähnlichen Lösungen stellt dieses System eine kostengünstige Alternative dar, die die Anforderungen eines 24/7-Betriebs, großer Formate und industrieller Betriebsbedingungen erfüllt.
- Verbesserte Systemkompatibilität und Möglichkeit der Integration mit modernen Steuerungen: Das System unterstützt moderne Kommunikationsstandards wie EtherCAT (z. B. mit ACS-Steuerungen) und kann daher einfach in bestehende automatisierte Produktionsumgebungen integriert werden.







Der L-886 ist ein präziser und kosteneffektiver Goniometertisch. Er basiert auf einem Schrittmotor in Kombination mit einem Linearmesssystem, das für hohe Genauigkeit sorgt. Der L-886 ist für wirtschaftlich orientierte Anwendungen konzipiert, einschließlich Mikromontage, Komponentenausrichtung, Elektronikfertigung und Inspektion.
Preisgünstige Lösung, die speziell für die schnelle Ausrichtung in der Mehrkanalphotonik ausgelegt ist
Kompakt, präzise und schnell
Anwendungen und Use Cases
Anwendungen für die industrielle Automatisierung
Bestückung mit Mikrokomponenten
Ausrichtungsanwendungen
Ausrichtung optischer Bauteile
Technologie
Die L-886 Goniometertische mit Spindelgetriebe sind ideal geeignet für industrielle Anwendungen, die eine hohe Leistung bei kompakter Bauform erfordern. Die hohe Leistung wird durch hochauflösende Schrittmotoren, hochpräzise Kreuzrollenführungen und Präzisions-Linearencoder erreicht.
Hochauflösende 2-Phasen-Motoren bieten eine Leistung, die mit der von 5-Phasen-Schrittmotoren vergleichbar ist - ohne die Notwendigkeit einer entsprechend teuren Treiberelektronik. Zusätzliche Linearencoder bieten hohe Wiederholgenauigkeit während des Betriebs.
Installation und Verwendung
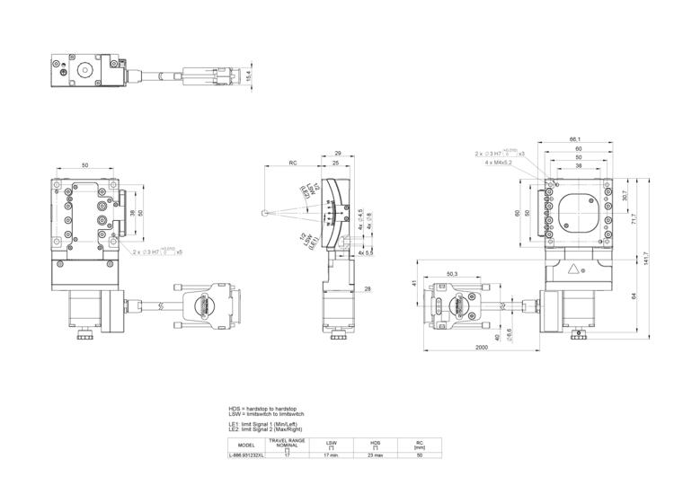
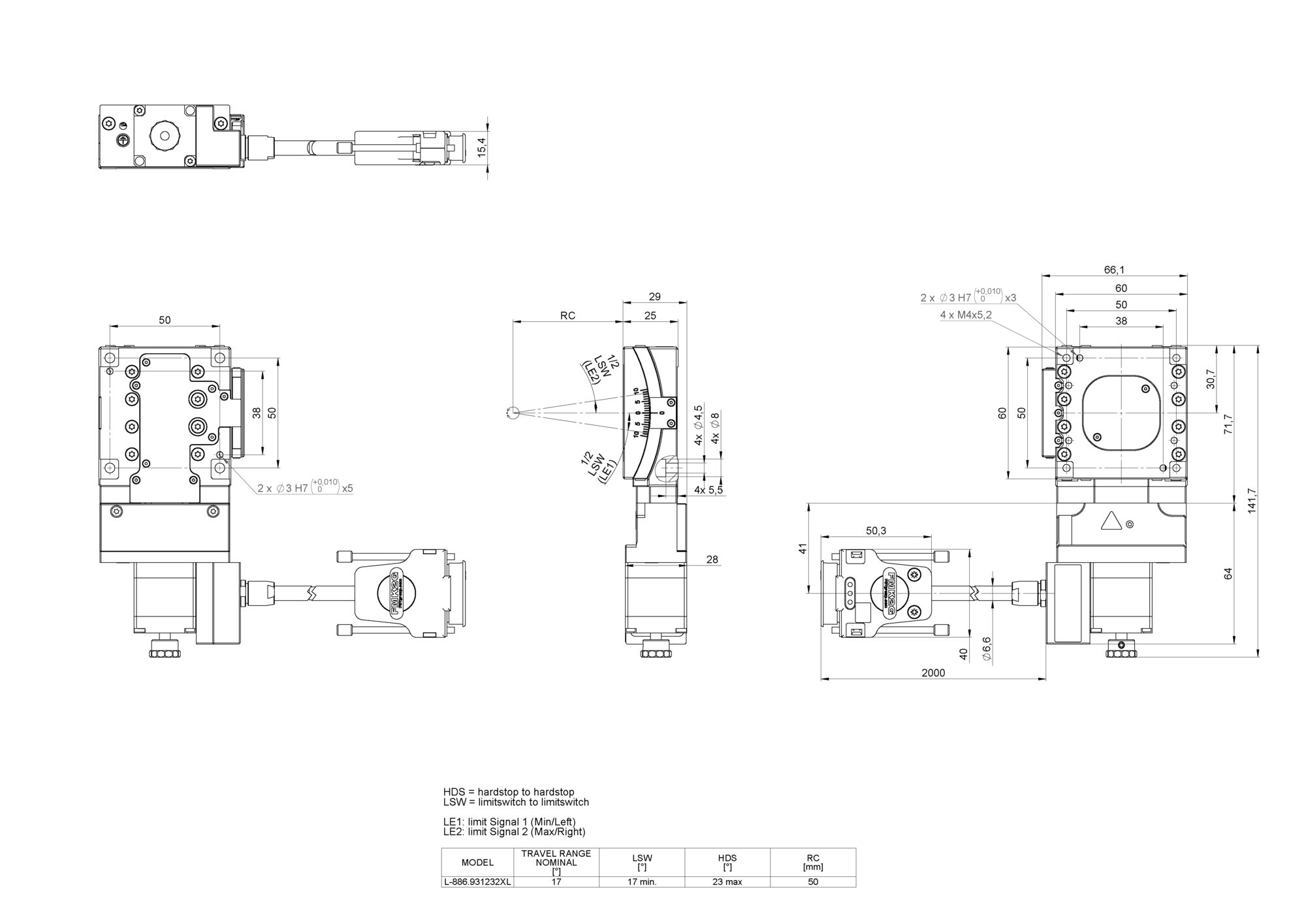
Die Goniometer können auf L-836 Lineartischen montiert werden. Für 2-Achsenbewegungen sind die L-886 Modelle stapelbar. Wird dabei ein L‑886.931232X auf einen L‑886.921232[X] montiert, haben die Modelle einen gemeinsamen Drehpunkt.
Spezifikationen
Spezifikationen
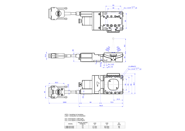
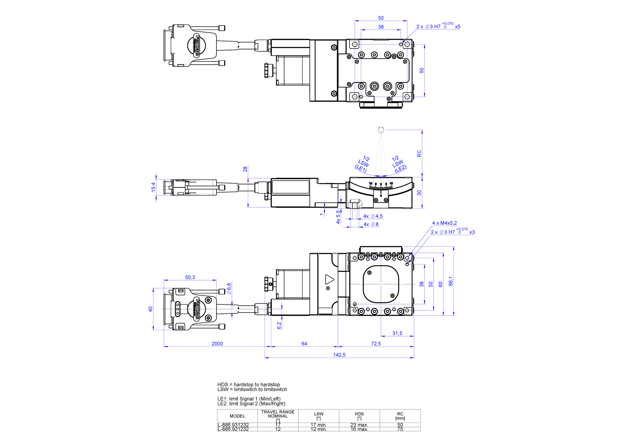
| Bewegen | Einheit | Toleranz | L-886.921232 /L-886.921232X | L-886.931232 /L-886.931232X[L] |
|---|---|---|---|---|
| Aktive Achsen | θY | θY | ||
| Rotationsbereich | ° | 12 | 17 | |
| Maximale Winkelgeschwindigkeit, unbelastet | °/s | 10 | 10 | |
| Drehzentrumabweichung | μm | max. | 10 | 10 |
| Positionieren | Einheit | Toleranz | L-886.921232 /L-886.921232X | L-886.931232 /L-886.931232X[L] |
| Kleinste Schrittweite | μrad | typ. | 5 | |
| Bidirektionale Wiederholgenauigkeit | μrad | typ. | 35 | |
| Referenzschalter | Hall-Effekt, Öffner, 5 V, NPN | |||
| Endschalter | Hall-Effekt, Öffner, 5 V, NPN | |||
| Integrierter Sensor | Inkrementeller Linearencoder | |||
| Sensorsignal | A/B-Quadratur, RS-422 | |||
| Sensorauflösung, rotatorisch | μrad | 0,8305 | 1,122 | |
| Antriebseigenschaften | Einheit | Toleranz | L-886.921232 /L-886.921232X | L-886.931232 /L-886.931232X[L] |
| Antriebstyp | 2-Phasen-Schrittmotor | |||
| Nennspannung | V | 24 | ||
| Spitzenstrom pro Phase, effektiv | A | typ. | 1,5 | |
| Maximale Leistungsaufnahme | W | 8 | ||
| Motorauflösung | Vollschritte/U | 200 | ||
| Phasenwiderstand | Ω | typ. | 1,18 | |
| Phaseninduktivität | mH | 0,96 | ||
| Mechanische Eigenschaften | Einheit | Toleranz | L-886.921232 /L-886.921232X | L-886.931232 /L-886.931232X[L] |
| Zulässige Druckkraft in Z | N | max. | 35 | 35 |
| Antriebsmoment | Nm | 2,6 | 1,7 | |
| Haltemoment, passiv | Nm | 0,8 | 0,55 | |
| Abstand Pivotpunkt-Plattformoberfläche | mm | ±1 mm | 75 | 50 |
| Spindeltyp | Kugelumlaufspindel | |||
| Spindelsteigung | mm | 1 | ||
| Führung | Kreuzrollenführung | |||
| Material | Aluminium, schwarz eloxiert; Edelstahl | |||
| Gesamtmasse | g | 730 / 710 | 730 / 710 | |
| Masse ohne Kabel | g | 530 / 500 | 530 / 500 | |
| Anschlüsse und Umgebung | Einheit | Toleranz | L-886.921232 /L-886.921232X | L-886.931232 /L-886.931232X[L] |
| Betriebstemperaturbereich | °C | 5 bis 40 | ||
| Anschluss | HD D-Sub 26 (m) | |||
| Kabelabgang | L-886.9x1232[X]: gerade, nach hintenL-886.931232XL: abgewinkelt, 90°, nach links | |||
| Empfohlene Controller/Treiber | C-663G-901G-910Modularer ACS-Controller | |||
Technische Daten werden bei PI bei 22 ±3 °C spezifiziert. Die angegebenen Werte gelten im unbelasteten Zustand, wenn nicht anders angegeben. Teilweise sind Eigenschaften voneinander abhängig. Die Angabe "typ." kennzeichnet einen statistischen Mittelwert für eine Eigenschaft; sie gibt keinen garantierten Wert für jedes ausgelieferte Produkt an. Bei der Ausgangsprüfung eines Produkts werden nicht alle, sondern nur ausgewählte Eigenschaften geprüft. Beachten Sie, dass sich einige Produkteigenschaften mit zunehmender Betriebsdauer verschlechtern können.
Downloads
Datenblatt
Dokumentation
Benutzerhandbuch L886UM0001
L-886 Goniometertisch
3-D-Modelle
L-886 3D-Modell
Angebot / Bestellung
Fordern Sie ein unverbindliches Angebot über gewünschte Stückzahlen, Preise und Lieferzeiten an oder beschreiben Sie Ihre gewünschte Modifikation.
Bestellinformationen
Goniometer für gestapelte Systeme; 2-Phasen-Schrittmotor; 12° Rotationswinkel; 35 N Belastbarkeit; 10 °/s maximale Winkelgeschwindigkeit; Kugelumlaufspindel; inkrementeller Linearencoder, 0,8305 µrad Sensorauflösung, rotatorisch, A/B-Quadratur, RS-422; magnetische Endschalter
Goniometer mit flacher Auflagefläche; 2-Phasen-Schrittmotor; 17° Rotationswinkel; 35 N Belastbarkeit; 10 °/s maximale Winkelgeschwindigkeit; Kugelumlaufspindel; inkrementeller Linearencoder, 1,122 µrad Sensorauflösung, rotatorisch, A/B-Quadratur, RS-422; magnetische Endschalter
Goniometer für gestapelte Systeme; 2-Phasen-Schrittmotor; 17° Rotationswinkel; 35 N Belastbarkeit; 10 °/s maximale Winkelgeschwindigkeit; Kugelumlaufspindel; inkrementeller Linearencoder, 1,122 µrad Sensorauflösung, rotatorisch, A/B-Quadratur, RS-422; magnetische Endschalter
Goniometer für gestapelte Systeme; 2-Phasen-Schrittmotor; 17° Rotationswinkel; 35 N Belastbarkeit; 10 °/s maximale Winkelgeschwindigkeit; Kugelumlaufspindel; inkrementeller Linearencoder, 1,122 µrad Sensorauflösung, rotatorisch, A/B-Quadratur, RS-422; magnetische Endschalter; Kabelabgang abgewinkelt, 90°, nach links
Angebot anfordern
Fragen Sie den Fachmann!
Erhalten Sie innerhalb kürzester Zeit per E-Mail oder Telefon eine Rückmeldung zu Ihren Fragen von einem PI Vertriebsingenieur.












