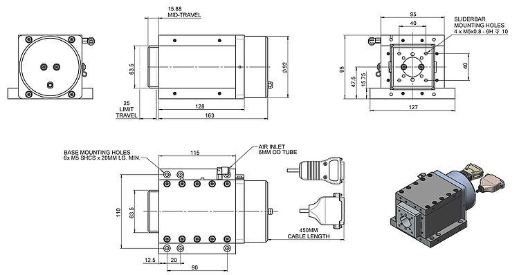
PIglide VC Lineartisch, Luftlager, 25 mm Stellweg, Voice-Coil, 48 V, Linearencoder mit sin/cos-Signalübertragung, 20 µm Signalperiode
A-131 PIglide VC Voice-Coil-Lineartisch mit Luftlager
Hochleistungs-Miniatur-Nanopositioniersystem
- Ideal für Scan-Anwendungen oder hochpräzise Positionierung
- Reinraumtauglich
- Stellwege bis 25 mm
- Belastbarkeit bis 30 N
- Beschleunigung bis 40 m/s2
Produktübersicht
Der PIglide-Tisch mit Luftlager und Voice-Coil-Antrieb bietet hohe Geschwindigkeit und Beschleunigung in einem kompakten Paket.
Die kontaklosen Komponenten der Bewegungsplattform sorgen für höchste Leistung, Qualität und Lebensdauer.
Voice-Coil-Antriebstechnologie
Voice-Coil-Motoren sind elektromagnetische Direktantriebe. Bei Direktantrieben wird die Kraft des Antriebselements ohne mechanische Übertragungselemente wie Kupplung, Spindel oder Getriebe direkt auf die zu bewegende Last übertragen. Voice-Coil-Antriebe bestehen aus einem Dauermagneten und einem Wicklungskörper, die sich im Luftspalt des Magnetfeldes befinden. Fließt ein Strom durch den Wicklungskörper, so bewegt sich der Wicklungskörper im Magnetfeld des Dauermagneten. Voice-Coil-Antriebe eignen sich durch ihr geringes Gewicht und das reibungsfreie Antriebsprinzip sehr gut für Anwendungen, die hohe Dynamik und hohe Geschwindigkeiten bei begrenzten Stellwegen erfordern. Hohe Scanfrequenzen und präzise Positionierung sind mit diesen Antrieben ebenfalls möglich, da sie frei von Hystereseeffekten sind.
Zubehör und Optionen
- PIglide Filter und Druckregler
- Ein- und mehrachsige Motion Controller
Einsatzgebiete
Hochgeschwindigkeitsscannen, Anwendungen in der Fertigung.
Aufgrund der Reibungsfreiheit entstehen keine Partikel, wodurch PIglide Tische ideal unter Reinraumbedingungen eingesetzt werden können.
Spezifikationen
Spezifikationen
| Bewegen | A-131.025A1 | Toleranz |
|---|---|---|
| Aktive Achsen | X | |
| Stellweg in X | 25 mm | |
| Beschleunigung in X, unbelastet | 40 m/s² | max. |
| Maximale Geschwindigkeit in X, unbelastet | 1000 mm/s | |
| Geradheit (Lineares Übersprechen in Y bei Bewegung in X) | ± 0,5 µm | max. |
| Ebenheit (Lineares Übersprechen in Z bei Bewegung in X) | ± 0,5 µm | max. |
| Neigen (Rotatorisches Übersprechen in θY bei Bewegung in X) | ± 10 µrad | max. |
| Gieren (Rotatorisches Übersprechen in θZ bei Bewegung in X) | ± 10 µrad | max. |
| Positionieren | A-131.025A1 | Toleranz |
| Integrierter Sensor | Inkrementeller Linearencoder | |
| Bidirektionale Wiederholgenauigkeit in X | ± 0,1 µm | typ. |
| Positioniergenauigkeit in X, kalibriert | ± 0,25 µm | typ. |
| Positioniergenauigkeit in X, unkalibriert | ± 2 µm | typ. |
| Sensorsignal | Sin/Cos, 1 V Spitze-Spitze | |
| Sensorauflösung | 1,2 nm | |
| Sensorsignalperiode | 20 µm | |
| Referenzschalter | Encoder-Index | |
| Endschalter | Hall-Effekt | |
| Antriebseigenschaften | A-131.025A1 | Toleranz |
| Antriebstyp | Voice-Coil | |
| Nennspannung | 48 V | |
| Spitzenspannung | 28 V | |
| Nennstrom, effektiv | 3 A | typ. |
| Spitzenstrom, effektiv | 10 A | typ. |
| Antriebskraft in negativer Bewegungsrichtung in X | 22,3 N | typ. |
| Antriebskraft in positiver Bewegungsrichtung in X | 22,3 N | typ. |
| Spitzenkraft in negativer Bewegungsrichtung in X | 70,4 N | |
| Spitzenkraft in positiver Bewegungsrichtung in X | 70,4 N | |
| Kraftkonstante | 6,9 N/A | |
| Widerstand Phase-Phase | 2,7 Ω | typ. |
| Induktivität Phase-Phase | 1,4 mH | |
| Gegen-EMK | 6,9 V·s/m | max. |
| Mechanische Eigenschaften | A-131.025A1 | Toleranz |
| Führung | Luftlagerführung mit Luft-Vorspannung | |
| Bewegte Masse in X, unbelastet | 1630 g | |
| Zulässige Druckkraft in Z | 30 N | max. |
| Gesamtmasse | 3600 g | |
| Material | Hartbeschichtetes Aluminium, Befestigungsmaterial aus Edelstahl | |
| A-131.025A1 | Toleranz | |
| Anschluss | D-Sub 9W4 (m) | |
| Sensoranschluss | D-Sub 15-pol (m) | |
| Betriebsdruck | 520 bis 585 kPa | |
| Luftdurchsatz | 28 L/min | max. |
| Luftqualität | Rein (gefiltert bis zu 1,0 μm oder besser) - ISO 8573–1 Klasse 1 Ölfrei - ISO 8573–1 Klasse 1 Trocken (-15 °C Taupunkt) - ISO 8573–1 Klasse 3 | |
| Empfohlene Controller / Treiber | A-81x (1, 2 oder 4 Achsen) A-82x (4, 6 oder 8 Achsen) | |
| Kabellänge | 0,45 m | |
| Betriebstemperaturbereich | 15 bis 25 °C |
Hinweis zu Neigen, Gieren, Geradheit und Ebenheit: Abhängig von der Ebenheit der Oberfläche, auf der der Tisch montiert ist.
Hinweis zu Geschwindigkeit und Beschleunigung: Kann durch Nutzlast, Controller oder Antrieb begrenzt werden.
Hinweis zur zulässigen Druckkraft in Z: Geht davon aus, dass der Lastenschwerpunkt nicht weiter als 50 mm vor der Bewegungsplattform liegt.
Hinweis zur Sensorauflösung und bidirektionalen Wiederholgenauigkeit: Geht von einer 16384-fachen Interpolation aus. Kontaktieren Sie PI für den Einsatz anderer Faktoren.
Hinweis zu Positioniergenauigkeit, kalibriert: Verbesserte Genauigkeit möglich durch Controller-gesteuerte Fehlerkompensation. Der Tisch muss mit einem Controller von PI geordert werden, um diese Werte zu erreichen.
Hinweis zum Betriebsdruck: Zum Schutz des Tischs gegen Schäden wird empfohlen, einen Luftdrucksensor an den Motion-Stop-Eingang des Controllers anzuschließen.
Sonderausführungen auf Anfrage
Downloads
Datenblatt
Dokumentation
User Manual A131D001
A-131 Series Voice Coil Linear Air Bearing Stage
3-D-Modelle
A-131 3D-Modell
Angebot / Bestellung
Fordern Sie ein unverbindliches Angebot über gewünschte Stückzahlen, Preise und Lieferzeiten an oder beschreiben Sie Ihre gewünschte Modifikation.
Angebot anfordern
Fragen Sie den Fachmann!
Erhalten Sie innerhalb kürzester Zeit per E-Mail oder Telefon eine Rückmeldung zu Ihren Fragen von einem PI Vertriebsingenieur.











