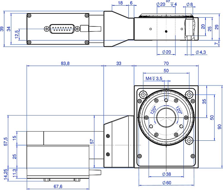
Präzisions-Rotationstisch, Ø 60 mm, Ø Apertur 20 mm, 360°, geregelter DC-Getriebemotor
M-060 • M-061 • M-062 Präzisionsdrehtisch
Unbegrenzt im Stellbereich
- Unbegrenzter Stellbereich
- Hohe Auflösung
- Höchstgeschwindigkeit 16°/s
- Spielfrei vorgespannter Schneckenantrieb
- DC-Getriebemotor
- Richtungserkennender Referenzschalter
Präzisionsdrehtisch mit Schneckenantrieb
Die Drehtische der M-06x Reihe sind mit hochpräzisen und äußerst reibungsarmen spielfrei vorgespannten Schneckenantrieben ausgerüstet. Damit ist ein unbegrenzter Stellbereich in beiden Drehrichtungen möglich. Die Präzisionsdrehtische werden in drei Durchmessern angeboten: 60 mm (20 mm Apertur), 100 mm (35 mm Apertur) und 120 mm (45 mm Apertur).
Einsatzgebiete
Forschung und Entwicklung, Halbleiterprüfung, Massenspeicher-Tests, Metrologie, Photonik, Qualitätssicherung.
Spezifikationen
Spezifikationen
| Bewegen | M-060.DG | M-061.DG | M-062.DG | Toleranz |
|---|---|---|---|---|
| Aktive Achsen | θZ | θZ | θZ | |
| Rotationsbereich in θZ | 360 ° | 360 ° | 360 ° | |
| Maximale Winkelgeschwindigkeit in θZ, unbelastet | 16 °/s | 9 °/s | 7,5 °/s | |
| Positionieren | M-060.DG | M-061.DG | M-062.DG | Toleranz |
| Kleinste Schrittweite in θZ | 6,3 µrad | 6 µrad | 5 µrad | typ. |
| Unidirektionale Wiederholgenauigkeit in θZ | ± 25 µrad | ± 25 µrad | ± 30 µrad | typ. |
| Bidirektionale Wiederholgenauigkeit in θZ | 600 µrad | 600 µrad | 700 µrad | typ. |
| Umkehrspiel in θZ | 200 µrad | 200 µrad | 240 µrad | typ. |
| Referenzschalter | Hall-Effekt | Hall-Effekt | Hall-Effekt | |
| Integrierter Sensor | Inkrementeller Rotationsencoder | Inkrementeller Rotationsencoder | Inkrementeller Rotationsencoder | |
| Sensorsignal | A/B-Quadratur, RS-422 | A/B-Quadratur, RS-422 | A/B-Quadratur, RS-422 | |
| Sensorauflösung | 2000 Impulse/U | 2000 Impulse/U | 2000 Impulse/U | |
| Antriebseigenschaften | M-060.DG | M-061.DG | M-062.DG | Toleranz |
| Antriebstyp | DC-Getriebemotor | DC-Getriebemotor | DC-Getriebemotor | |
| Nennspannung | 12 V | 12 V | 12 V | |
| Maximale Leistungsaufnahme | 3 W | 3 W | 3 W | |
| Antriebsmoment in Uhrzeigerrichtung in θZ | 1,5 N·m | 2,7 N·m | 3,3 N·m | max. |
| Antriebsmoment gegen die Uhrzeigerrichtung in θZ | 1,5 N·m | 2,7 N·m | 3,3 N·m | max. |
| Spitzenmoment in Uhrzeigerrichtung in θZ | 1,5 N·m | 2,7 N·m | 3,3 N·m | max. |
| Spitzenmoment gegen die Uhrzeigerrichtung in θZ | 1,5 N·m | 2,7 N·m | 3,3 N·m | max. |
| Mechanische Eigenschaften | M-060.DG | M-061.DG | M-062.DG | Toleranz |
| Zulässige Druckkraft in Z | 500 N | 550 N | 650 N | max. |
| Zulässiges Moment in θX | 6 N·m | 6 N·m | 7 N·m | max. |
| Zulässiges Moment in θY | 6 N·m | 6 N·m | 7 N·m | max. |
| Zulässiges Moment in θZ | 4 N·m | 6 N·m | 8 N·m | max. |
| Getriebeuntersetzung i | (28/12)E4 : 1 | (28/12)E4 : 1 | (28/12)E4 : 1 | |
| Schneckengetriebeuntersetzung | 50 : 1 | 90 : 1 | 110 : 1 | |
| Lagertyp | Kreuzrollenlager | Kreuzrollenlager | Kreuzrollenlager | |
| Gesamtmasse | 940 g | 1880 g | 2760 g | |
| Material | Aluminium | Aluminium | Aluminium | |
| Anschlüsse und Umgebung | M-060.DG | M-061.DG | M-062.DG | Toleranz |
| Betriebstemperaturbereich | -10 bis 40 °C | -10 bis 40 °C | -10 bis 40 °C | |
| Anschluss | D-Sub 15 (m) | D-Sub 15 (m) | D-Sub 15 (m) | |
| Empfohlene Controller / Treiber | C-863 (einachsig) C-884 (bis zu 6 Achsen) | C-863 (einachsig) C-884 (bis zu 6 Achsen) | C-863 (einachsig) C-884 (bis zu 6 Achsen) |
Technische Daten werden bei PI bei 22 ±3 °C spezifiziert. Die angegebenen Werte gelten im unbelasteten Zustand, wenn nicht anders angegeben. Teilweise sind Eigenschaften voneinander abhängig. Die Angabe "typ." kennzeichnet einen statistischen Mittelwert für eine Eigenschaft; sie gibt keinen garantierten Wert für jedes ausgelieferte Produkt an. Bei der Ausgangsprüfung eines Produkts werden nicht alle, sondern nur ausgewählte Eigenschaften geprüft. Beachten Sie, dass sich einige Produkteigenschaften mit zunehmender Betriebsdauer verschlechtern können.
Downloads
Produktmitteilung
Product Change Notification M-Portfolio-Streamlining Part-1
M-011.D0, M-035.D01, M-038.001, M-042.00, M-052.00, M-052.30, M-053.10, M-053.20, M-053.30, M-053.40, M-060.03, M-061.03, M-062.02, M-062.03, M-151.10, M-225.00
Datenblatt
Dokumentation
Benutzerhandbuch MP47
M-060, M-061, M-062 Präzisionsdrehtische
3-D-Modelle
M-06x 3D-Modell
Angebot / Bestellung
Fordern Sie ein unverbindliches Angebot über gewünschte Stückzahlen, Preise und Lieferzeiten an oder beschreiben Sie Ihre gewünschte Modifikation.
Präzisions-Rotationstisch, Ø 100 mm, Ø Apertur 35 mm, 360°, geregelter DC-Getriebemotor
Präzisions-Rotationstisch, Ø 120 mm, Ø Apertur 45 mm, 360°, geregelter DC-Getriebemotor
Angebot anfordern
Fragen Sie den Fachmann!
Erhalten Sie innerhalb kürzester Zeit per E-Mail oder Telefon eine Rückmeldung zu Ihren Fragen von einem PI Vertriebsingenieur.






















